Sunday, March 12th, 2023 AT 9:13 PM
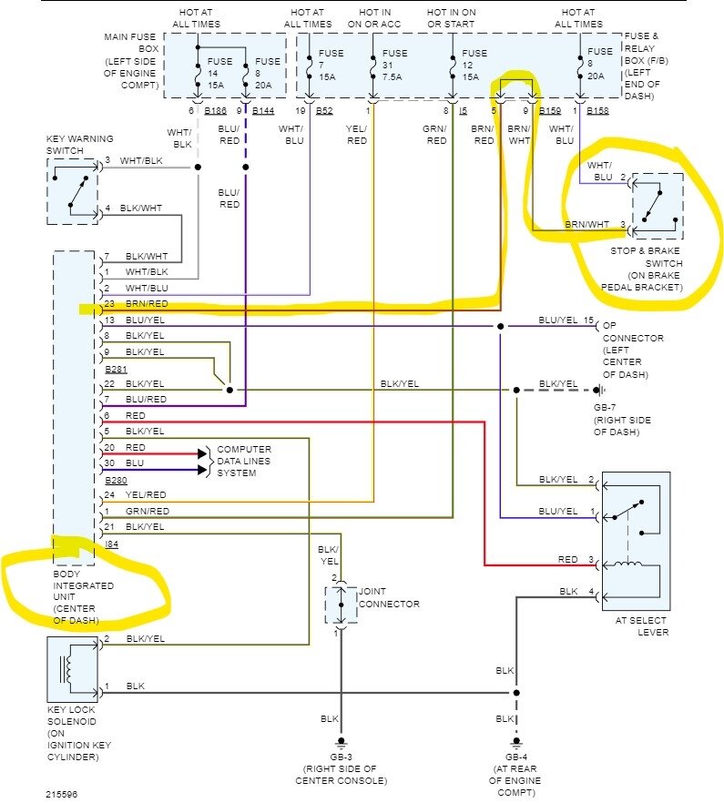
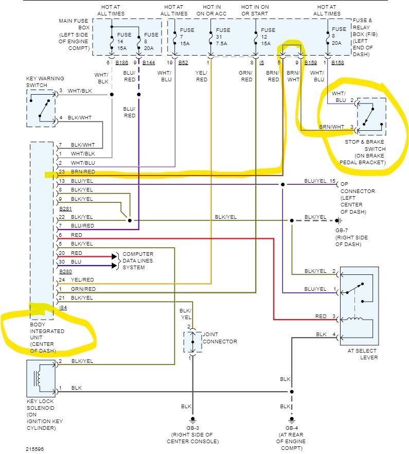
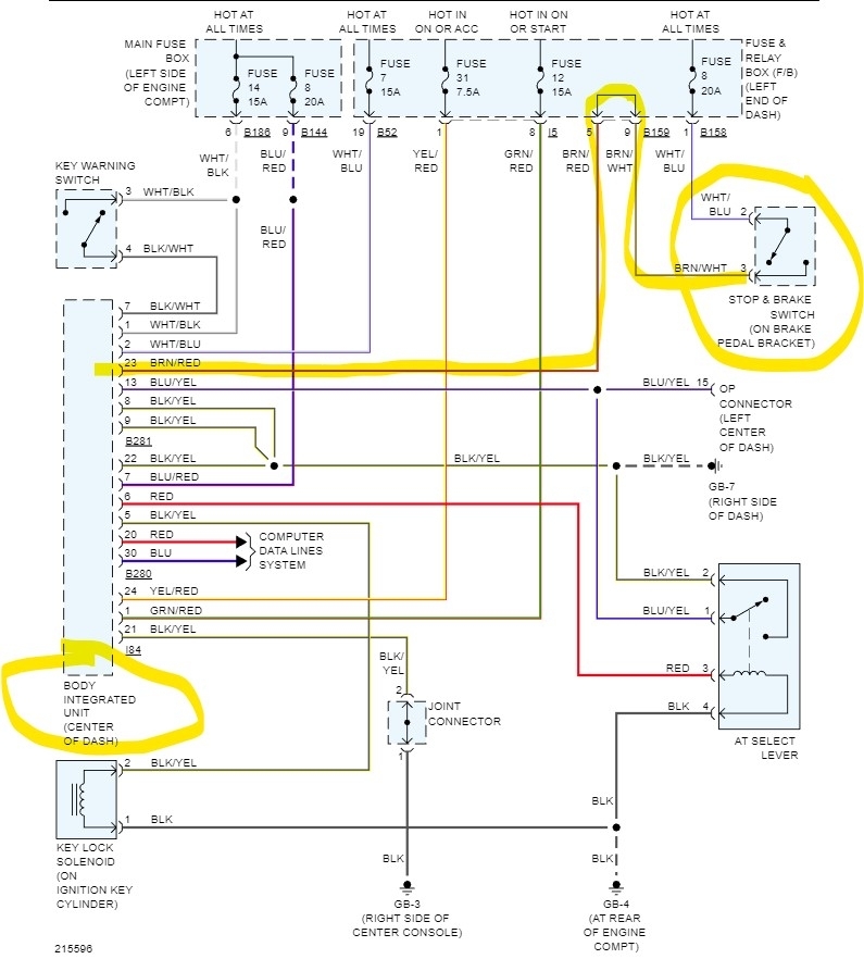
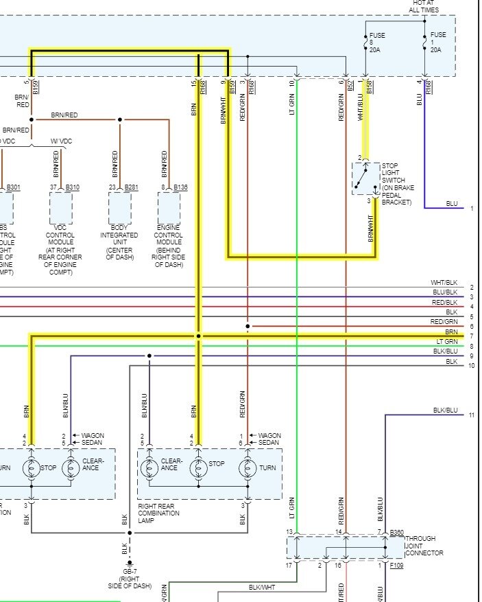
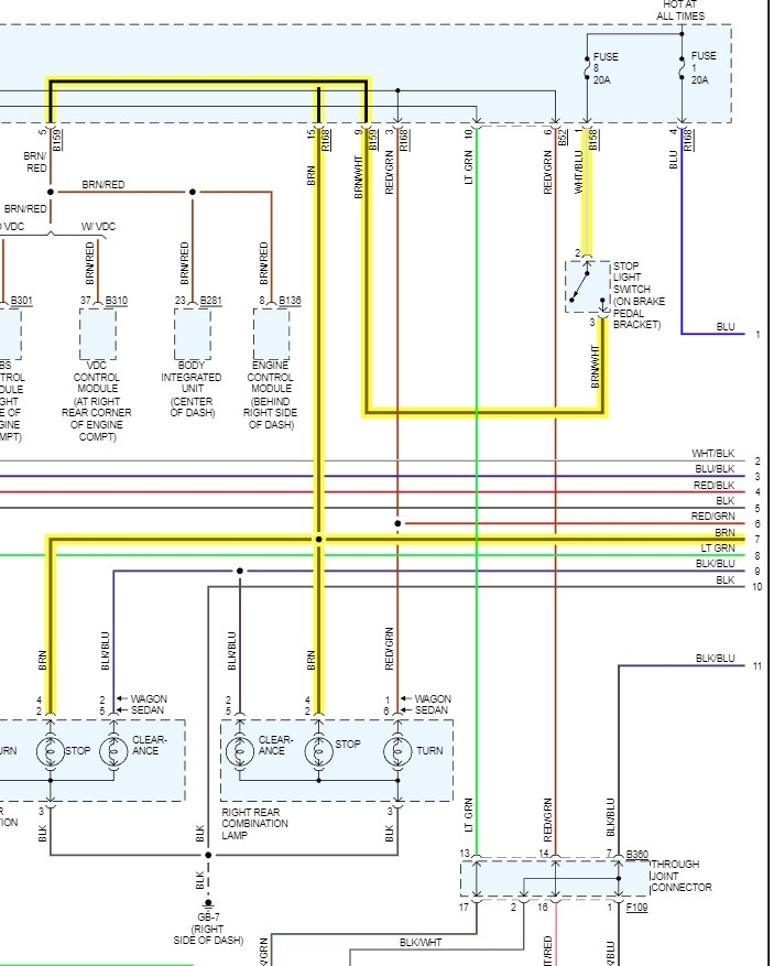
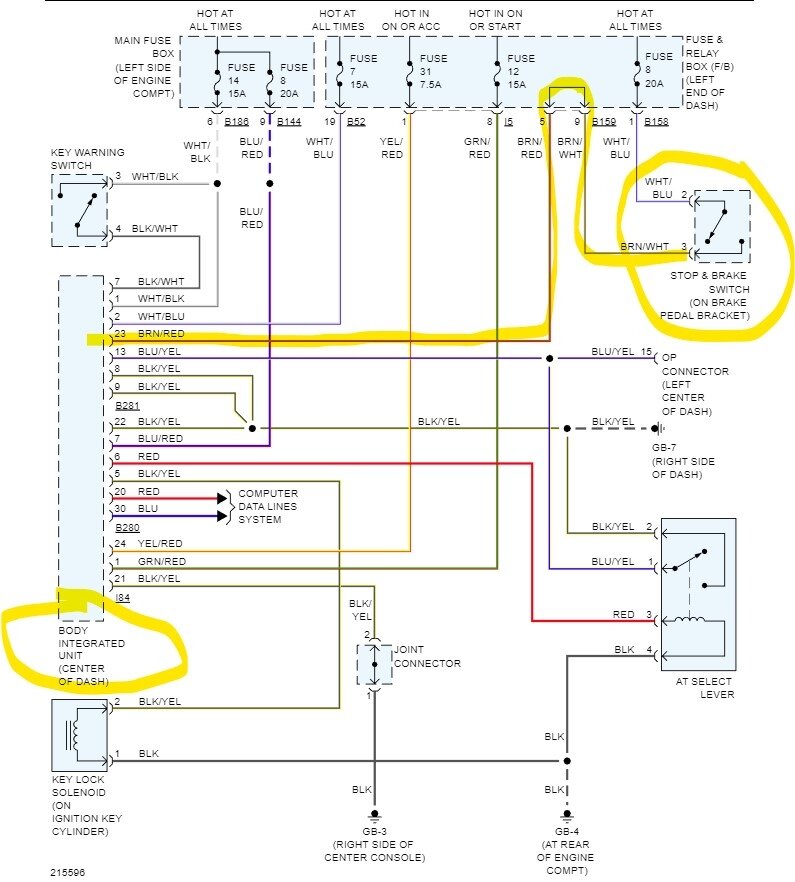
I have a problem with my break light fuse blowing, and the shifter also sticks in park when this happens. I have to bypass the shift solenoid to drive it. I have checked the brake light switch, the bulbs themselves, and chased wires as far as my knowledge would allow. So I have come to the conclusion that it is the shift interlock solenoid, and I was wondering if there is a way to bypass this while still having the brake lights work? I was also wondering if you could provide me with a wiring diagram?







