Heater stays on

Tiny
BESSIE SMIDT
  • MEMBER
  • 2004 PONTIAC GRAND AM
  • 1,000 MILES
My heater does not turn off. What should I do? It stays on all the time.
Monday, August 5th, 2019 AT 3:54 AM

1 Reply

Tiny
KENW1
  • MECHANIC
  • 213 POSTS
Thanks for visiting 2CarPros.

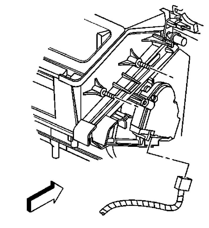
Most often this is a result of the blend door actuator failing. Very common problem on GM vehicles. Changing it requires removing the glove box and accessing the actuator. Usually you just push in the sides of the glove box and you'll be able to drop it down. I'll post information on changing it below. The part is around 50 and labor time is .7 hour if you decide to have a shop do it. You may also find the guide below helpful

https://www.2carpros.com/articles/replace-blend-door-motor

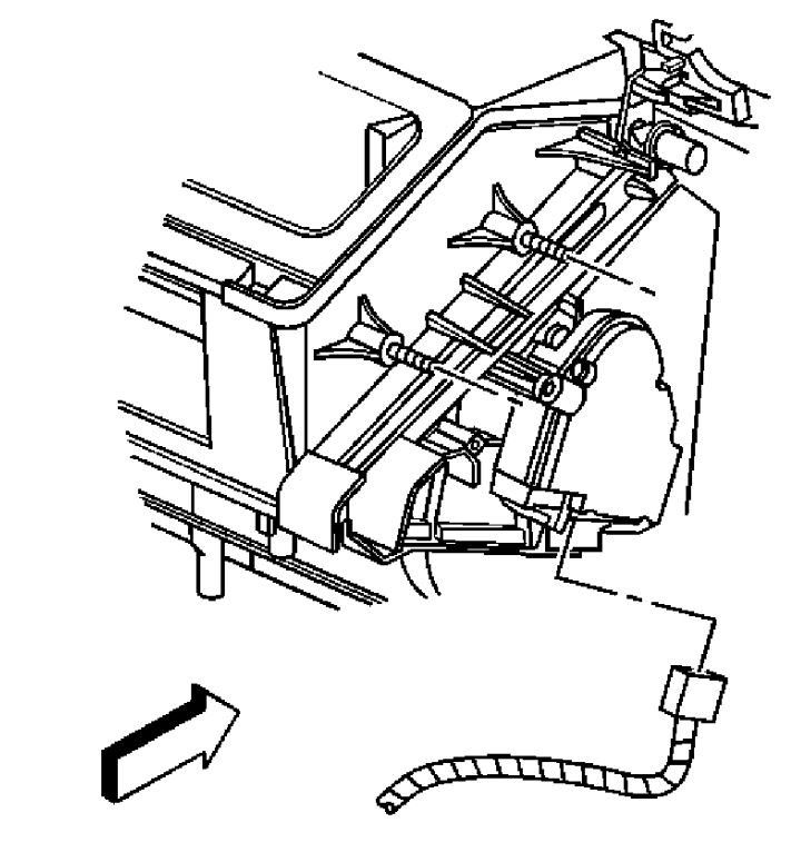
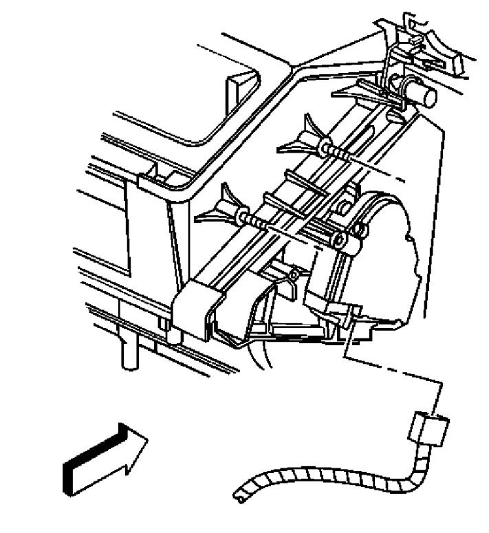
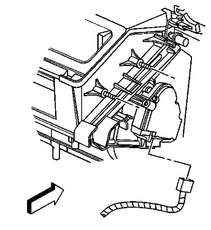
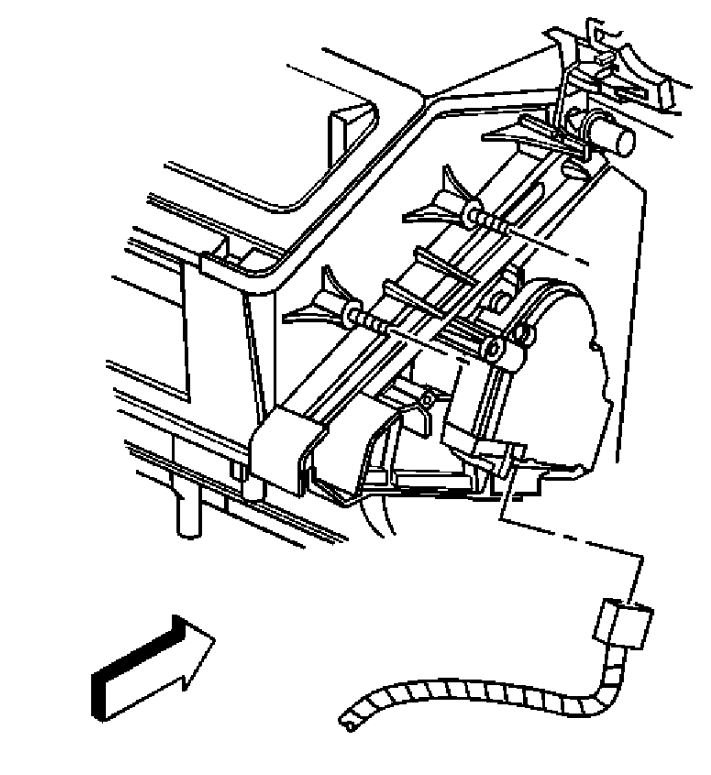
1. Remove the instrument panel compartment.
2. Disconnect the temperature actuator electrical connector.
3. Remove the two screws from the actuator.
4. Remove the actuator.

INSTALLATION PROCEDURE

1. Install the actuator. Install the actuator screws.

NOTE: Refer to Fastener Notice in Service Precautions.

Tighten
Tighten the screws to 2 N.m (18 lb in).

2. Connect the temperature actuator electrical connector.
3. Install the instrument panel compartment.
Was this
answer
helpful?
Yes
No
Monday, August 5th, 2019 AT 9:12 PM

Please login or register to post a reply.