Monday, June 18th, 2018 AT 1:41 PM
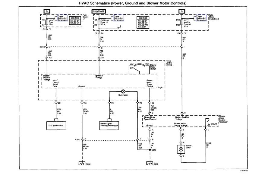
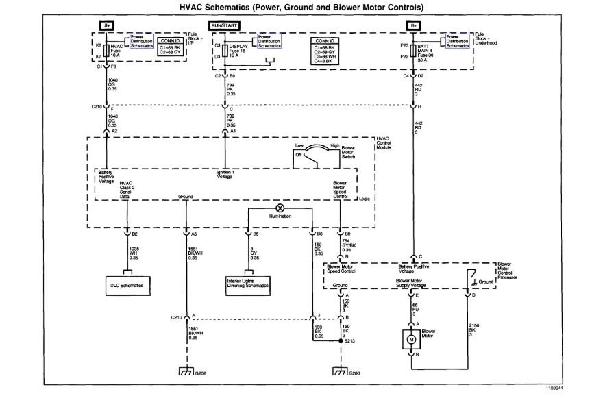
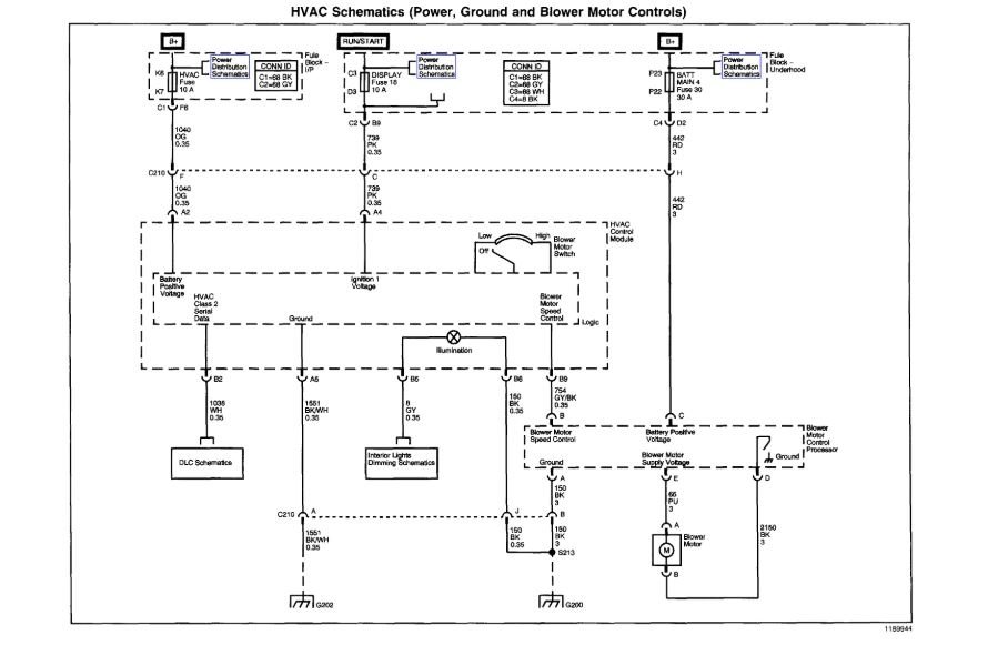
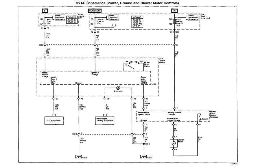
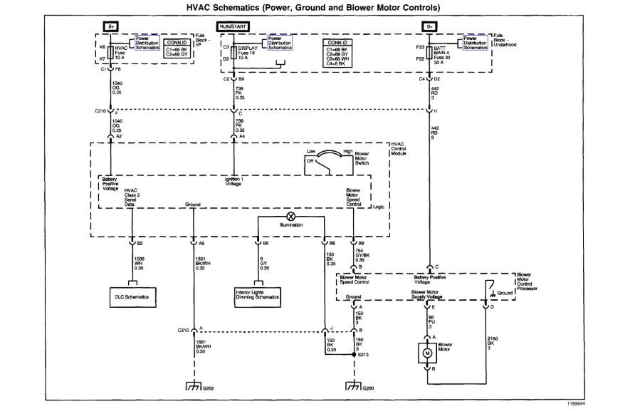
My heater will not work at all, I mean the controller. I can turn the heater speed knob and nothing happens, I can turn the hot to cold selector knob and nothing happens the blend door flapper that it controls does not make a sound and also the third knob the vent selection control knob will not do anything. It appears to have power going to it as the lights on all the knobs work. I have put a new ignition switch in it [bottom electrical and lock cylinder]. I took the blower motor out and straight wired it and it works fine. I tested voltage at the blower motor and it is getting twelve volts on the hot side, I also put a new Blower motor Resister in it and still nothing happens. It has a TSB that says to put a capacitor in line at the blower motor control module I tried that to. Also, I have checked all the fuses. The battery main under the hood and the HVAC in the dash they look fine. Any Help would be greatly appreciated. Thanks



