Monday, October 10th, 2022 AT 4:31 PM
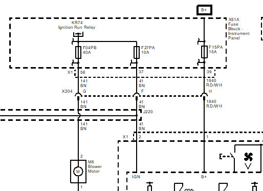
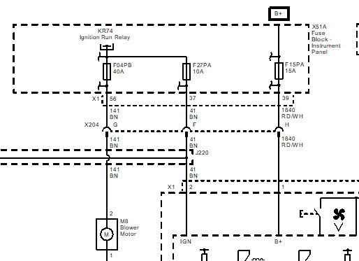
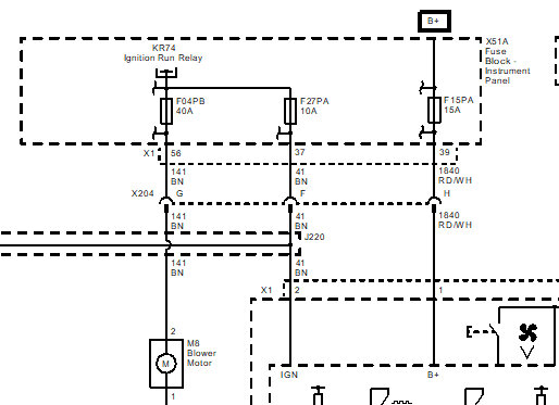
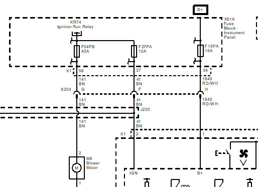
The car listed above is a Sport model. When I turn on heater it only blows out cold air. The speed of the air is fine. When it comes to changing which vent, I want the air to blow out of it does not change. I cannot get heat to come out nor change where it blows out like defrost, feet, face etc. I changed thermostat and flushed. I changed the heat air door actuator and replaced it on the driver's side and it still does not change. Do I have to replace the passenger side also? I do not know what else to do and it’s getting to be wintertime here. A little bit of a cold ride. Please any advice.





