Friday, March 4th, 2022 AT 4:55 PM
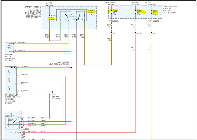
When I start my car, the display for my heating/cooling 2ill light up, go dark, light up, etc. If I try to turn it on before driving, it won't work. Sometimes it will intermittently blow ice cold air for 10 seconds then shut off and repeat this pattern. I can push and hold the "off" button and sometimes this will help. Usually, after about 10 minutes of driving, I can turn the heat on. Although sometimes, it will still kick off again. I am clueless as to the source of this issue. Any ideas? Thanks!






