Thursday, February 7th, 2019 AT 8:16 AM
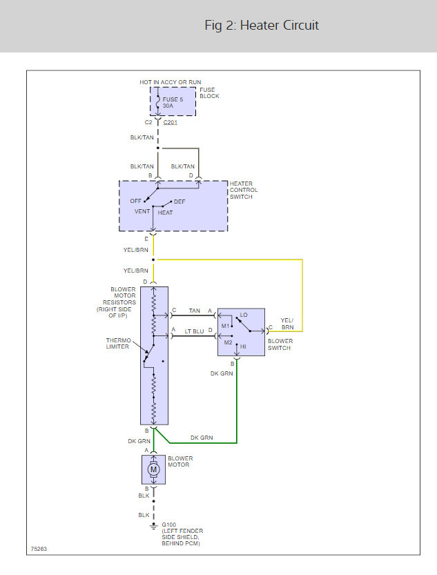
To start I have replaced the blower motor and the heat control switch, and it still does not work at all. It does not turn on, does not even make any sound. Before it completely shut off it was making a grinding noise which I was told was the blower motor. So when it completely switched off I was told it was the heat control switch. What else can I do? I have used the money I had left to buy these parts, but now it is in the negative degrees and I cannot even defrost my car.








