Heater inoperative

Tiny
MRJAXX
  • MEMBER
  • 1999 CHEVROLET SUBURBAN
  • V8
  • AUTOMATIC
  • 150,000 MILES
I have changed the relay. I have checked the blower motor and that works when power to it. I have checked for power when I switch between off and high and I get some power like five volts at the motor itself. So I changed another relay I found behind the glovebox. Also on the heater control head the lights do not come on when I push the AC or recirculation buttons. Could this unit be the problem or should I change the resistor? One more thing there are three different controls in the car and none of them work. And yes I did look for bad fuses.
Thank so much and I hope you can help me.
Todd
Wednesday, November 23rd, 2016 AT 9:53 AM

20 Replies

Tiny
HMAC300
  • MECHANIC
  • 48,601 POSTS
Check to see if the harness is burnt up there was a problem with this. It runs from control to resistor the wires will look melted to gether. Gm parts direct sells a kit maybe auto parts does as wll.
Was this
answer
helpful?
Yes
No
Wednesday, November 23rd, 2016 AT 12:19 PM
Tiny
MRJAXX
  • MEMBER
  • 22 POSTS
Harness is good but what about the control with the fan settings have you heard of that going bad
Was this
answer
helpful?
Yes
No
Wednesday, November 23rd, 2016 AT 1:05 PM
Tiny
HMAC300
  • MECHANIC
  • 48,601 POSTS
It could but when you replace the control it has to be programmed to your vehicle. Check resistor for power in all positions except high, blower relay is in pic on front of firewall heater housing. There is a 50 amp fuse under hood in fuse box. For blower as well.
Was this
answer
helpful?
Yes
No
Wednesday, November 23rd, 2016 AT 1:12 PM
Tiny
MRJAXX
  • MEMBER
  • 22 POSTS
I have power at the resistor in all but one and it's a really weak power though only 5volts
Was this
answer
helpful?
Yes
No
Wednesday, November 23rd, 2016 AT 1:27 PM
Tiny
MRJAXX
  • MEMBER
  • 22 POSTS
50 amp fuse is good
Was this
answer
helpful?
Yes
No
Wednesday, November 23rd, 2016 AT 1:28 PM
Tiny
MRJAXX
  • MEMBER
  • 22 POSTS
Yes and I changed the relay that is in the diagram you sent
Was this
answer
helpful?
Yes
No
Wednesday, November 23rd, 2016 AT 1:30 PM
Tiny
HMAC300
  • MECHANIC
  • 48,601 POSTS
At the relay with blower on high, check red wire to see what voltage is then check purple wire to see what that voltage is that should be 12 volts. On both red is input and purple goes to motor. If not the relay is not working. Was it another relay or a new one. The orange wire comes from the switch. Blue goes to resistor on lower speeds.
Was this
answer
helpful?
Yes
No
Wednesday, November 23rd, 2016 AT 3:54 PM
Tiny
MRJAXX
  • MEMBER
  • 22 POSTS
Ok I checked the power. 12 on red 5 on orange 0 with purple and blue with the switch on high. What the heck could it be beside that darn control head? Hey thanks again for your help here. Getting it to a mechanic is not an option where I am at, so your all I have on this.
Was this
answer
helpful?
Yes
No
Thursday, November 24th, 2016 AT 11:57 AM
Tiny
HMAC300
  • MECHANIC
  • 48,601 POSTS
Well it my be the switch or control head which should be programmed to your car. As you switched it already and never programmed it a mechanic has to scan it to find out what the problem is.
Was this
answer
helpful?
Yes
No
Thursday, November 24th, 2016 AT 4:35 PM
Tiny
MRJAXX
  • MEMBER
  • 22 POSTS
Ok the switch is not separate from the control head. Going to a mechanic is not an option in in a totally different country and had to order the relay from amizon. Getting 12 volts going into the relay if the key is on and when the key is totally off. Only 5volts getting to the motor in any setting.
Was this
answer
helpful?
Yes
No
Thursday, November 24th, 2016 AT 6:53 PM
Tiny
KEN L
  • MASTER CERTIFIED MECHANIC
  • 55,266 POSTS
Hey Mrjaxx,

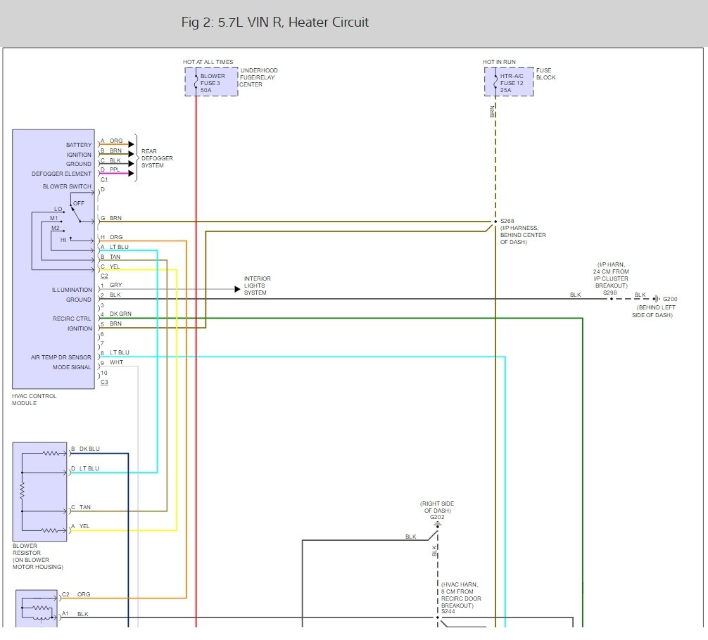
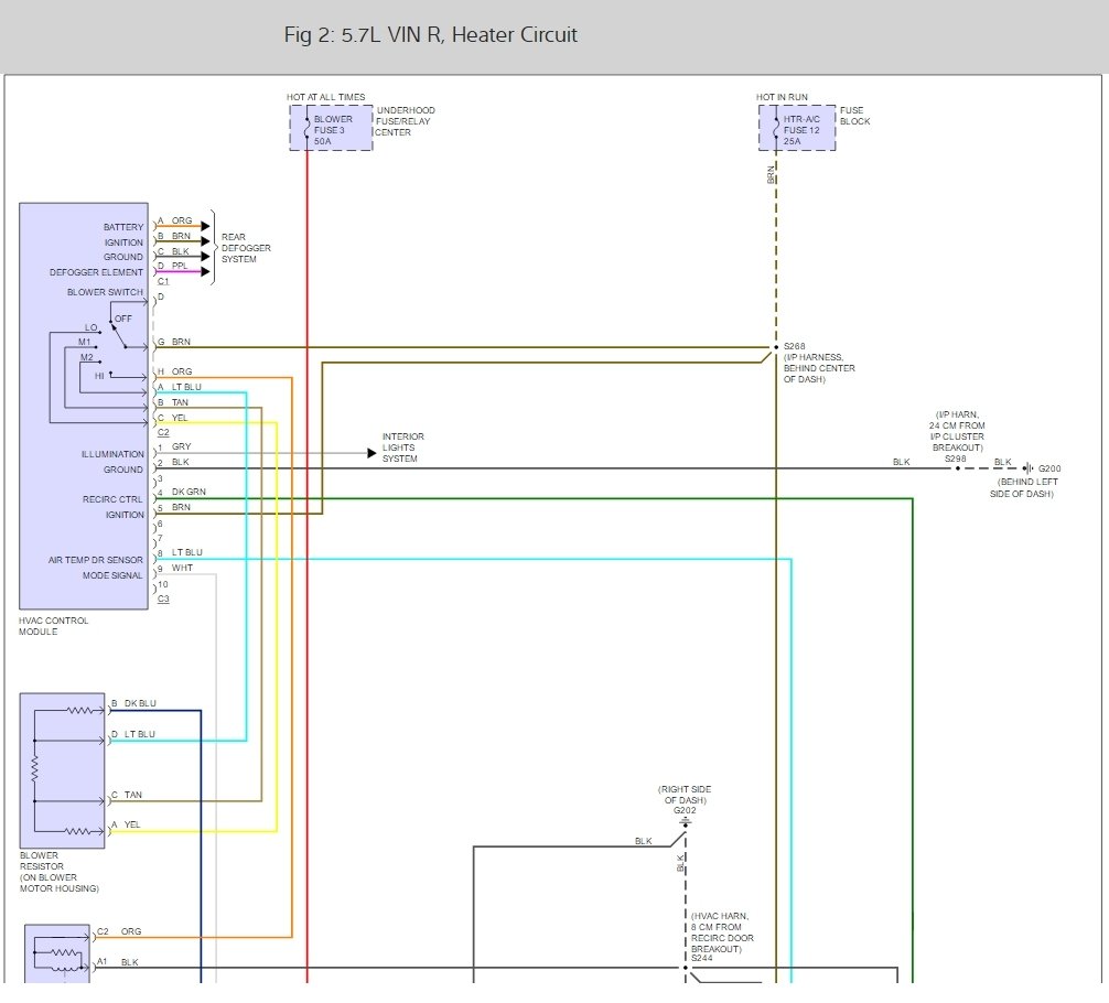
I found the complete wiring diagram for you so you can test for the voltage drop.

Please run some tests and get back to us so we can continue helping you.

Best, Ken
Was this
answer
helpful?
Yes
No
Saturday, November 26th, 2016 AT 8:20 PM
Tiny
MRJAXX
  • MEMBER
  • 22 POSTS
Ok so this part here I do not know what it is but it has been making a clicking noise all the time and when it does the lights go on for the heater control and four wheel drive. It appears the wires go from this being the power for the heater when key is on? Maybe this is the underlying problem? Please let me know also what it is.
Thank you, Todd
Was this
answer
helpful?
Yes
No
Monday, November 28th, 2016 AT 9:24 AM
Tiny
KEN L
  • MASTER CERTIFIED MECHANIC
  • 55,266 POSTS
Hey,

That is a transfer case module and has been updated to a 12577421 part number. But I would try unplugging the transfer case actuators before replacing that because that can cause the module to act up.

Best, Ken
Was this
answer
helpful?
Yes
No
Monday, November 28th, 2016 AT 10:29 AM
Tiny
MRJAXX
  • MEMBER
  • 22 POSTS
Hi ken
Thanks for the quick response. So this could be my problem is that what your saying? At one point awhile back I was messing with wires for the stereo under the dash and grounded it out so I might have blown this box. Possible? Anyway I re plugged the connections and still have the same clicking.

Best Todd
Was this
answer
helpful?
Yes
No
Monday, November 28th, 2016 AT 11:12 AM
Tiny
HMAC300
  • MECHANIC
  • 48,601 POSTS
That shouldn't have anything to do with heater problem.
Was this
answer
helpful?
Yes
No
Monday, November 28th, 2016 AT 12:29 PM
Tiny
MRJAXX
  • MEMBER
  • 22 POSTS
The voltage going into the control head is only 5vols when ignition is on. Any thoughts?
Was this
answer
helpful?
Yes
No
Monday, November 28th, 2016 AT 1:44 PM
Tiny
HMAC300
  • MECHANIC
  • 48,601 POSTS
Check fuse 12 with ignition on to see how many volts are going through it if still 5 volts check your ignition switch orange wire with key on if low voltage your switch is bad.
Was this
answer
helpful?
Yes
No
Monday, November 28th, 2016 AT 3:55 PM
Tiny
MRJAXX
  • MEMBER
  • 22 POSTS
Ok I will check. What switch would be bad the ignition or the heater switch?
Was this
answer
helpful?
Yes
No
Wednesday, November 30th, 2016 AT 2:00 AM
Tiny
MRJAXX
  • MEMBER
  • 22 POSTS
Ok I'm back to thinking it's the control head though all the information I'm getting checks out good but still no working blower. I also cannot hear the door opening and closing when going from floor to defrost plus rear defrost light does not come on
Was this
answer
helpful?
Yes
No
Wednesday, November 30th, 2016 AT 7:21 AM
Tiny
KEN L
  • MASTER CERTIFIED MECHANIC
  • 55,266 POSTS
Yep it sounds like its the control head, let us know what happens.
Was this
answer
helpful?
Yes
No
Wednesday, November 30th, 2016 AT 8:52 AM

Please login or register to post a reply.