Wet windshield inside the car, wet carpet and losing coolant, how do I replace the heater core?

Tiny
THEMAILMAN
  • MEMBER
  • 1999 BUICK CENTURY
  • 3.1L
  • V6
  • 2WD
  • AUTOMATIC
  • 170,000 MILES
Wet windshield inside the car. Wet carpet. Losing coolant. And I occasionally smell antifreeze. Yup. Best time of year to need a heater core. The only other leak I found in the system appeared to be that the radiator cap wasn't holding perfectly at full warm temperature. I need the step by step on the heater core job if possible. YouTube turned up no decent results other than a shirtless guy saying what not to do as he had the whole dash torn apart, and I've never seen any reason to have to do that on an old Buick like this one. Anyways, help!
Monday, January 16th, 2023 AT 7:57 AM

3 Replies

Tiny
STEVE W.
  • MECHANIC
  • 15,700 POSTS
The book process is as follows. For the most part it's a standard core swap with no need to strip out the dash. You may need to remove the center console if it has one.

1. Remove the air cleaner and duct assembly.
2. Drain the coolant.
3. Disconnect both of the heater hoses at the heater core.
4. Remove the lower the floor console, if equipped.
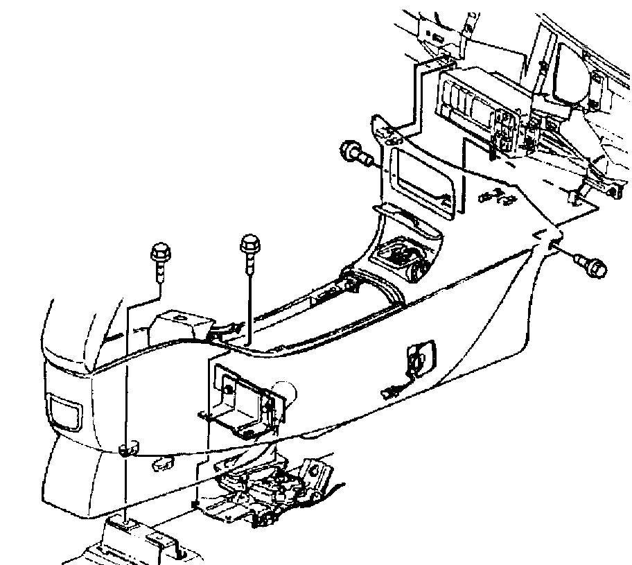
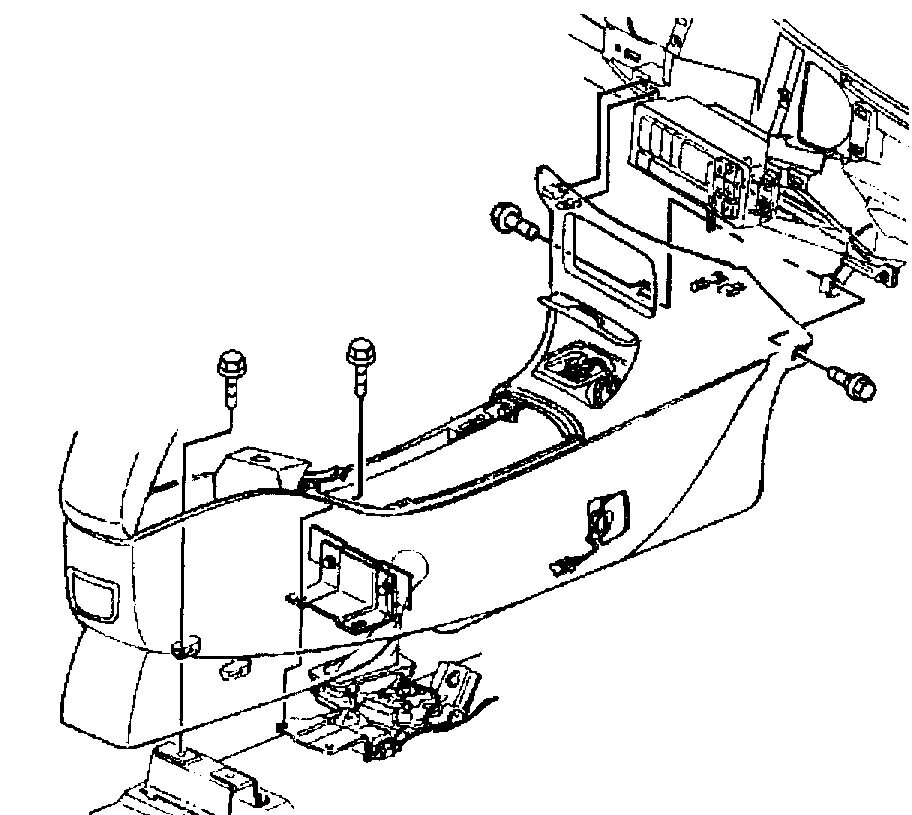
For that the following is the process and the first 3 images
Disconnect the battery ground negative cable.
Reposition the transaxle shift lever to the LOW position.
Remove the front floor console trim plate.
Remove the rubber mat from the storage compartment in the front floor console.
Remove the bolts from the storage compartment area of the front floor console.
Remove the bolts from the front floor console mounting bracket at the rear of the
transaxle shift lever.
Remove the bolts from the LH and RH front sides of the front floor console.
Disconnect the electrical connectors.
Pull the front floor console rearward in order to release the retainers from the instrument
panel.
Remove front floor console from the vehicle.

Then continue the core removal as follows

5. Remove the LH and RH instrument panel insulators.
6. Remove the heater core outlet cover screws.
7. Remove the heater core outlet cover.
8. Remove the heater core cover screws.
9. Remove the heater core cover.

The next 2 steps are optional if you could get the new seals which for a 1999 isn't likely. You could buy some foam weatherstripping of the correct sizes and just replace all of the case seals. They are shown in the 8th image

10. Remove and discard the seals (1, 2, 3) from the heater core cover.
11. Remove and discard the heater core outer seal (5) from the heater core.

12. Remove the heater core line clamp screw (1).
13. Remove the heater core retaining clamp.
14. Remove the heater core pipe retainer clamp screw (2).
15. Remove the heater core from the HVAC lower case.

The next 4 steps are optional as well. You could buy some foam weatherstripping of the correct sizes and just replace all of the case seals. Or only those that are damaged. These are shown in the last image. All the blue items.

16. Remove and discard the heater core lower seal (4) from the HVAC case.
17. Remove and discard the heater core center seal (3) from the HVAC case.
18. Remove and discard the heater core upper seal (2) from the HVAC lower case.
19. Remove and discard the heater core side seals (1) from the HVAC lower case.
Was this
answer
helpful?
Yes
No
Monday, January 16th, 2023 AT 11:49 AM
Tiny
THEMAILMAN
  • MEMBER
  • 112 POSTS
Hmm. Well, as it turns out, sorry, but I got bored after fixing some other things and just dug in and figured it out. Pulled out the cigarette lighter assembly. The vent thingy behind it. That took a little shimmying, but it came out. The cover and attached whatever behind the vent thingy. And there was the core. 8 screws in all. Never saw one so easy to change. Then again, it's been changed before. And things were left loose, screws were missing. The one that came out is aftermarket, like every other part on this car that I've had to replace since I bought it. Go figure. Oddly, the hardest part of the job was getting the stubborn hoses off. Tight space. Ended up using a tiny pair of pliers on the clamps and every bit of hand strength I had for to lack of leverage in the handles.

Now I can get around to changing the stuck open thermostat. It'll be nice having proper heat again. I've avoided that due to not wanting to put the excess pressure on the leaky core. Fret not, I know how to do that job without even taking the throttle body off. I've done it about a dozen times over the years. That trick saves at least a half hour and likely a throttle body gasket.
Was this
answer
helpful?
Yes
No
Monday, January 16th, 2023 AT 2:37 PM
Tiny
JACOBANDNICKOLAS
  • MECHANIC
  • 110,194 POSTS
Hi,

Thanks for the update. It sounds like you have the issue resolved. If you have other questions or if we can help, let us know.

Take care,

Joe
Was this
answer
helpful?
Yes
No
Wednesday, January 18th, 2023 AT 7:15 PM

Please login or register to post a reply.