How to remove the heater core?

Tiny
KERSHLARRY
  • MEMBER
  • 2000 CHEVROLET TRACKER
  • 2.0L
  • 4 CYL
  • 2WD
  • AUTOMATIC
  • 150,000 MILES
Details to remove heater core.
Saturday, August 21st, 2021 AT 11:44 AM

1 Reply

Tiny
SQM
  • MECHANIC
  • 6,383 POSTS
Hello,

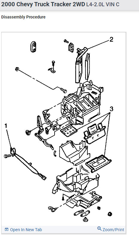
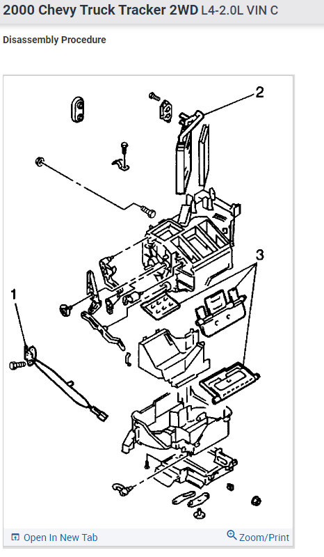
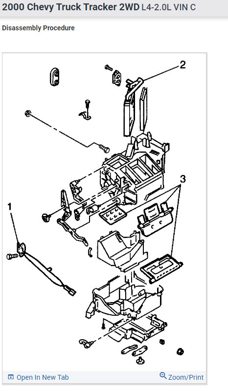
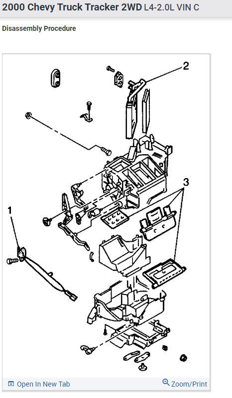
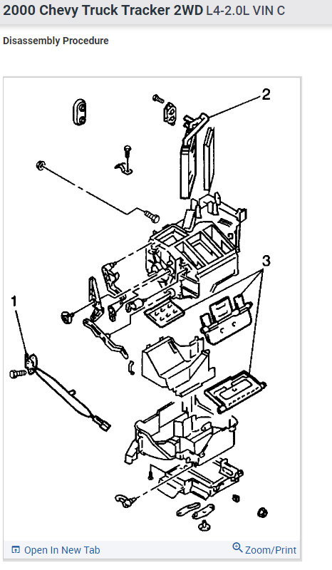
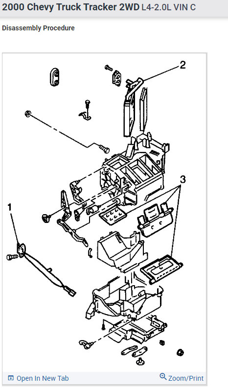
I have attached the heater core replacement procedure for your reference.
Remember to drain the coolant before getting started and always work on the cooling system when the engine is cold.

This guide might be helpful:

https://www.2carpros.com/articles/replace-heater-core

Please let me know of any questions.

Thank you.
Was this
answer
helpful?
Yes
No
Saturday, August 21st, 2021 AT 3:14 PM

Please login or register to post a reply.