Wednesday, February 5th, 2020 AT 8:29 AM
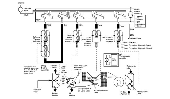
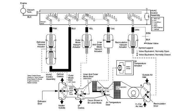
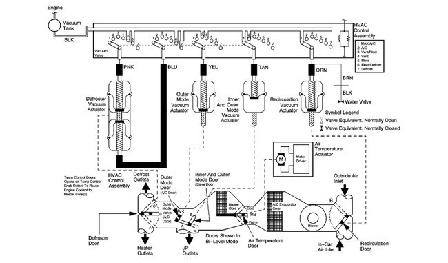
On the van, if I have the temperature switch in the full cold position I get cold outside air. However, once I click 1 or 2 notches off the cold, it blown full hot. Cannot get it to balance between.








