HOME
ASK A QUESTION
REPAIR GUIDES
BECOME A MEMBER
LOG IN
Login with Facebook
OR
Remember me
NOT A MEMBER?
FORGOT PASSWORD?
CONTACT US
PRIVACY POLICY
TERMS AND CONDITIONS
☰
Home
Toyota
Camry
Climate Control
Blower Fan
Heater blower cannot figure out the wiring
DEBBEE L. MULCAREASHLEY
MEMBER
1991 TOYOTA CAMRY
2,600 MILES
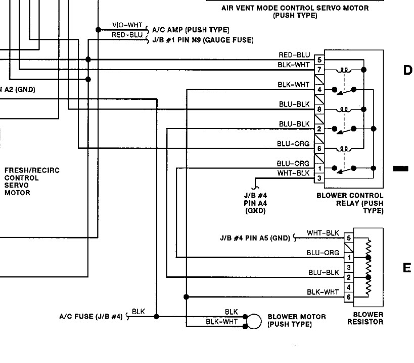
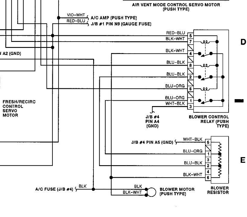
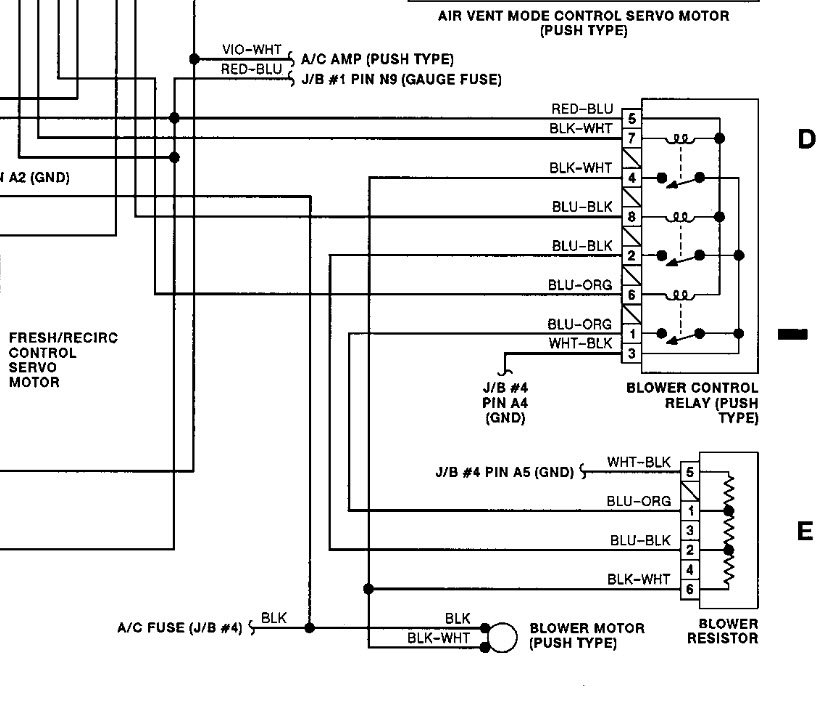
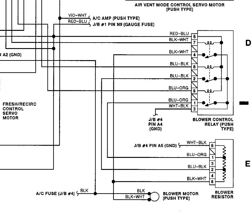
Got the new one back in but cannot figure out the wiring.
Thursday, December 22nd, 2016 AT 10:58 AM
1 Reply
HMAC300
MECHANIC
48,601 POSTS
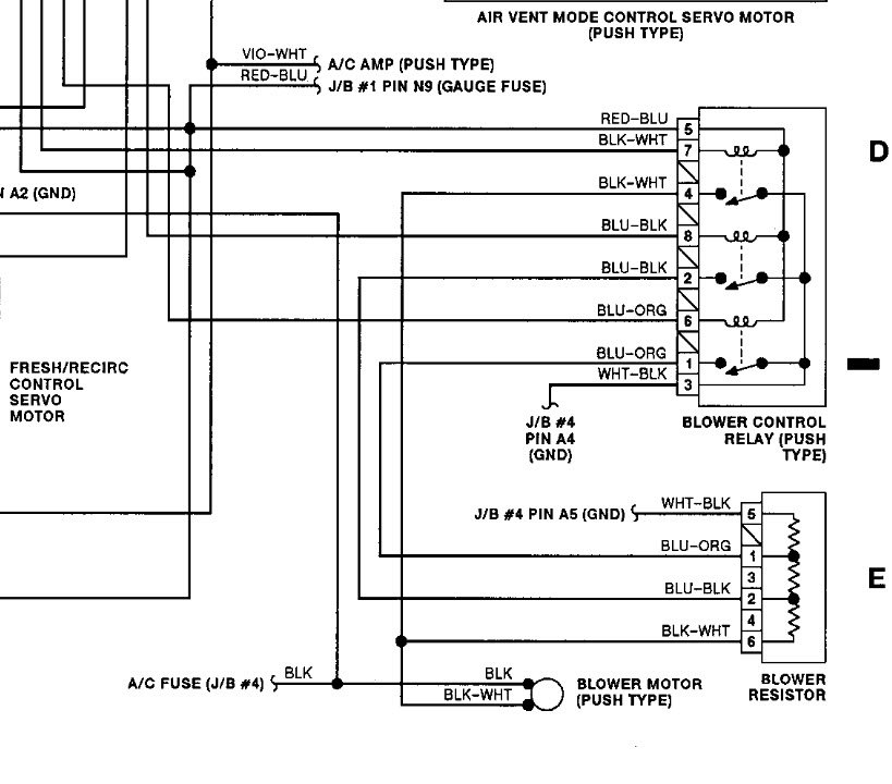
Not sure what you want, but this goes from relays to blower. See picture.
Image (Click to make bigger)
Was this
answer
helpful?
Yes
No
Thursday, December 22nd, 2016 AT 11:55 AM
Please
login
or
register
to post a reply.
Related Blower Fan Content
1991 Toyota Camry Slow To Heat
Bearly Puts Out Heat. When The Heater Fan Is Turned On, The Temperature Gage Drops Back To Cold. Is This An Expensive Repair?
Asked by
grandsonI
·
3 ANSWERS
1991
TOYOTA CAMRY
VIDEO
Blower Motor Replacement
Instructional repair video
GUIDE
Blower Fan Motor Works on High Only
Does your blower fan work on the high speed setting only? This problem is a classic blower motor resistor problem which is common on vehicles that use manual fan speed ...
1999 Toyota Camry Blower Motor
Heater Problem 1999 Toyota Camry 6 Cyl Two Wheel Drive Automatic Wher Is The Blower Motor Found In 1999 Camary.
Asked by
horsshr
·
2 ANSWERS
1999
TOYOTA CAMRY
1998 Toyota Camry Fumes
Strong Smell Of Gas When Heater Fan Is Turned On. Just Started Today.
Asked by
Annceline
·
1 ANSWER
1998
TOYOTA CAMRY
1999 Toyota Camry Fan Switch
To Turn My Ac Or Heat Fan, I Have To Turn It To High To Get It To Come On. All Of The Lower Settings Do Nothing. It Still Works Good, It...
Asked by
barekhunt
·
1 ANSWER
1999
TOYOTA CAMRY
I Have Blower Motore Problems
What Would Cause The Blower Motor To Quit, Then Re-start, Then Quit Again? Happens More With A/c In Summer, Not As Much In Winter (heat...
Asked by
P.CoxLV
·
1 ANSWER
2004
TOYOTA CAMRY
VIEW MORE
Ask a Car Question. It's Free!
Blower Fan Motor Failure Symptoms
Blower Fan Motor Replacement
Blower Fan Motor Testing