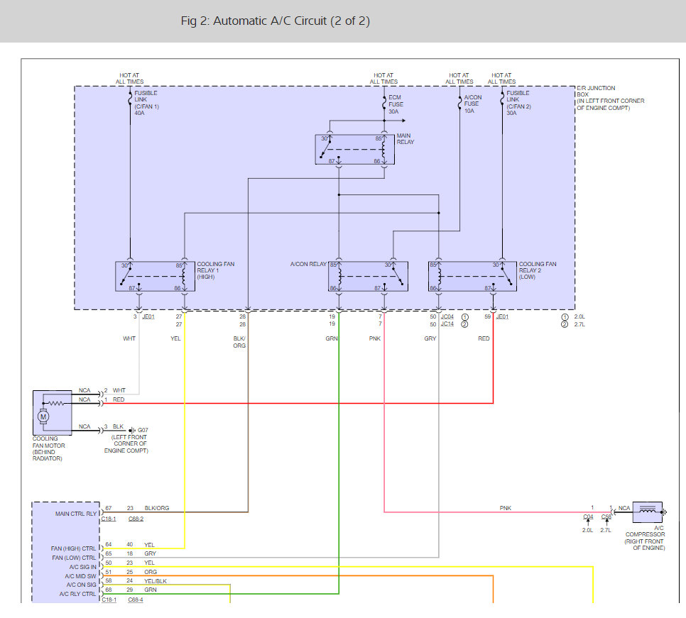
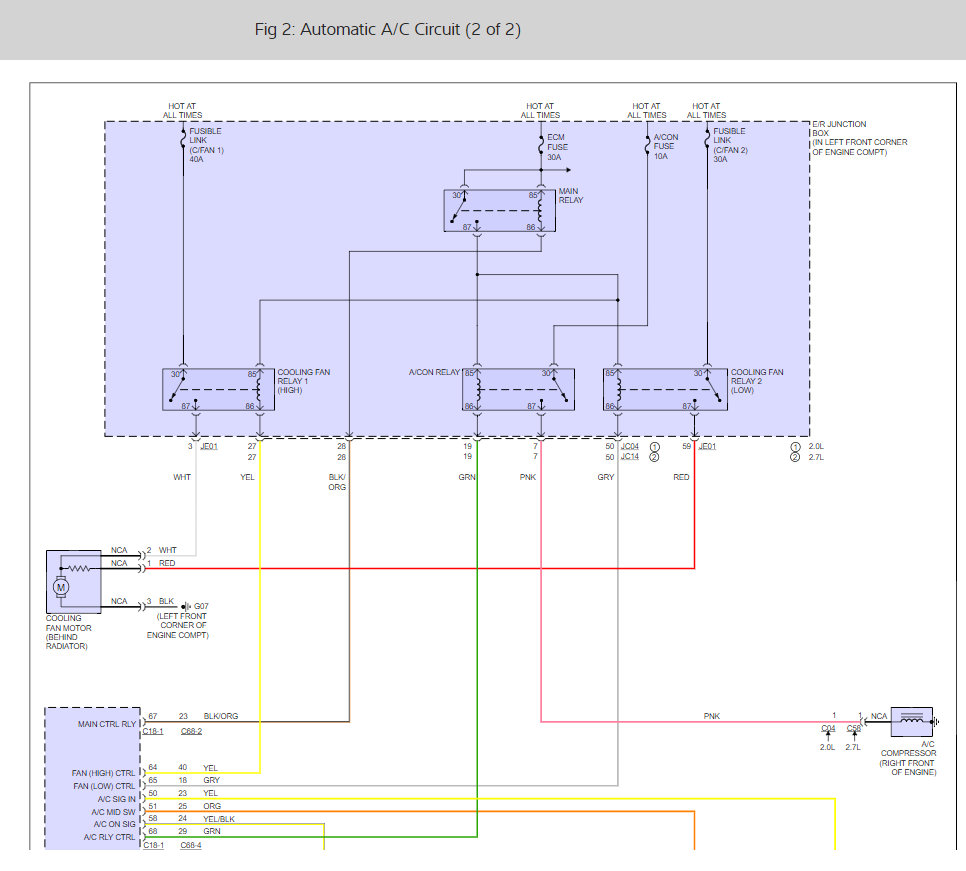
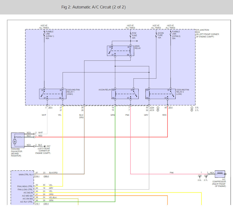
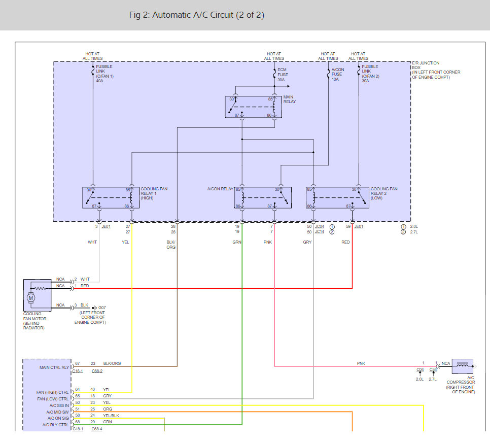
When you turn on the blower motor with the selection knob the fan does not turn on. I have tried replacing the thermistor resistor relay and also the fan itself and it still does not work.
Sep 30, 2017 at 4:04 PM









