My blower motor will not shut off it just keeps going?

Tiny
VERNON G GANO JR
  • MEMBER
  • 2005 NISSAN ALTIMA
  • 3.5L
  • 6 CYL
  • 2WD
  • AUTOMATIC
  • 140,000 MILES
The AC/heat fan will not turn off?
Sunday, May 20th, 2018 AT 2:55 PM

9 Replies

Tiny
KEN L
  • MASTER CERTIFIED MECHANIC
  • 55,322 POSTS
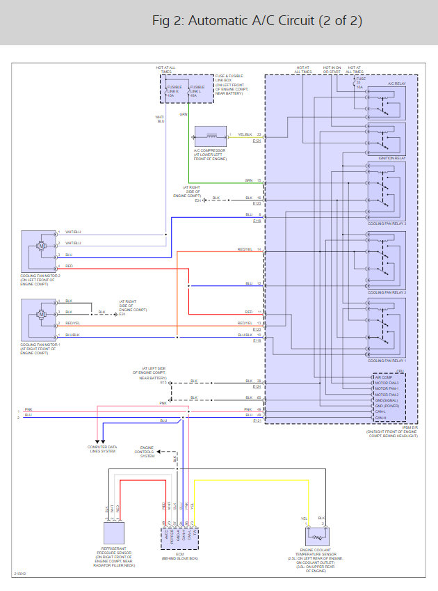
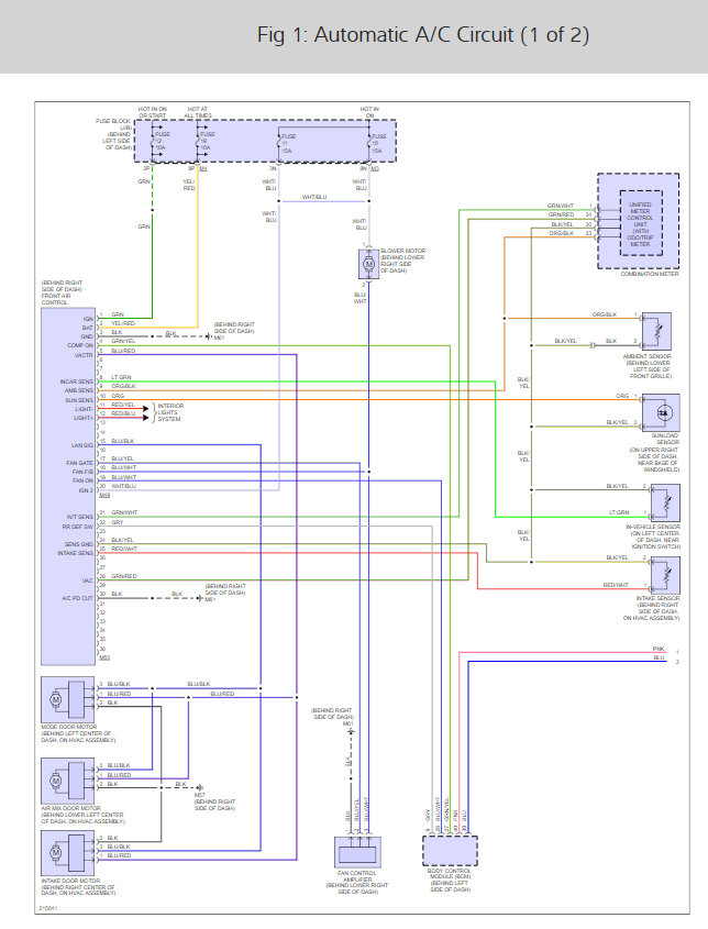
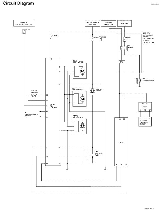
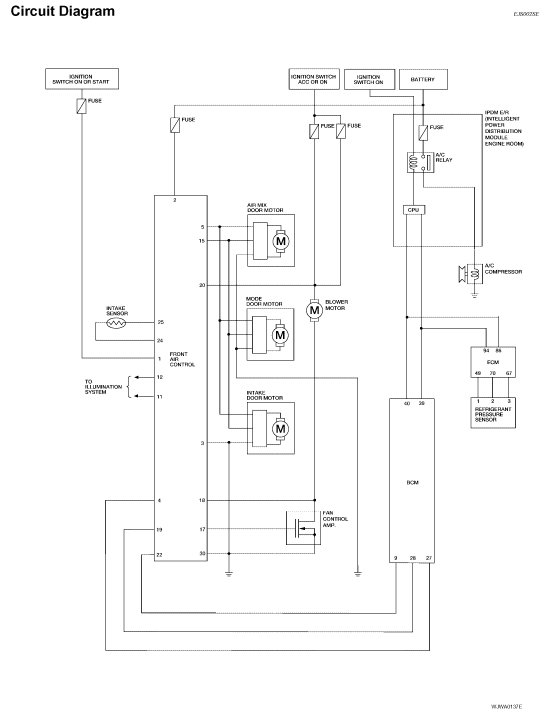
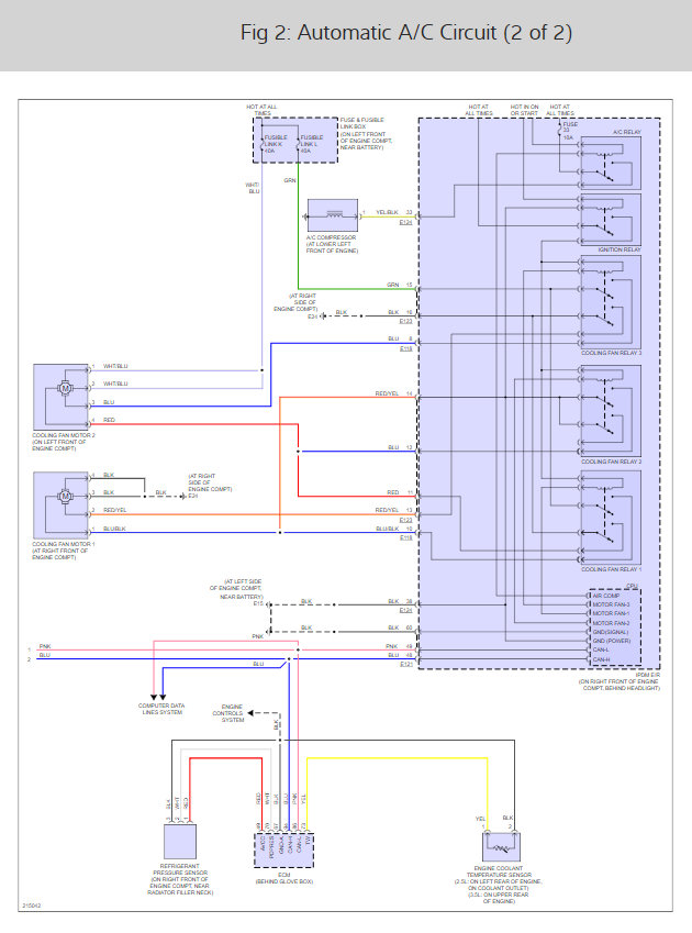
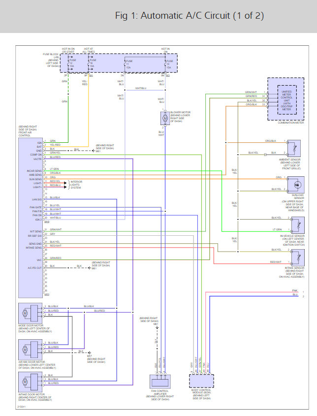
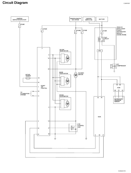
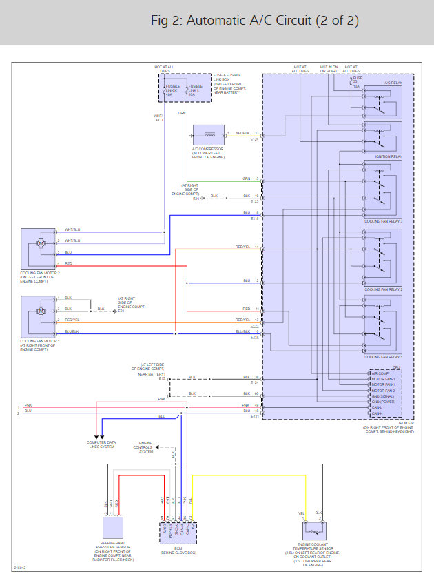
The blower motor is staying on yes? This is caused by the blower motor amplifier shorting out. Below is a blower motor wiring diagram so you can see how the system works and where the amplifier is located unplug it to see if the blower motor stops.

Check out the diagrams (below). Please let us know what happens.

Cheers, Ken
Was this
answer
helpful?
Yes
No
+1
Tuesday, May 22nd, 2018 AT 11:49 AM
Tiny
VERNON G GANO JR
  • MEMBER
  • 2 POSTS
I found and replaced it. Works fine now thanks.
Was this
answer
helpful?
Yes
No
Wednesday, May 23rd, 2018 AT 6:27 AM
Tiny
KEN L
  • MASTER CERTIFIED MECHANIC
  • 55,322 POSTS
Nice work, we are here to help, please use 2CarPros anytime.

Cheers, Ken
Was this
answer
helpful?
Yes
No
Wednesday, May 23rd, 2018 AT 10:46 AM
Tiny
DAVID020585
  • MEMBER
  • 3 POSTS
  • 2005 NISSAN ALTIMA
Got into my car this morning and my fan blower won't cut off. It stays on high. The heating element and A/C work, as well as the circulation.
Was this
answer
helpful?
Yes
No
+2
Tuesday, May 25th, 2021 AT 11:20 AM (Merged)
Tiny
KASEKENNY
  • MECHANIC
  • 18,907 POSTS
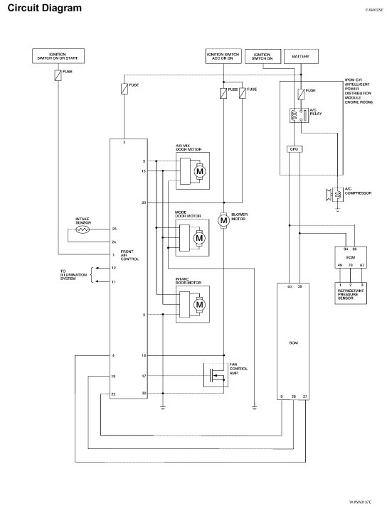
This could be a could things but most likely it is the blower controller is shorted.

In your vehicle this is called the front air control module. We need to test voltage coming from the highlighted wire when changing speed of the fan and i am sure this will not change. If it does not, then we need to suspect the amplifier is the cause. Basically this changes the resistance of the ground to change the speed of the fan.

I attached below the complete testing and replacement if you need to replace the blower or the amp. Let's run through this testing and go from there.

Here is a guide that will with this type of testing:

https://www.2carpros.com/articles/how-to-check-wiring

Thanks
Was this
answer
helpful?
Yes
No
Tuesday, May 25th, 2021 AT 11:20 AM (Merged)
Tiny
JHNBOS
  • MEMBER
  • 1 POST
  • 2005 NISSAN ALTIMA
  • 103,000 MILES
The air is blowing on high even when the A/C is off and the knob is in any position. What else should I check? I can adjust the vents, and where the air blows from (defrost/floor/combo), but it is constantly on high. I have checked all of the fuses and they all are good. The compressor works, and kicks in fine, and the air blows cold with no smell.
Was this
answer
helpful?
Yes
No
+2
Tuesday, May 25th, 2021 AT 11:20 AM (Merged)
Tiny
RIVERMIKERAT
  • MECHANIC
  • 6,110 POSTS
The blower motor is constantly receiving high current. This could be the control module or the fan control switch. Check the blower motor resister for damage or short.
Was this
answer
helpful?
Yes
No
+4
Tuesday, May 25th, 2021 AT 11:20 AM (Merged)
Tiny
NWALKER1
  • MEMBER
  • 2 POSTS
  • 2005 NISSAN ALTIMA
  • 4 CYL
  • 2WD
  • AUTOMATIC
  • 100,000 MILES
I would like to know why the blower won't go off
Was this
answer
helpful?
Yes
No
Tuesday, May 25th, 2021 AT 11:20 AM (Merged)
Tiny
JACOBANDNICKOLAS
  • MECHANIC
  • 110,192 POSTS
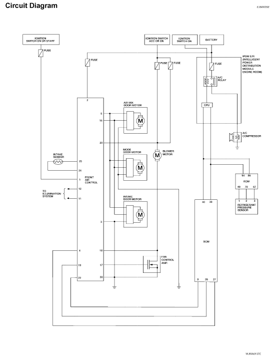
Hi and thanks for using 2CarPros.com. I have to be honest, I have a feeling the switch itself is bad. What I have seen happen with these is the switch melts down internally allowing current to constantly run. Here is what I suggest. First, you need to access the blower motor unit. Here directions and a picture to help do that.

REMOVAL
Remove the glove box assembly. Refer to "Instrument Lower Cover RH and Glove Box".
Remove the ECM.
Disconnect the blower motor, intake door motor and blower motor resistor connector.
Remove the two bolts and one screw from the blower unit, then remove it.
INSTALLATION
Installation is in the reverse order of removal.

Next, you need to access the motor itself. Here are the directions and a picture for that.

BLOWER MOTOR

Removal and Installation
REMOVAL
Remove the blower unit. Refer to "Removal and Installation"
Release the eight tabs attaching blower motor to blower unit case and then remove it.
INSTALLATION
Installation is in the reverse order of removal.

Once you access the motor, disconnect the wiring to it and you will need to check for power to the motor. Here are directions and a video to help you use a test light.

https://youtu.be/Hlna_kUt7As

https://www.2carpros.com/articles/how-to-use-a-test-light-circuit-tester

Now that you have the wiring removed, prove the different wires for power using the test light. See if the power stays on at all times regardless of the switch position. If it does, chances are the switch is bad. If the power supply changes location, suspect a short to power.

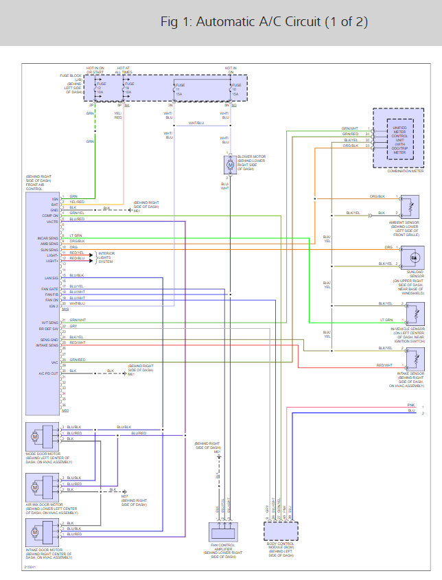
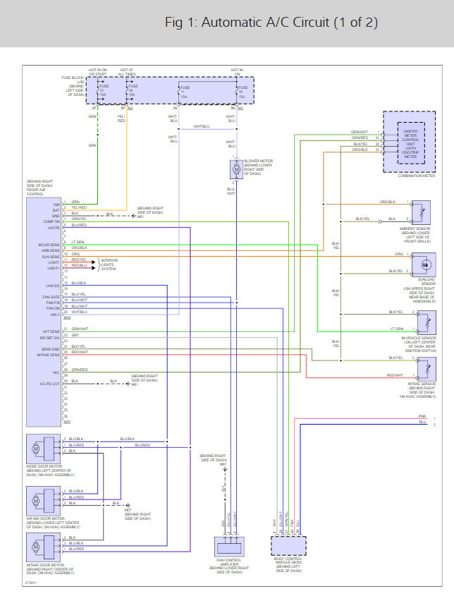
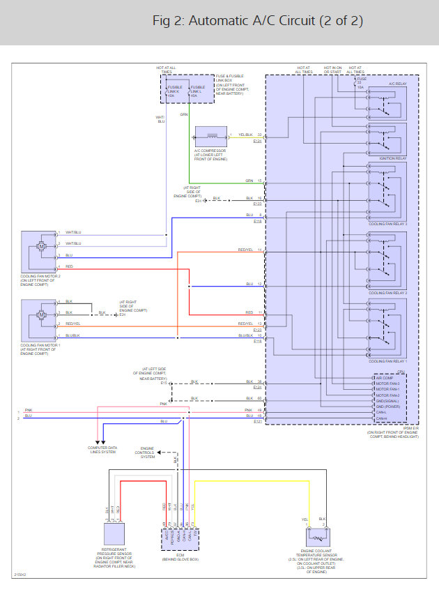
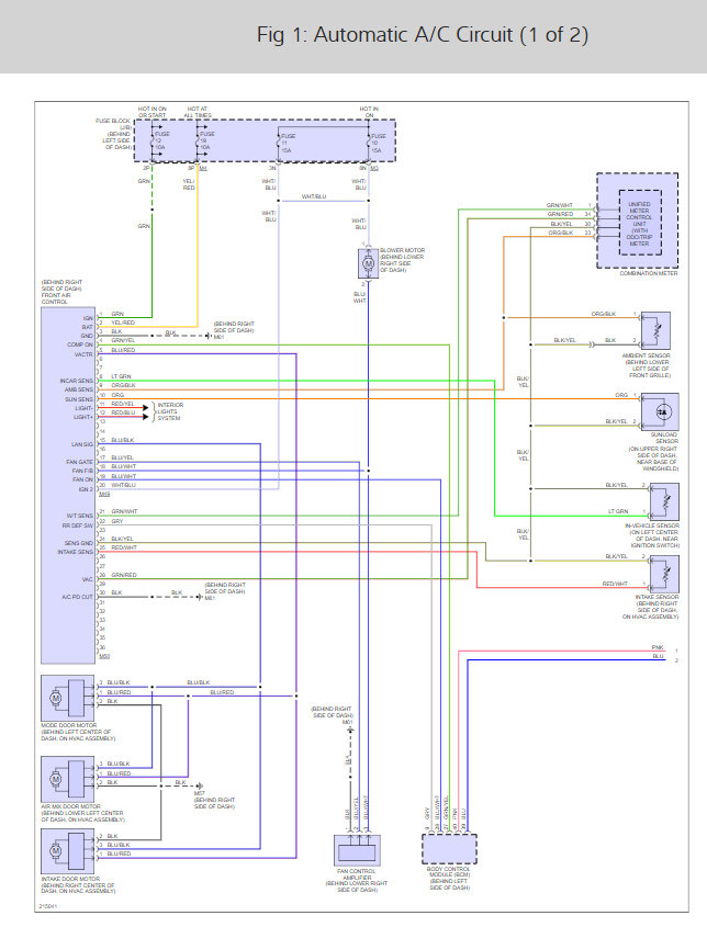
I have attached a wiring schematic for your review. I hope it helps.

Take care and let me know if you identify the problem.

Joe
Was this
answer
helpful?
Yes
No
+1
Tuesday, May 25th, 2021 AT 11:20 AM (Merged)

Please login or register to post a reply.