Wednesday, August 8th, 2018 AT 5:58 PM
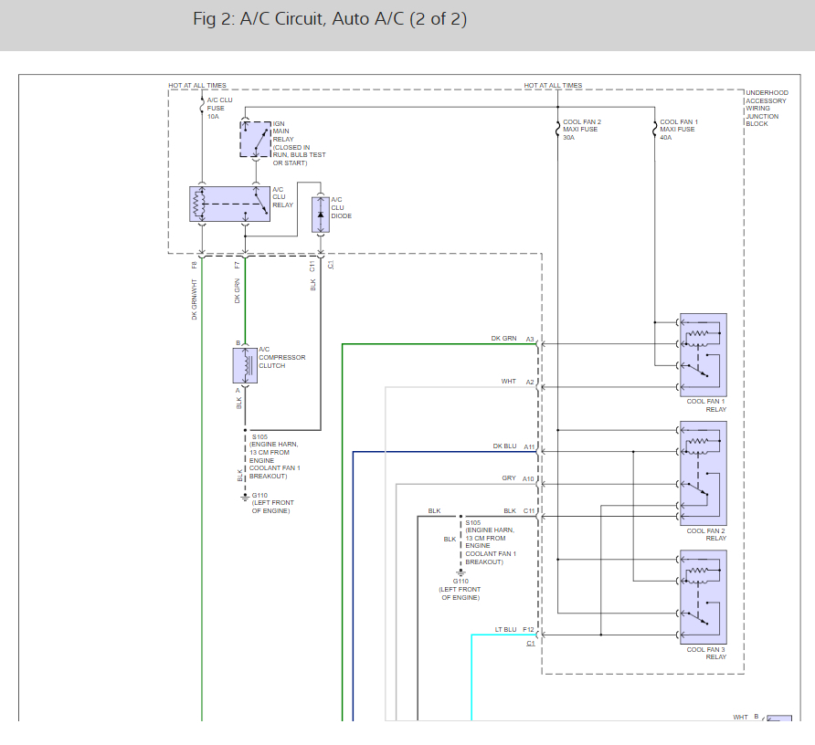
The fan switch worked intermittently at first then just on high. I have replaced the resistor and checked all the fuses now it only clicks when put on high. I have read that it can be the ignition switch sometimes. I do not want to just replace parts. What else can I check before doing that? Thanks






