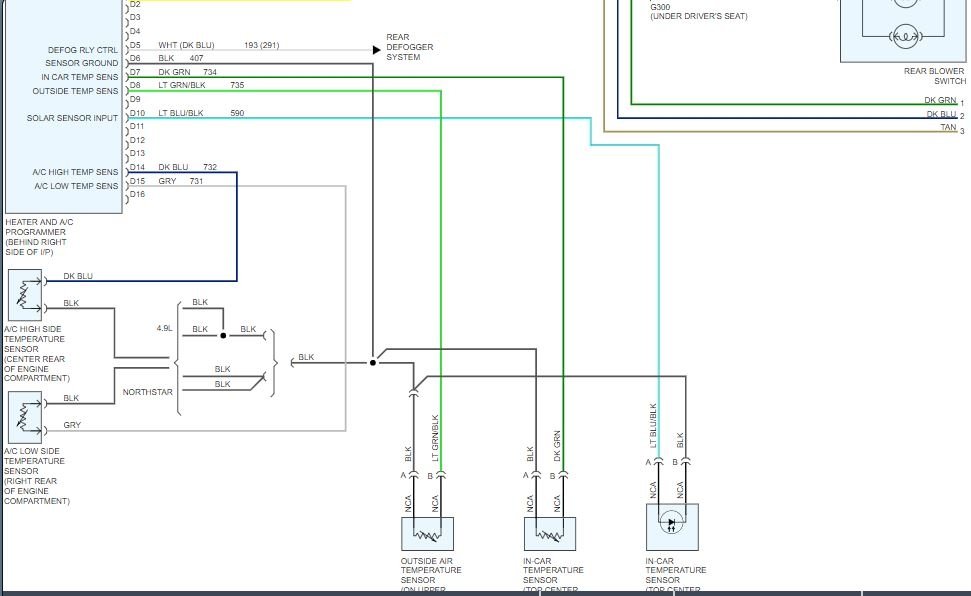
Tuesday, February 4th, 2020 AT 5:53 PM
My heater and A/C does not blow any air. Temperature is set at 90 degrees. When car is off I can hear a motor that shuts off and on when car isn't even in use.












