Heated seat not working, top light flashes

Tiny
BENJAMINTHERERRIBLE
  • MEMBER
  • 2013 KIA SORENTO
  • V6
  • 4WD
  • AUTOMATIC
  • 124,000 MILES
When turning on the heated seat, the 3 lights come on, but then the top light starts to blink, while the other 2 stay on. The heating element does not operate at all.
Checked the connectors for anything loose. Guessing I need to check voltage in individual wires. Where should I start?
Saturday, January 30th, 2021 AT 11:48 AM

1 Reply

Tiny
KASEKENNY
  • MECHANIC
  • 18,907 POSTS
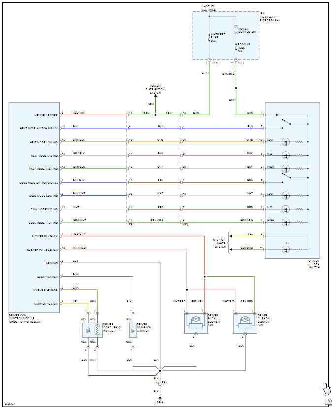
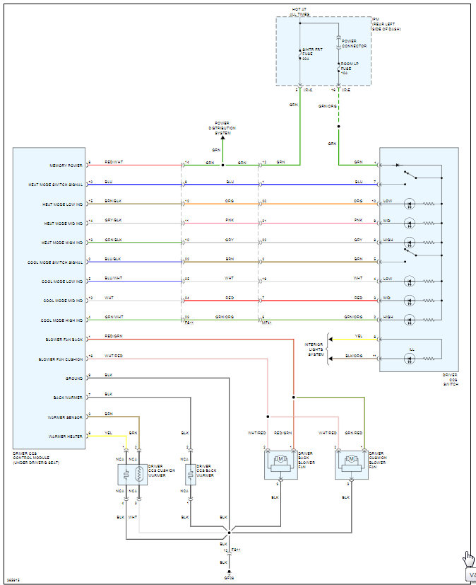
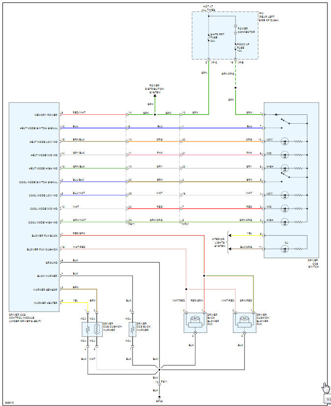
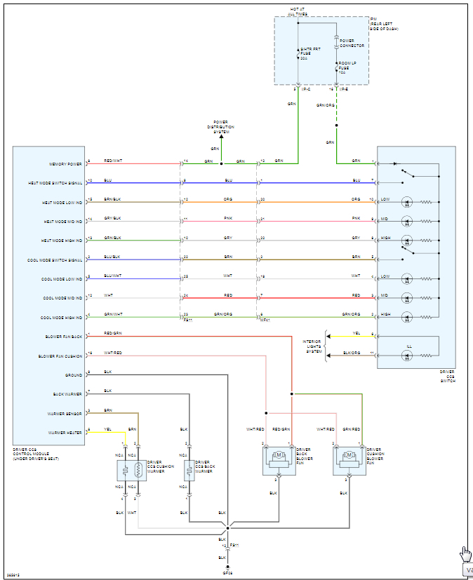
You are correct that we need to check voltage but we also need to check the resistance across the circuits in the heater to find out if the heater is the issue.

Take a look at these wiring diagrams below and turn the heater on and tell us what the voltage is on each of these wires.

Just in general when one of these lights is flashing it indicates an issue in the module or in the circuit that is flashing. So if the top light is flashing that may be for the seat back heater so we need to test each of these voltages coming from the module.

Here is a guide that will help with this if you need it:

https://www.2carpros.com/articles/how-to-check-wiring

Thanks
Was this
answer
helpful?
Yes
No
-1
Sunday, January 31st, 2021 AT 2:56 PM

Please login or register to post a reply.