Heated Seat not Working

Tiny
MARK COPFER
  • MEMBER
  • 2016 FORD EDGE
  • 2.0L
  • 4 CYL
  • 4WD
  • AUTOMATIC
  • 37,000 MILES
The driver's seat will not heat at all. How should I troubleshoot this issue?
Monday, March 2nd, 2020 AT 9:45 AM

1 Reply

Tiny
KEN L
  • MASTER CERTIFIED MECHANIC
  • 55,090 POSTS
Hello,

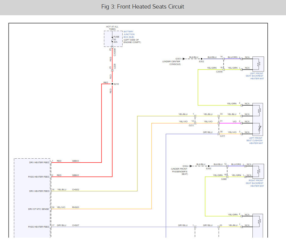
There is a fuse # 65 20 amp in the under hood fuse panel. here is a guide to help you test it and the fuse location with the wiring diagrams for the heated seats so you can see how the system works:

https://www.2carpros.com/articles/how-to-check-a-car-fuse

I have included both fuse panels in case you need them later on. Check out the diagrams (below). Please let us know what you find. We are interested to see what it is.
Was this
answer
helpful?
Yes
No
Tuesday, March 10th, 2020 AT 1:34 PM

Please login or register to post a reply.