Heated seat swap

Tiny
SETTERGRENH
  • MEMBER
  • 2002 PONTIAC GRAND PRIX
  • 3.8L
  • V6
  • 2WD
  • AUTOMATIC
  • 130,000 MILES
My 2002 Grand Prix does not have heated seats but my 2000 Grand Prix parts car does. Would there be a plug somewhere for the heated seats in my 2002? If so where would it be?
Wednesday, February 24th, 2021 AT 3:06 PM

1 Reply

Tiny
JACOBANDNICKOLAS
  • MECHANIC
  • 110,192 POSTS
Hi,

When the vehicles are manufactured, different wiring harnesses are used. Also, the Grand Prix will not have the power supply or control module for it.

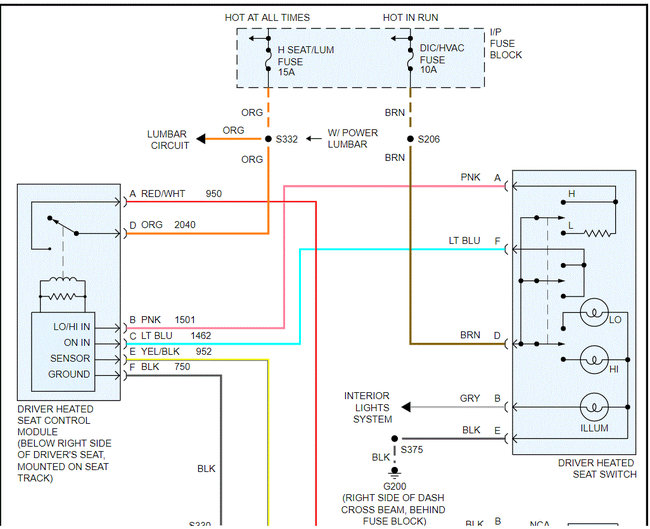
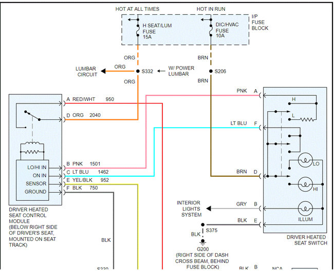
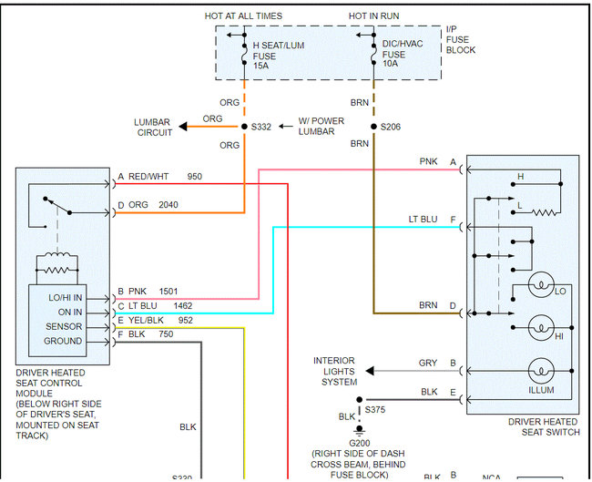
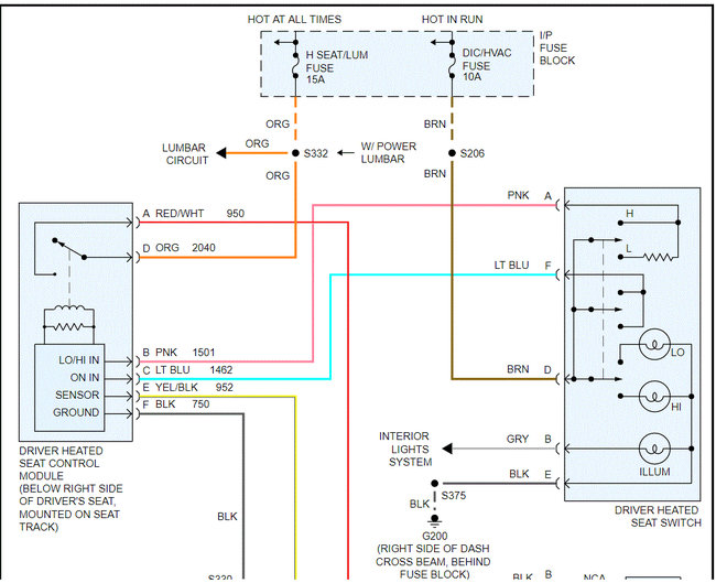
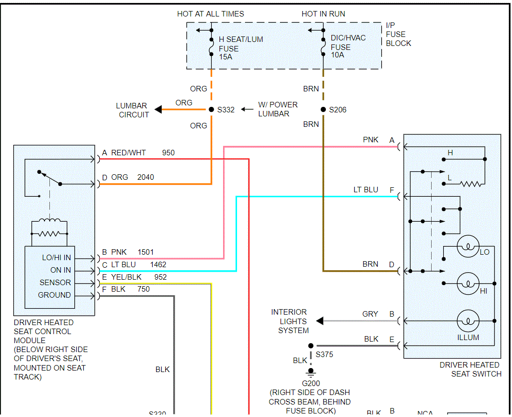
I won't say it couldn't be done, but it will take a lot of work. What I've done is attach the wiring schematic for the heated seat circuit in a 2002 Grand Prix. Take a look through it and see if it is something you want to perform.

Note: I cut the original wiring schematic in two so it is easier to read. I did overlap the two pics so you can follow them.

________________________________

Let me know if you have other questions.

Take care and God Bless,

Joe
Was this
answer
helpful?
Yes
No
Wednesday, February 24th, 2021 AT 8:50 PM

Please login or register to post a reply.