Driver seat no longer heats up?

Tiny
ANGEEM
  • MEMBER
  • 2017 VOLKSWAGEN JETTA
  • 2WD
  • AUTOMATIC
  • 89,000 MILES
The passenger side still works. I checked the fuse that I think it is. That looks good. Is there anything else I can check to see if it is an easy fix (someone who is not mechanically knowledgeable)?
Saturday, December 31st, 2022 AT 6:16 PM

1 Reply

Tiny
JACOBANDNICKOLAS
  • MECHANIC
  • 110,192 POSTS
Hi,

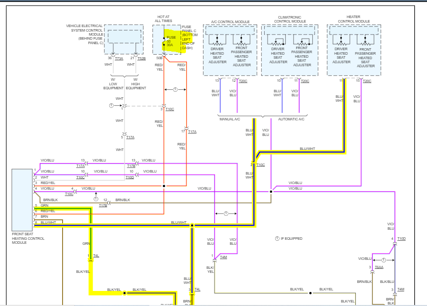
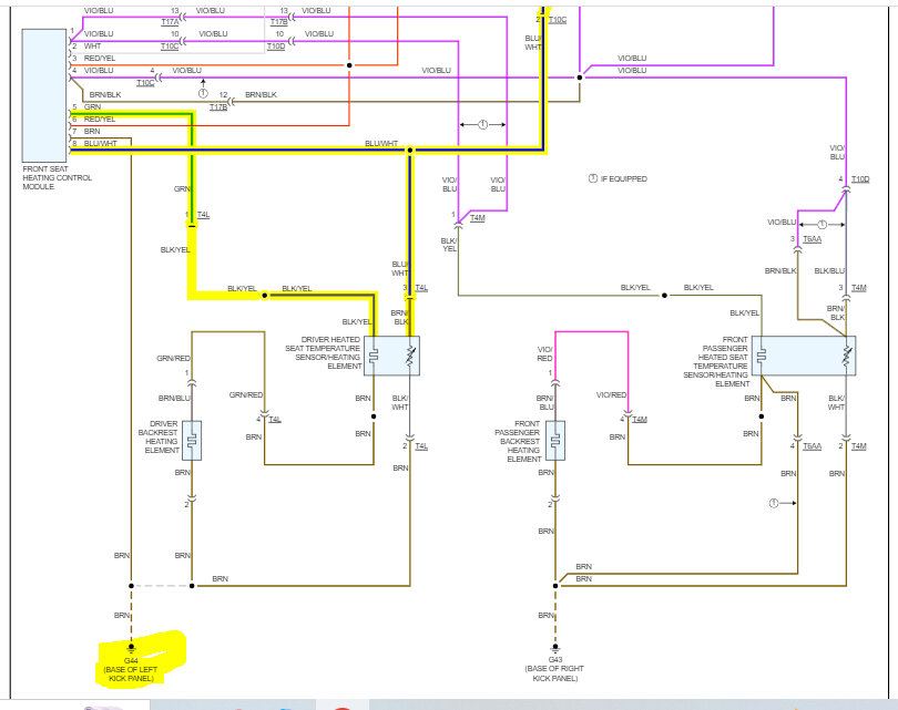
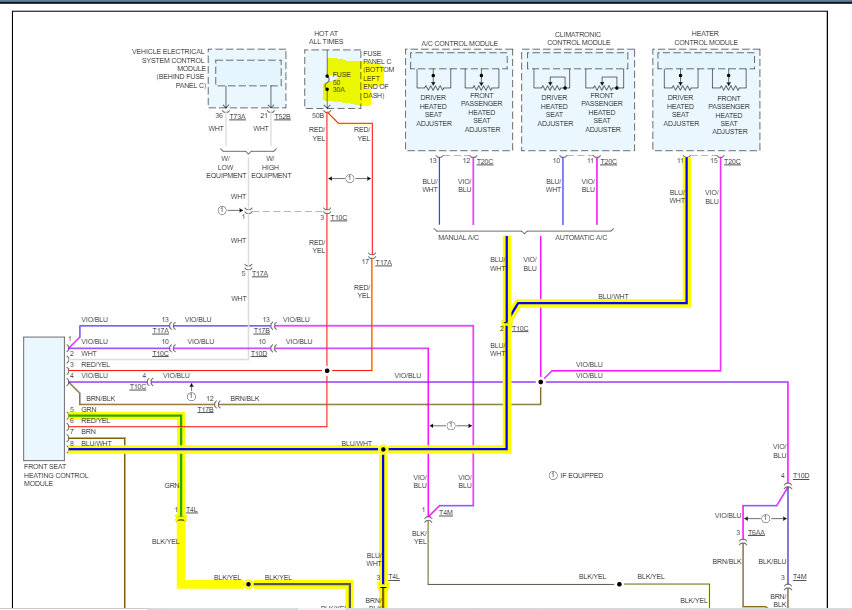
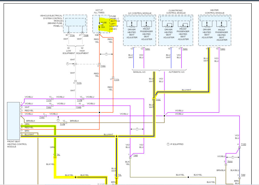
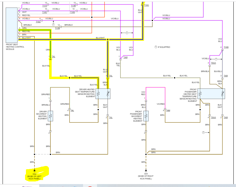
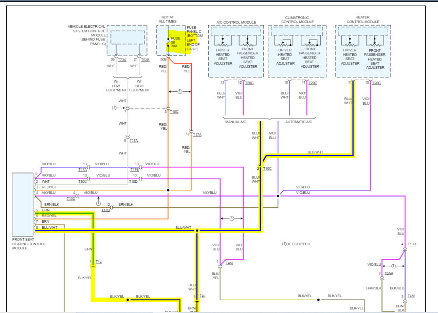
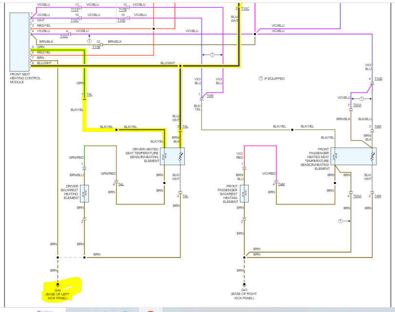
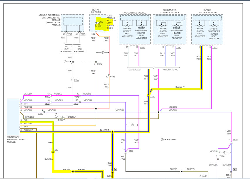
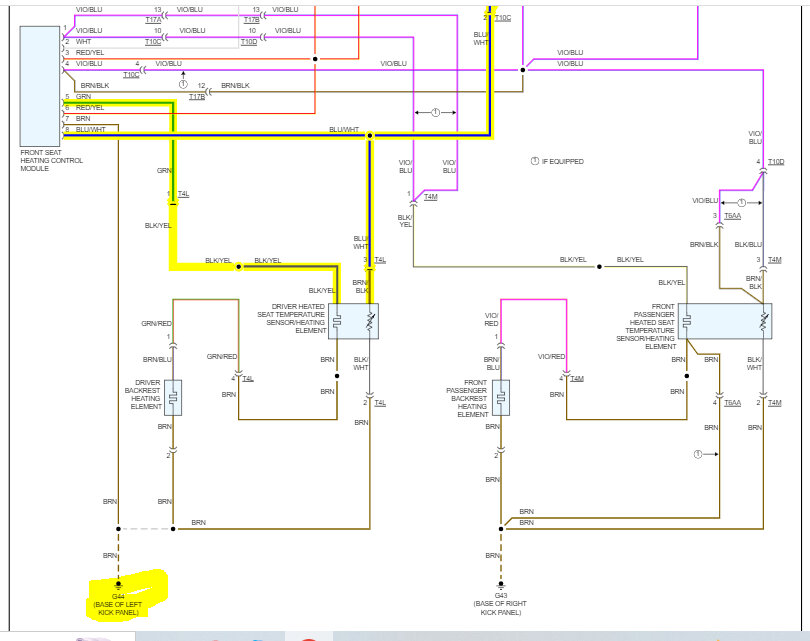
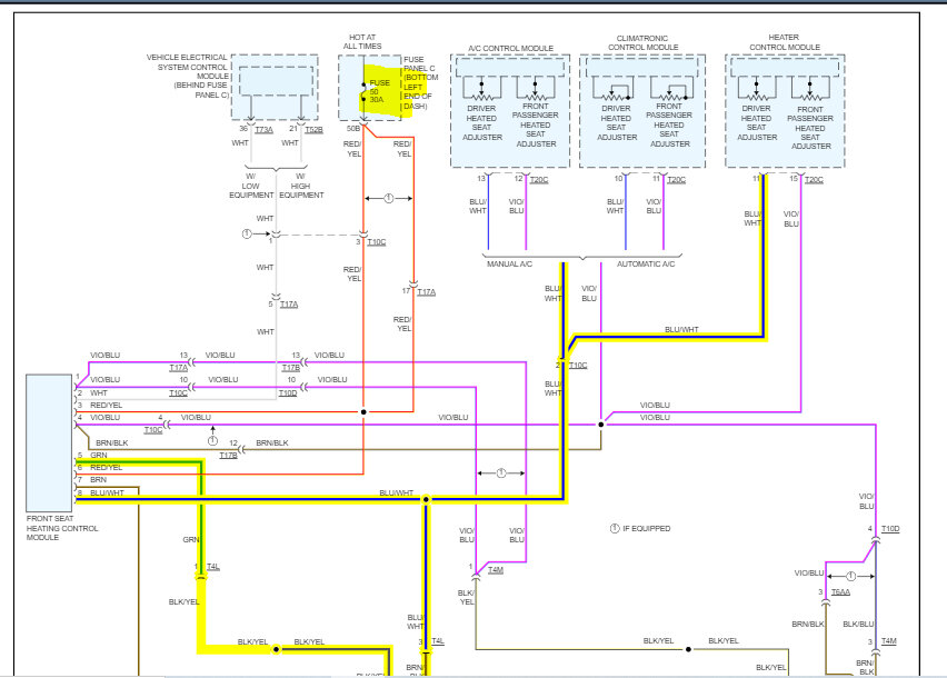
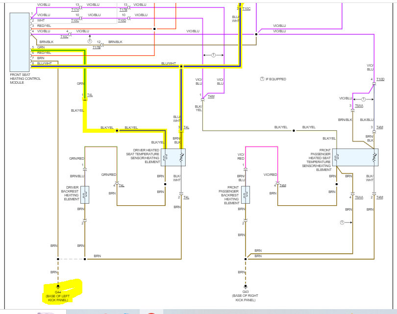
I looked at the wiring schematic for the heated seats. Both seats get power from the same fuse, so if the passenger seat works, that isn't the issue. I attached the wiring schematic for the seat heater below.

So, we need to determine if the issue is with the seat heater itself, the switch, or the heated seat module.

Here is what I need you to do. At the seat connector, there will be two wires. One is brown with a black tracer, and one is black with a yellow tracer on it. With the switch turned on, we need to determine if those wires are getting power.

Take a look at the link below. It explains how to test wiring.

https://www.2carpros.com/articles/how-to-check-wiring

Let me know what you find or if I can help in any way.

Take care and Happy New Year,

Joe

See pics below.
Was this
answer
helpful?
Yes
No
Saturday, December 31st, 2022 AT 9:52 PM

Please login or register to post a reply.