Wednesday, January 9th, 2019 AT 3:30 PM
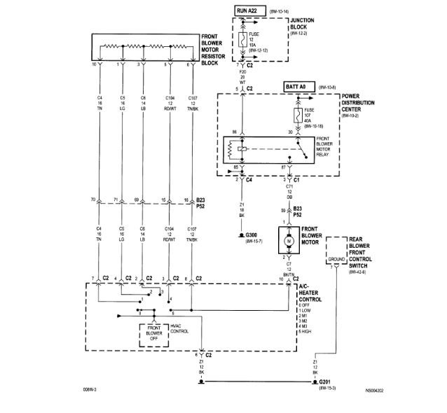
The heater does get hot just won't blow at all in the front. Replaced the blower motor as well as the resistor tonight still not blowing. I'm out of options as to what it can be. Any help would be appreciated. It's 23° with wind chill it feels like 11° here. I need heat for my kids.



