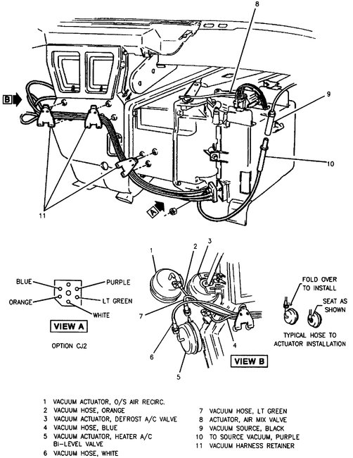
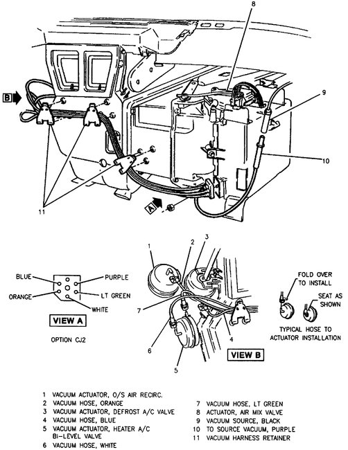
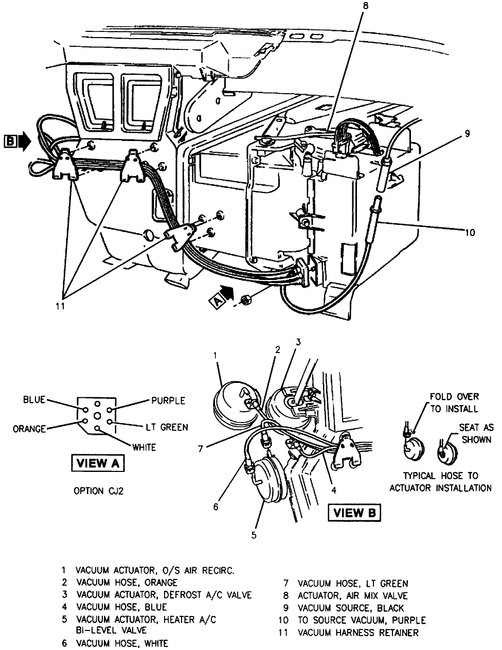
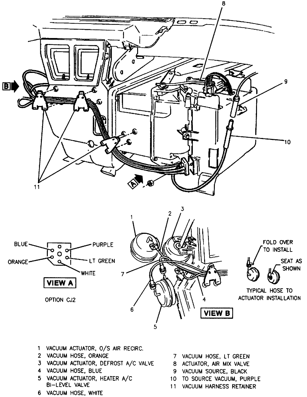
I can hear no vacuum noises when I turn the knob like I used to. I hear nothing moving under the dash when turning the knob. The AC light works and the rear window defroster works. I feel the issue is vacuum related.
Please give me troubleshooting advice.
Monday, December 11th, 2017 AT 1:28 PM



