Heat blower only comes out of the floor vent

Tiny
DENNIS R BENTLEY JR
  • MEMBER
  • 2011 CHEVROLET TRAVERSE
  • AUTOMATIC
  • 100,000 MILES
I can turn on the heat and air but it only comes out of the floor vent. Would this be a bad actuator and is there more then one?
Sunday, June 16th, 2019 AT 3:51 PM

3 Replies

Tiny
DANNY L
  • MECHANIC
  • 5,648 POSTS
Hello, I'm Danny.

Quick question first. Is yours the automatic or manual HVAC system? Hope to hear from you soon. Thanks for using 2CarPros.
Danny-
Was this
answer
helpful?
Yes
No
Sunday, June 16th, 2019 AT 3:59 PM
Tiny
DENNIS R BENTLEY JR
  • MEMBER
  • 2 POSTS
I do not know if it is automatic or manual how do you tell. My car has turn knobs to change the position from the floor to vent or defrost.
Was this
answer
helpful?
Yes
No
Sunday, June 16th, 2019 AT 4:14 PM
Tiny
DANNY L
  • MECHANIC
  • 5,648 POSTS
Hello again.

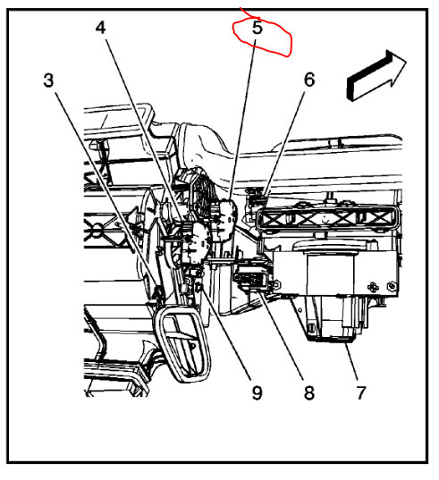
You have the manual system. It sounds like you're having a problem with the blend door actuator.It's a small electric motor that is mounted to your HVAC unit and opens/closes a door to route air through the different air ducts. Here is a tutorial showing what is involved for it's replacement:

https://www.2carpros.com/articles/replace-blend-door-motor

I've attached pictures below showing its location. It is number 5 in the first picture. Second picture shows the screws to be removed.Hope this helps and thanks again for using 2CarPros.
Danny-
Was this
answer
helpful?
Yes
No
Sunday, June 16th, 2019 AT 4:29 PM

Please login or register to post a reply.