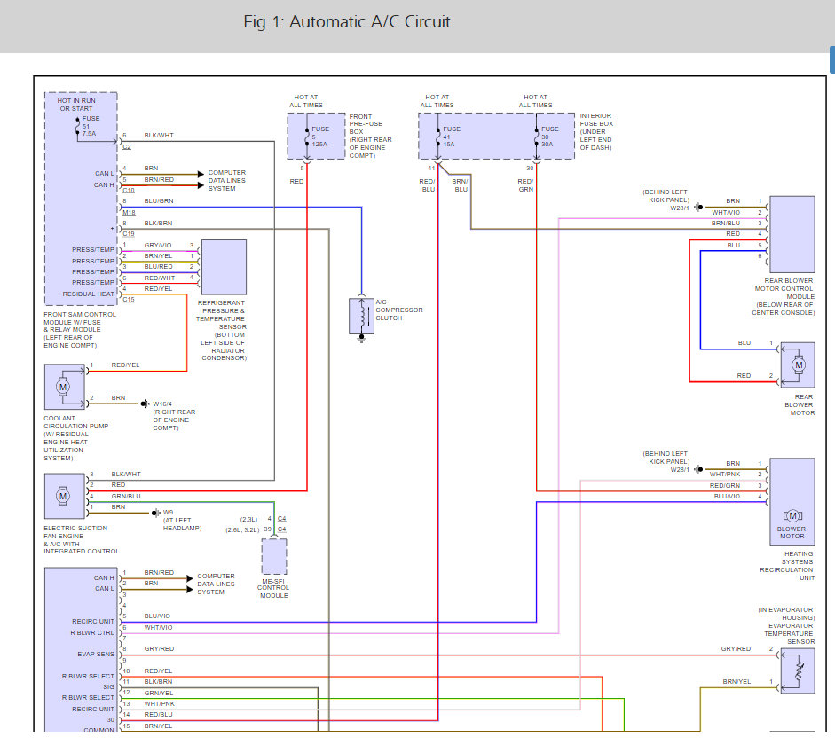
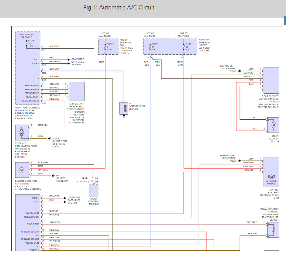
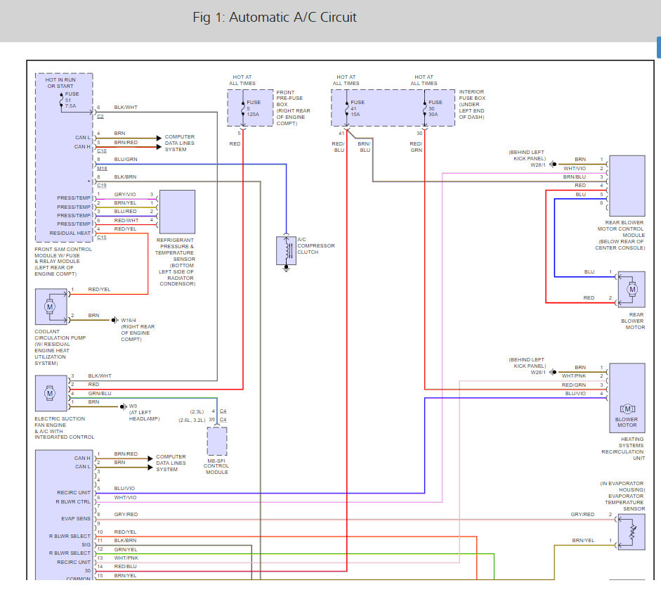
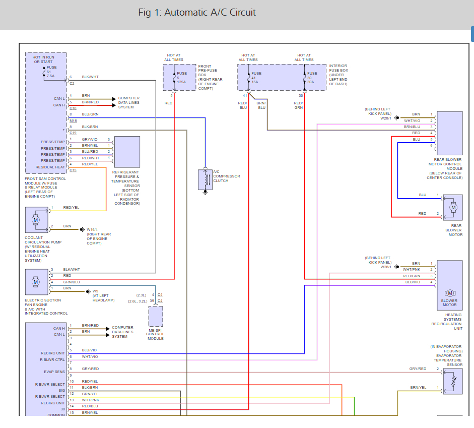
Monday, March 12th, 2018 AT 10:00 AM
Watched your video on remove and replace the blower fan. Mine was not working at all even defrost. Took out blower unit. On floor of car turned on defrost and fan worked. Seemed to also work on A/C. Thought maybe the wiring plug had not been in fully. Put unit back in place and it does not work on defrost or A/C. Do not know what to try?





