Heater not working properly

Tiny
DEBYCALCATERRA
  • MEMBER
  • 2004 CHEVROLET SUBURBAN
  • V8
  • 4WD
  • AUTOMATIC
  • 160,000 MILES
Whether I have the heat on or off the defrost blows high and low whenever it wants to and sometimes when I push the gas on it and let off the gas.
Monday, December 13th, 2021 AT 8:30 AM

13 Replies

Tiny
JACOBANDNICKOLAS
  • MECHANIC
  • 110,192 POSTS
Hi,

It sounds like there is an issue with the mode door or mode door actuator. However, this actuator is controlled via an electronic signal and shouldn't change when applying the throttle. That leads me to feel the two (door and actuator) are no longer connected.

I need a little more info. Is the system an automatic or manual climate control unit? Does it have rear heat and A/C? Also, I will need to know a specific number. It's called an RPO number (D07). That number indicates if you have a center console or not. See pic 3.

If you look at pics 1 and 2, they show the location of the mode door actuator for both the automatic system and manual (A or M). Check to see if it is there and tight.

Let me know.

Joe
Was this
answer
helpful?
Yes
No
Monday, December 13th, 2021 AT 3:29 PM
Tiny
DEBYCALCATERRA
  • MEMBER
  • 8 POSTS
I will look at it in the morning after I get off work and see if I can find the numbers for you. Thank you.
Was this
answer
helpful?
Yes
No
Monday, December 13th, 2021 AT 5:10 PM
Tiny
JACOBANDNICKOLAS
  • MECHANIC
  • 110,192 POSTS
Sounds good. However, if it has a factory center console, it will have the number. If not, then it will not have the number, so don't go crazy looking for it.

Let me know.

Joe
Was this
answer
helpful?
Yes
No
Monday, December 13th, 2021 AT 5:14 PM
Tiny
DEBYCALCATERRA
  • MEMBER
  • 8 POSTS
It does have rear A/C and heat.
Was this
answer
helpful?
Yes
No
Tuesday, December 14th, 2021 AT 9:49 AM
Tiny
DEBYCALCATERRA
  • MEMBER
  • 8 POSTS
Rear air and heat.
Was this
answer
helpful?
Yes
No
Tuesday, December 14th, 2021 AT 1:04 PM
Tiny
DEBYCALCATERRA
  • MEMBER
  • 8 POSTS
I don't know if this helps you any.
Was this
answer
helpful?
Yes
No
Tuesday, December 14th, 2021 AT 5:37 PM
Tiny
JACOBANDNICKOLAS
  • MECHANIC
  • 110,192 POSTS
Hi,

I went through the specifics on your vehicle's issues. It could be a mode door problem, but to replace it will require the removal of part of the dashboard, the HVAC control unit under the dash, evacuation of the AC Freon, and coolant. I can't believe how much needs to be taken apart to access it. If it was something easy to access, I would recommend starting with it, but that isn't the case.

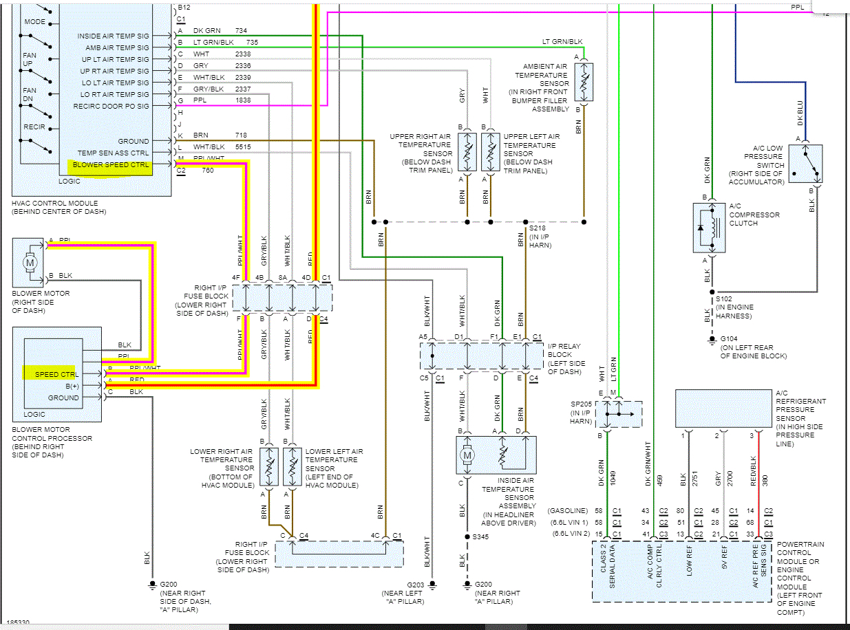
So, we are going to try to look at this from a different angle. Since the issue happens whenever it feels like it, we should start simple. You mentioned the fan will blow high or low even with the unit off (through the defroster). Let's check a few possible possibilities in the electrical system. It could be a loose or damaged connector or related to the blower motor control module.

I attached the wiring schematic below and highlighted different possibilities. What I need you to do is check to confirm the control module processor is tight as well as the connector at the blower motor itself. The remaining pics simply show the locations of these components.

Also, after further research, I found a few technical service bulletins related to the motor running after everything is off. According to the TSB, the blower motor control module processor is bad.

Here is a link you may find helpful when checking the wiring:

https://www.2carpros.com/articles/how-to-check-wiring

Let me know what you find or if you have other questions.

Take care,

Joe

See pics below.

One last question. Does it have automatic climate control?
Was this
answer
helpful?
Yes
No
Wednesday, December 15th, 2021 AT 5:15 PM
Tiny
DEBYCALCATERRA
  • MEMBER
  • 8 POSTS
Thanks for your help since this was so difficult, I had to take it to a shop it was a blower motor and resistor $416.00 later but it's going to be fixed today. So thank you so much happy holidays.
Was this
answer
helpful?
Yes
No
Thursday, December 16th, 2021 AT 11:53 AM
Tiny
JACOBANDNICKOLAS
  • MECHANIC
  • 110,192 POSTS
Hi,

I'm glad to hear the problem was found. Interestingly, the resister doesn't control the airflow direction, but rather it is for fan speed.

I do appreciate the update. Please feel free to come back anytime in the future.

Take care,

Joe
Was this
answer
helpful?
Yes
No
+1
Thursday, December 16th, 2021 AT 5:02 PM
Tiny
DEBYCALCATERRA
  • MEMBER
  • 8 POSTS
What controls the air directions?
Was this
answer
helpful?
Yes
No
Thursday, December 16th, 2021 AT 5:13 PM
Tiny
JACOBANDNICKOLAS
  • MECHANIC
  • 110,192 POSTS
The airflow direction is controlled by what is called a mode door/actuator. That was my primary focus when you indicated it would come out the defroster regardless of selection. I was thinking you had it set in a different airflow direction and it would come out the defroster on and off. Sorry about that.

I attached a pic below showing its location.

Let me know if there is anything I can do to help.

Take care,

Joe
Was this
answer
helpful?
Yes
No
+1
Thursday, December 16th, 2021 AT 6:49 PM
Tiny
DEBYCALCATERRA
  • MEMBER
  • 8 POSTS
Okay, thank you, because my husband was having trouble getting it to go to the floor for heat. So, we will check on that. Thanks so much.
Was this
answer
helpful?
Yes
No
Friday, December 17th, 2021 AT 4:23 AM
Tiny
JACOBANDNICKOLAS
  • MECHANIC
  • 110,192 POSTS
You are very welcome. Please let me know if there is anything I can do to help.

Take care,

Joe
Was this
answer
helpful?
Yes
No
Friday, December 17th, 2021 AT 4:23 PM

Please login or register to post a reply.