Heater not working in the front

Tiny
BONNIE SAUL
  • MEMBER
  • 2007 ACURA MDX
  • 5 CYL
  • 4WD
  • AUTOMATIC
  • 88,000 MILES
The heat works in the back of the car but is freezing in the front.
Saturday, November 3rd, 2018 AT 10:14 AM

1 Reply

Tiny
JACOBANDNICKOLAS
  • MECHANIC
  • 110,194 POSTS
Hi and thanks for using 2CarPros.com.

Before I get into specifics, I need you to read through this link and see if there is anything mentioned that you have not already checked. It discusses the most common causes of no heat.

https://www.2carpros.com/articles/car-heater-not-working

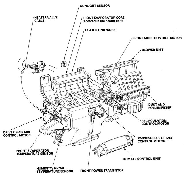
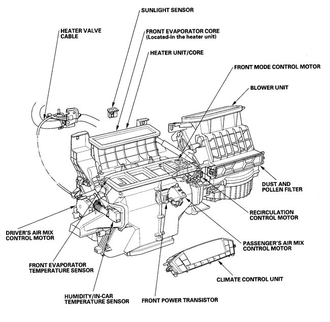
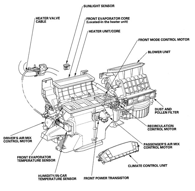
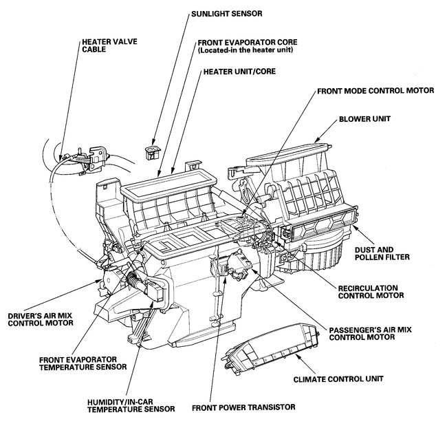
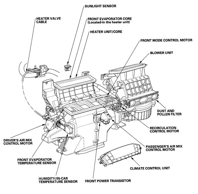
Your vehicle has two separate heater cores. Once is for the front and the other the rear. Since you have no heat from the front, I doubt both blend air doors (left and right) went bad at the same time. With that in mind, I question the heater control valve. It is located under the hood. It is actuated with a cable and either stops the flow of hot coolant through the front heater core or allows coolant to enter the unit and heat the inside of the vehicle.

What I need you to do is check of the cable and heater control valve move when you change the temperatures from inside. Have a helper do it for you.

If it does move, allow the vehicle to warm up with the heater on high and feel both the inlet and outlet heater hoses attached at the firewall. Both should be hot. If they are, then it is the blend air door actuators. If one is hot and one cold, chances are the heater core is plugged.

The two pictures attached are of the heater control valve. I added them so you know what to look for. Letters B and C show the cable and the arm it attaches to. Letter A is the mount for the cable sleeve.

Let me know if this helps or if you have other questions.

Take care,
Joe
Was this
answer
helpful?
Yes
No
+1
Saturday, November 3rd, 2018 AT 7:42 PM

Please login or register to post a reply.