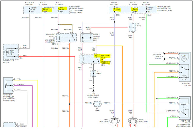
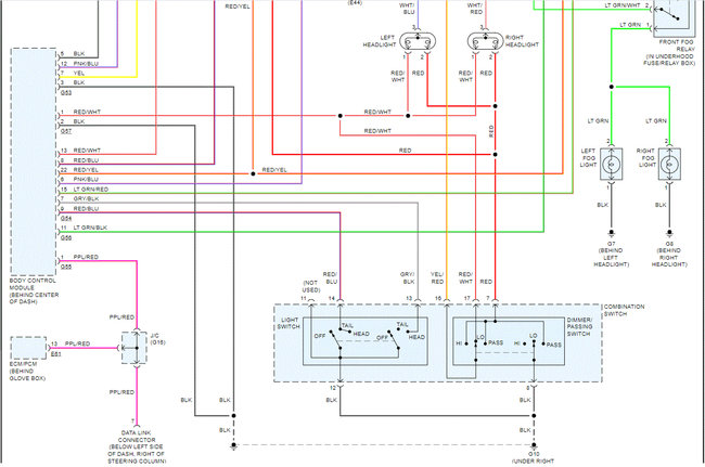
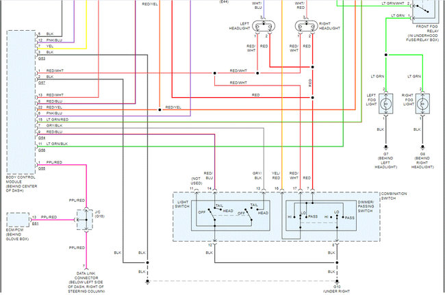
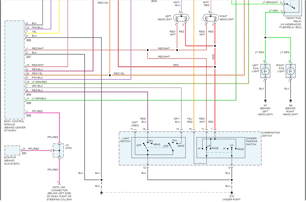
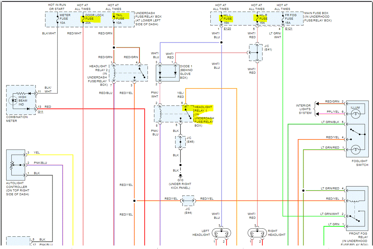
Anyways here is the issue: Headlights, signal, hazards radio and A/C blower all wont turn on. No tail lights either. I checked all fuses and all seem to be good. Is there another way to diagnose this issue and maybe get a diagram of where these fuses and wires are supposedly located? Dash lights are on the A/C light is on but no interior lights bulbs are good. Radio wont turn on at all power locks don't work but windows work. Maybe you might have a bigger question as to what might be happening and what I can do? Thank you in advance.
Saturday, March 27th, 2021 AT 8:47 PM








