Headlights will not stay on

Tiny
GONZALO CANTU
  • MEMBER
  • 2008 CHRYSLER TOWN AND COUNTRY
  • 3.8L
  • 6 CYL
  • 2WD
  • AUTOMATIC
  • 68,000 MILES
Started van and both headlights flickered fast and would not stay on. Change the settings to Auto, it flickers and off, change to on, same, put the high beam on, same. Flickers and go off and will not come on. Cannot find a fuse in the fuse box next to battery. Unknown where the module or relay is.
Thursday, April 26th, 2018 AT 7:36 AM

3 Replies

Tiny
STEVE W.
  • MECHANIC
  • 15,688 POSTS
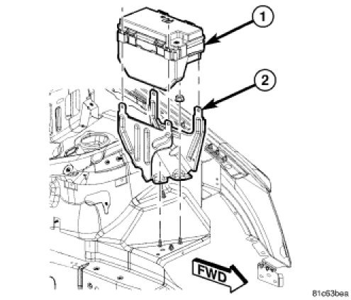
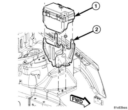
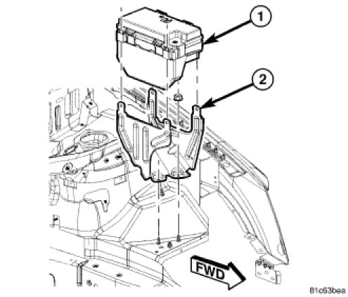
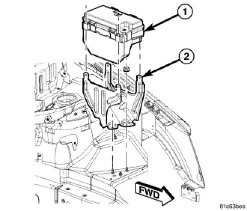
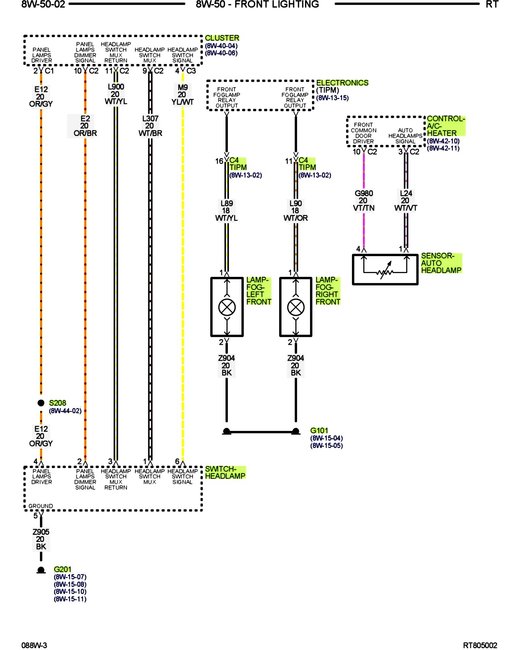
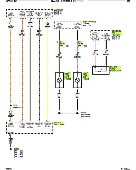
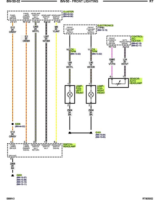
Other than the headlight switch inside the van all of the rest of the headlamp relays and controls are inside the Totally Integrated Power Module, (AKA smart fuse box) along with the controlling electronics for just about every other electronic item on that van. They are not replaceable though as they are soldered to the control board. Unfortunately those units are very failure prone. They are also very easy to replace, but there is a big catch to replacing them. Unless you have a dealer level scan tool and know a few tricks you cannot install a used unit. You need either a new unit or an erased rebuilt unit. This is because the TIPM configures itself to the vehicle and once installed it cannot be rewritten.

Replacing it you remove the negative battery cable. Remove the top off the TIPM and remove the nut from the power stud, remove the power cable. Release the four mounting tabs and lift the unit enough to disconnect the wiring harness connections. Now you can remove it.

To install a new or remanufactured unit you reverse the process.

Prior to connecting the battery you need to be sure the airbag and power off draw fuses are seated. Then comes the interesting part. You turn the ignition key to the "run" position and wait twelve seconds. Do not try to start the engine!
The TIPM will collect the vehicle configuration and VIN data from the PCM and CCN (body module). After twelve seconds turn the key "off" and then back to the "on" position and verify proper vehicle systems operation ie: lights, horns, wipers, stereo, seats and all the rest. If they all work then great, try to start the engine. If it starts you should be finished.
But it is very possible to install a new unit and you lose a feature(s) like DRL's, fog lights, memory seats or other special options. Those were dealer enabled options and to get them back the dealership has to enter the purchase codes based on the VIN number and options ordered.
Was this
answer
helpful?
Yes
No
+1
Thursday, April 26th, 2018 AT 8:50 PM
Tiny
CJ MEDEVAC
  • MECHANIC
  • 11,005 POSTS
Wow!

I was going to suggest a simple looking for an overheated terminal/molten plastic on the connection to the light switch.

May not be as severe as the picture I show, but heating up and cooling may make it flash off and on as well as the heated circuit may make a circuit breaker go on and off repetitively.

Let us know what you find.

The Medic
Was this
answer
helpful?
Yes
No
+1
Friday, April 27th, 2018 AT 4:45 PM
Tiny
STEVE W.
  • MECHANIC
  • 15,688 POSTS
The melted switches were common in the earlier vans. When they started using the TIPM all of the high current relays and fuses moved to it. The interior switches now only carry a few milliamps for the dimmer driver unit. The headlight switch connects to the dash cluster and uses the CAN bus to talk to the TIPM.
The TIPM is another idea from the Daimler/Chrysler era that FCA got saddled with. I trust the TIPM in the wife's 2014 Journey so much I already have a spare burnt for it.
Was this
answer
helpful?
Yes
No
+1
Friday, April 27th, 2018 AT 6:44 PM

Please login or register to post a reply.