Headlights stopped working, sometimes

2013 TOYOTA RAV4
103,000 MILES • 4 CYL • 4WD • AUTOMATIC
Avatar
MIKE2K
  • MEMBER
  • 1 POST
My headlights have stopped working. My high beams work. My left headlight will pop back on temporarily when I let the hood slam shut, but will stop working again after a few minutes.

Any ideas?

Thanks in advance.
Dec 11, 2019 at 5:22 AM
Repair Safety Notice: This information is for general instructional purposes only. Vehicle repair can be dangerous. Verify all information, follow manufacturer service procedures, use proper tools and safety equipment, and consult a qualified repair shop when needed.
Advertisement
Avatar
STRAILER
  • AUTOMOTIVE REPAIR CONTRIBUTOR
  • 54,178 POSTS
Hello,

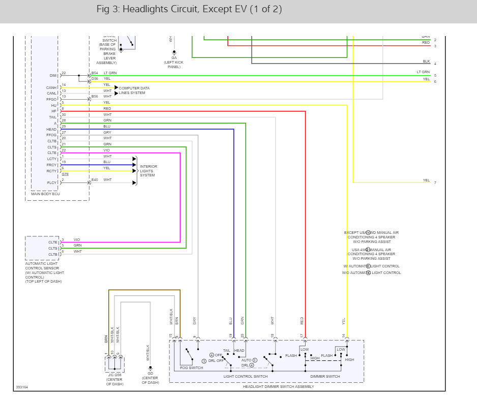
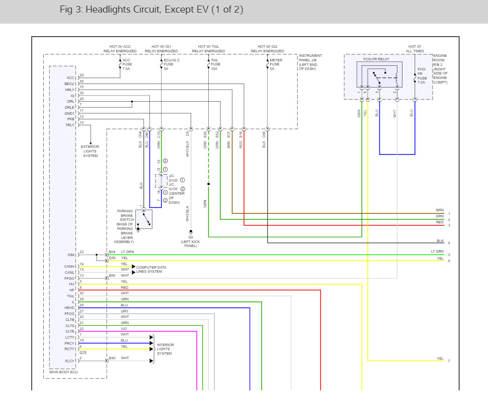
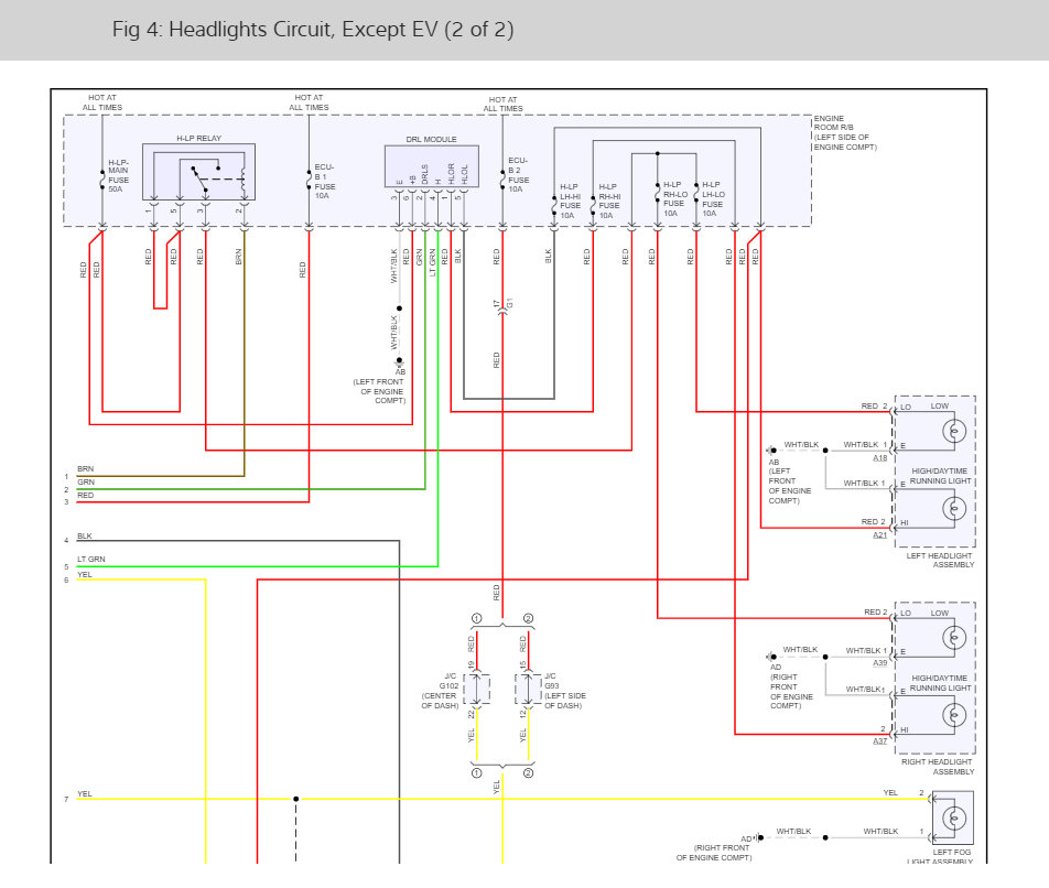
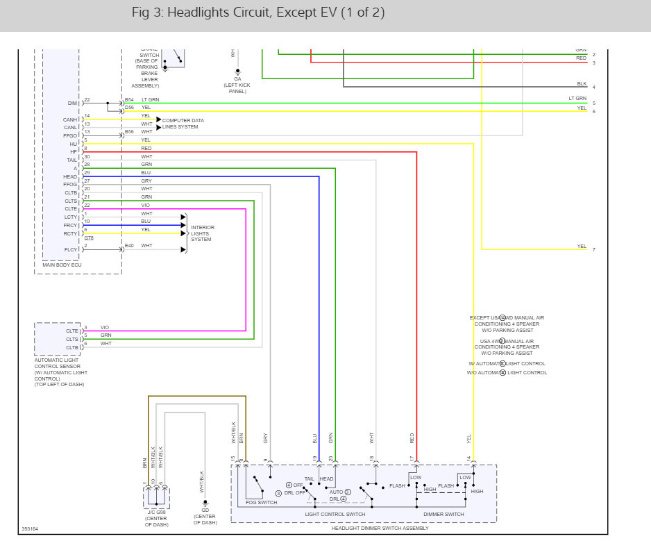
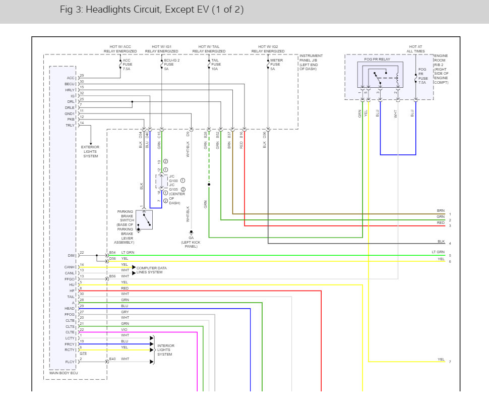
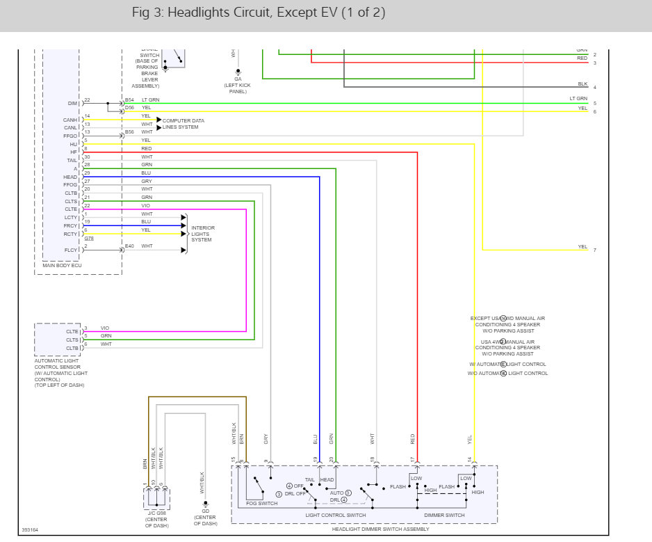
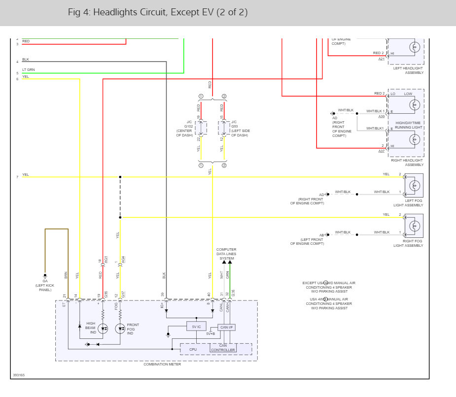
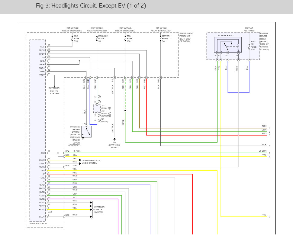
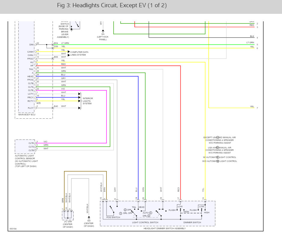
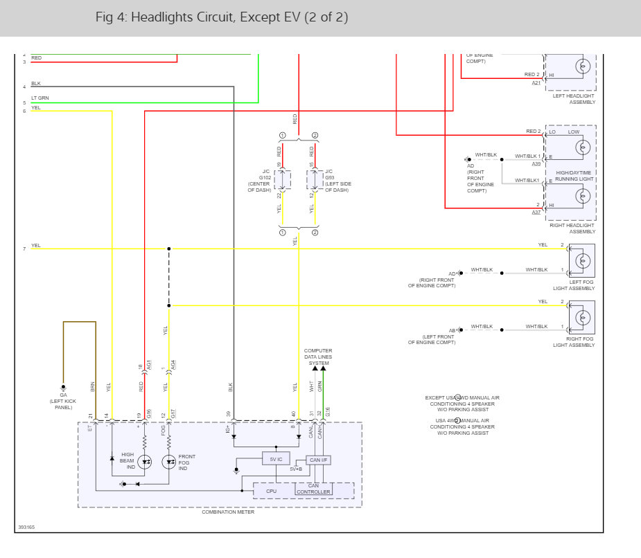
It sounds like the headlight relay is no good. To be sure lets check the relay using this guide and I have the highlighted relay location and wiring diagrams below so you can see how the system works.

https://www.2carpros.com/articles/how-to-check-an-electrical-relay-and-wiring-control-circuit

Check out the diagrams (below). Please let us know what you find. We are interested to see what it is.

Dec 12, 2019 at 2:44 PM
Advertisement
Avatar
TOUGHDIVER
  • AUTOMOTIVE REPAIR CONTRIBUTOR
  • 224 POSTS
Hi,

It sounds like you may faulty headlamp bulbs, This is were I would start, Access the headlamp bulbs I sent you a link below on how to replace headlamp bulbs. Check for 12 volts at the bulb connectors for both low beams and high beams, If you have 12 volts across the circuit replace the bulbs. Ken sent you wiring diagrams for you to find the right wires to check. Please let us know what you found.

Thank you, Joe Terwilliger

https://youtu.be/TGe7qiflDqQ
Dec 12, 2019 at 3:34 PM