Monday, April 28th, 2025 AT 6:23 PM
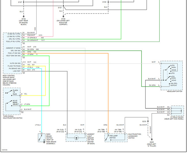
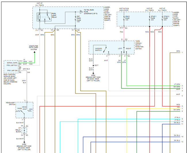
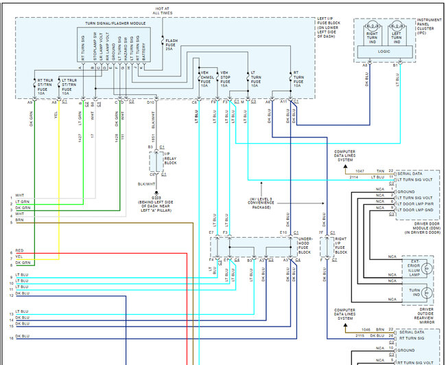
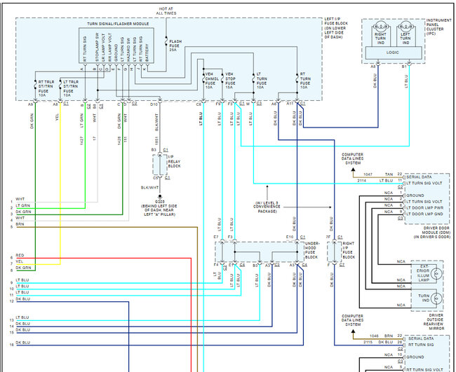
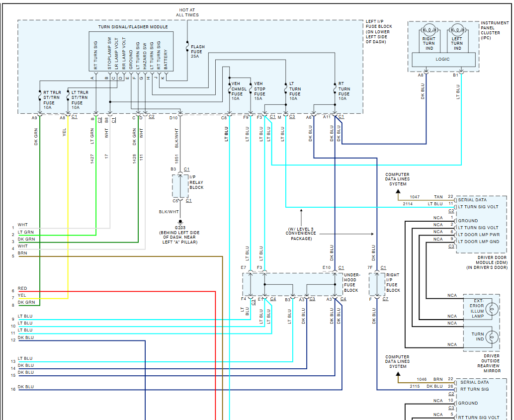
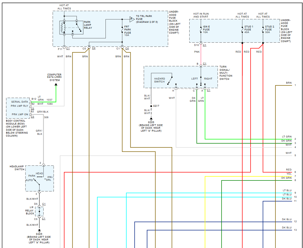
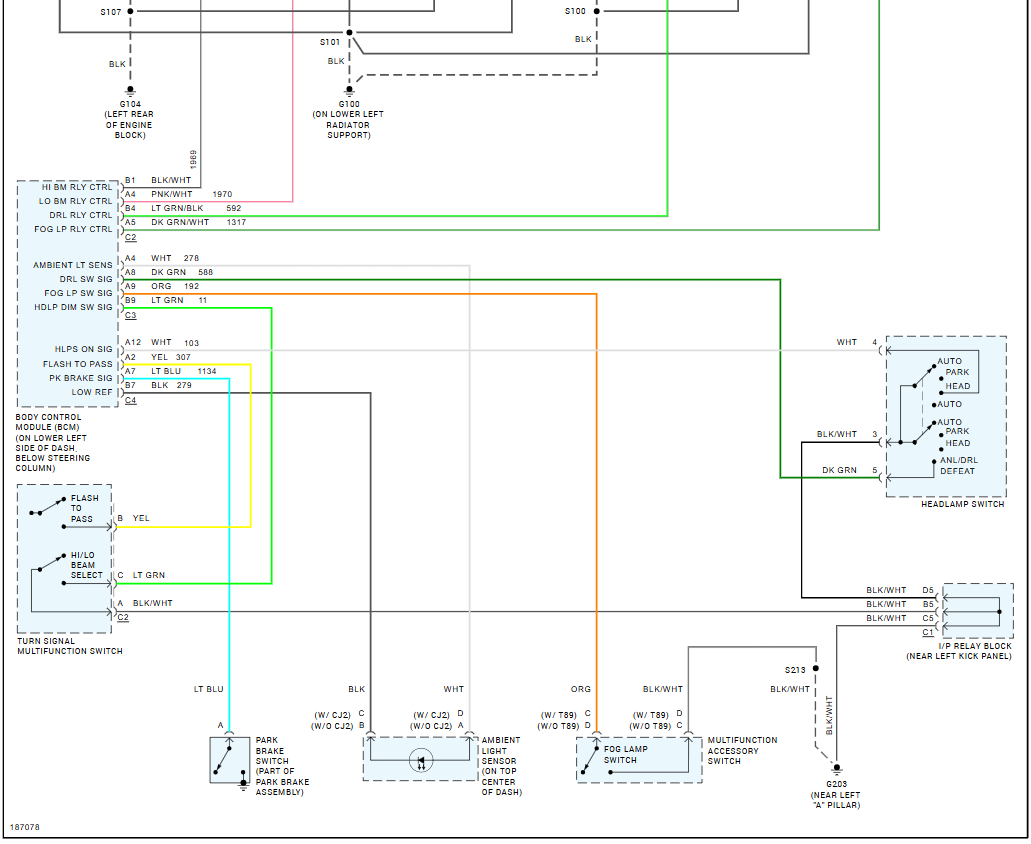
Hello, my headlights seem to not be working correctly, and I think it might be the switch. I just purchased this car a week ago and need to fix it ASAP. I think the switch might not be making a good connection. A wiring diagram of the front headlight system would be greatly appreciated! Thank you.









