Headlights not working

Tiny
CDERVIN13
  • MEMBER
  • 2010 DODGE AVENGER
  • 4.0L
  • 4 CYL
  • 2WD
  • AUTOMATIC
  • 135,000 MILES
Passenger side headlights both high and low beam lights not working. I have changed the bulbs, and even changed the TPIM with no luck. The blinker and running light work on that side. The driver's side lights work great as do all other lights.
Friday, September 24th, 2021 AT 10:05 PM

1 Reply

Tiny
JACOBANDNICKOLAS
  • MECHANIC
  • 110,194 POSTS
Hi,

The idea that neither high nor low work, have you confirmed the light has a good ground? Also, have you inspected the connector to make sure nothing is bent, damaged, or corroded?

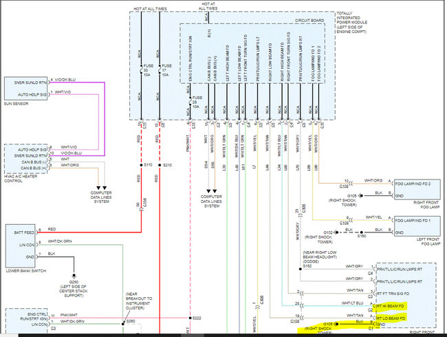
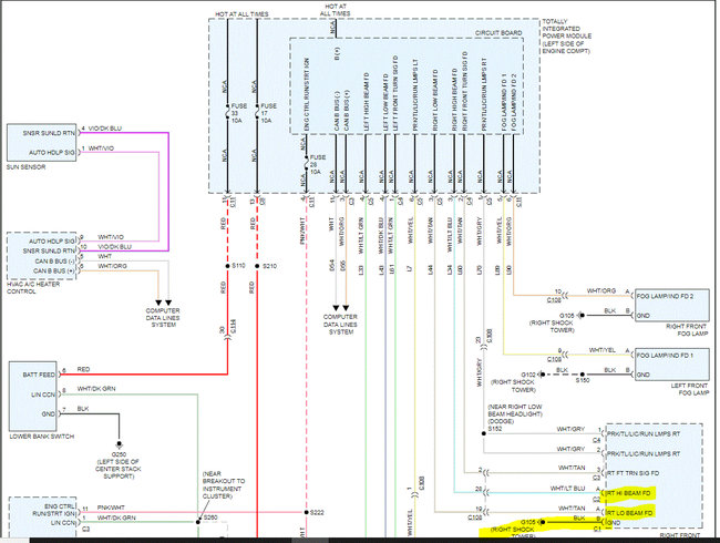
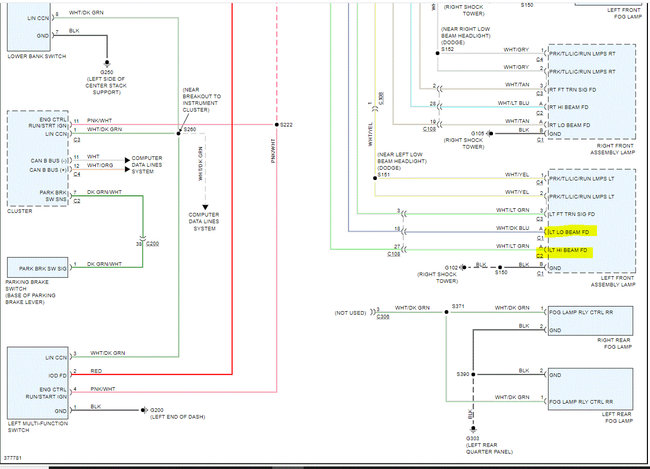
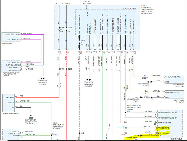
If you look below, I attached the wiring schematic for the headlamps. I highlighted the high and low beams for the right side. First, make sure there is continuity to ground via the black wire. The ground location is at the right strut tower.

If the ground is good, then disconnect the connector and check the white wire with a tan tracer for power with the low beam turned on. Do the same with the white wire with a light blue tracer for the high beam.

If we have power and ground, the bulb should work. One or the other is the issue.

Here is a link you may find helpful:

https://www.2carpros.com/articles/how-to-check-wiring

Let me know what you find.

Take care,

Joe

See pics below. Note: The schematic was one page long. However, I had to cut it in half to make it readable for you. I did overlap the pics so you can follow from one to the next.
Was this
answer
helpful?
Yes
No
+2
Saturday, September 25th, 2021 AT 7:53 PM

Please login or register to post a reply.