Thursday, May 2nd, 2019 AT 7:26 PM
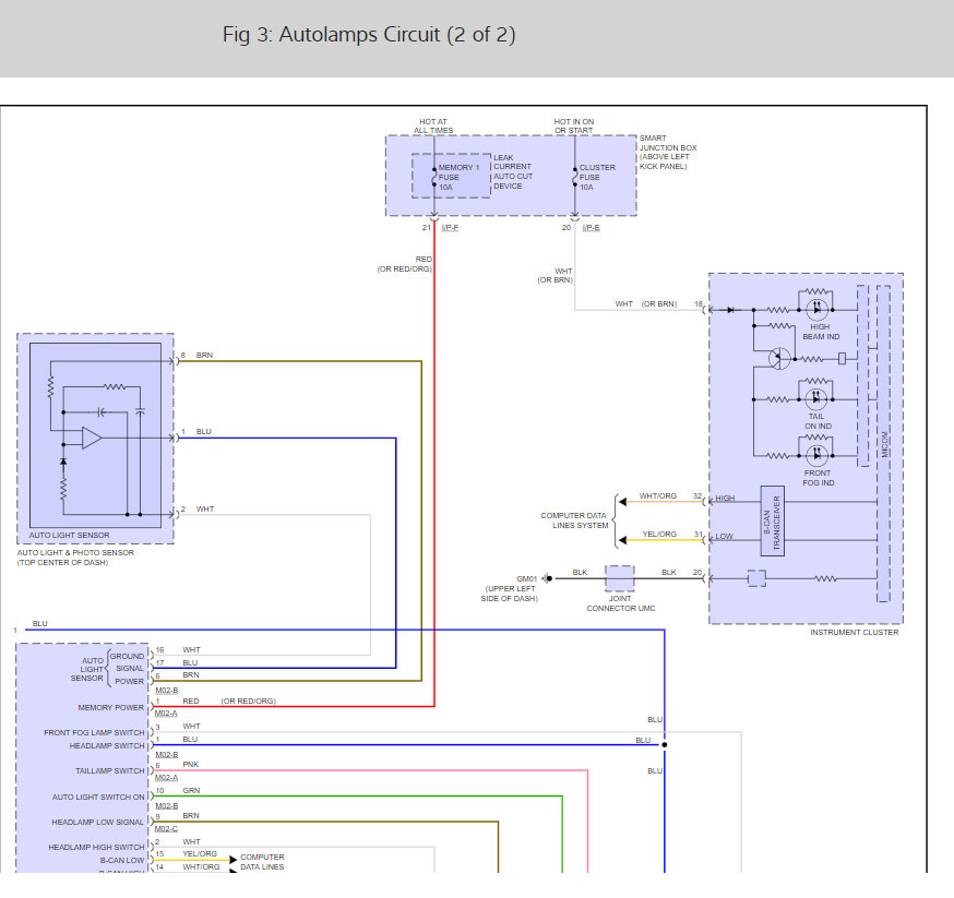
My headlights only work on the high beam. The low beam doesn’t work at all on both lights they went out at the same time but nothing is wrong with the bulbs. The yellow on my headlights work perfectly fine. I literally just got the car from the dealership like two months ago. I’m starting to think that I was sold a bad car.








