Saturday, January 3rd, 2026 AT 5:06 AM
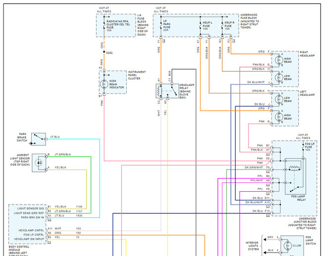
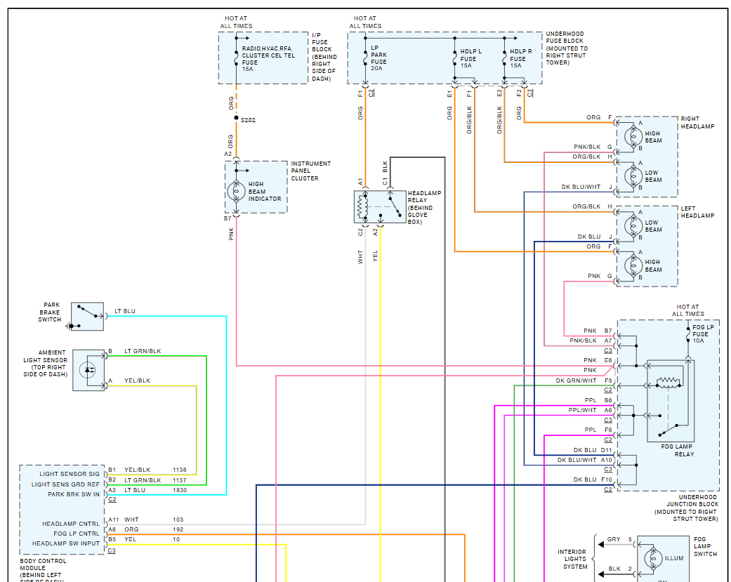
I'm not sure on the liter size of the engine but it's a custom model but my issue is that my headlights won't come on when I pull the knob but the lights under the headlights do and the brights do when I pull and hold the multifunction switch I've checked the fuses and on the fuse box under my hood the bottom half of it no fuses light up when I check them with a fuse tester and 1 of the spots that is for the low beam lights won't let me put a fuse into it any ideas on how to fix it







