Headlights, wipers, door locks malfunctioning and intermittent no start

Tiny
WHEELERCRYSTAL4
  • MEMBER
  • 2008 NISSAN SENTRA
  • 2WD
  • AUTOMATIC
  • 126,000 MILES
Driving down road headlights flickered nothing else. Next morning turn key on to start won't start headlight come on with out switch turned on wipers going with out switch on. Cycle key on off multiple times finally starts but unable to control lights. And wipers doing nothing at all now. Turn off turn on may start may not headlights always on wipers sometimes going. Nothing consistent other than headlight other things random. Door lock not working but not sure it worked before it's my mom's car.
Checked all fuses. Battery good. Took cover off column nothing looks loose.
I did also take out BCM nothing looks hot or cracked. Please help I've Googled and Googled
Monday, August 31st, 2020 AT 8:01 PM

10 Replies

Tiny
4DRTOM
  • MECHANIC
  • 467 POSTS
Hello I'm Tom,

It sounds to me like you modules aren't communicating properly, it could be an issue in your CAN system which in the car area network that allows all the different electronic modules to communicate with each other. One thing you can do right away is to clear any memory in the system. Take off both battery terminals and short the the positive and negative terminals to each other for 30 seconds, this will reset the system. Also you can go to our YouTube channel and watch the video on testing the CAN system in your car.
Let me know if the reset had any change at all and check out the video.
Tom

The following is the link to the CAN video:
https://www.youtube.com/watch?v=InIlnsjOVFA
Was this
answer
helpful?
Yes
No
Tuesday, September 1st, 2020 AT 11:05 AM
Tiny
WHEELERCRYSTAL4
  • MEMBER
  • 5 POSTS
Hi Tom, I tried the battery cable test, it did not seem to change anything. I will watch the video and go from there. I will let you know.
Was this
answer
helpful?
Yes
No
Tuesday, September 1st, 2020 AT 4:30 PM
Tiny
4DRTOM
  • MECHANIC
  • 467 POSTS
Okay, that sounds good.
I will keep my eye out for it.
Tom
Was this
answer
helpful?
Yes
No
Tuesday, September 1st, 2020 AT 8:50 PM
Tiny
WHEELERCRYSTAL4
  • MEMBER
  • 5 POSTS
I'm sorry I watched the video in the link and all I seen was an advertisement for a super expensive scanner!
I don't have the funds to buy an expensive scanner or I would just take the car to a shop.
What if anymore test or checks can I do myself in my garage?
Was this
answer
helpful?
Yes
No
Wednesday, September 2nd, 2020 AT 6:53 AM
Tiny
4DRTOM
  • MECHANIC
  • 467 POSTS
Hi,

Really, that's odd I'm sorry about that. I will have to ask my boss about getting right to that actual video because I have tried to interact with the YouTube channel as well and I know it can be better. We are going to have to work on the YouTube channel interface with the site. I didn't mean to have you get an advertisement. That stuff irritates me as well. Here I was just able to find the actual link. YouTube does put an add in front of it when it gives you an ad just wait till it allows you to skip it. To get to it this time I just google searched "2carpros can scan" on regular google and it came up. Don't try to search YouTube from on the YouTube site. I had trouble that way as well.
Also Im going to need to know what motor is in your car a 2.0l or a 2.5l.
Tom
https://www.youtube.com/watch?v=u-4syLc-ifQ
Was this
answer
helpful?
Yes
No
Wednesday, September 2nd, 2020 AT 6:42 PM
Tiny
4DRTOM
  • MECHANIC
  • 467 POSTS
Hi Crystal,

It's a start going off the info I have so far give it a review, I'm sure you will have more questions on it just let me know and we will go through it.
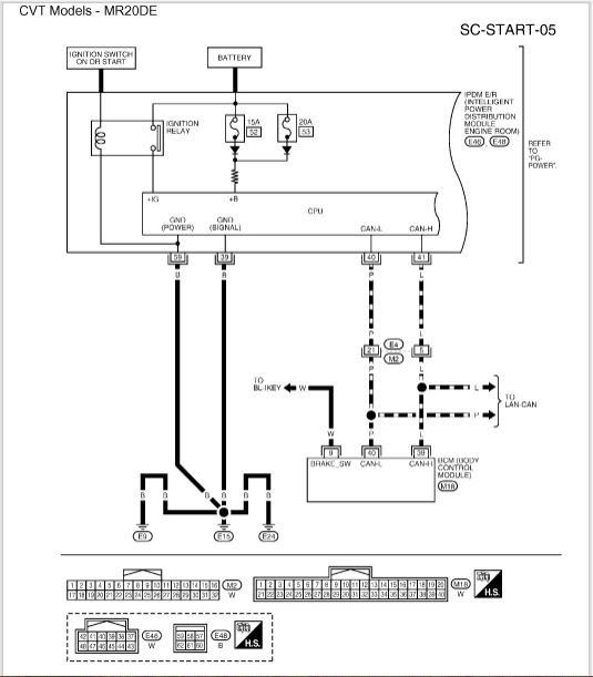
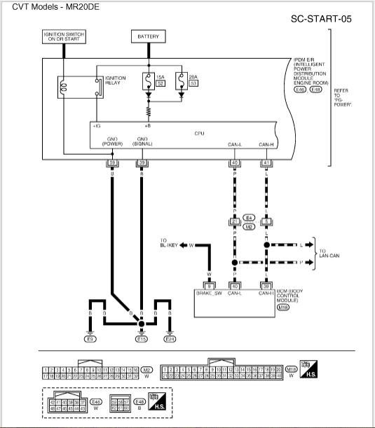
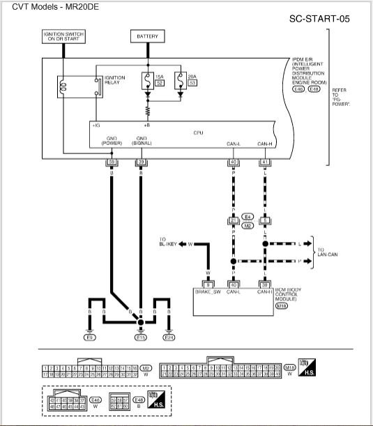
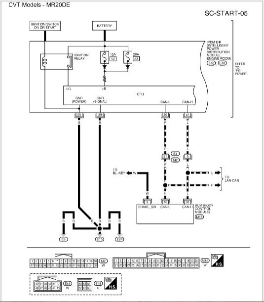
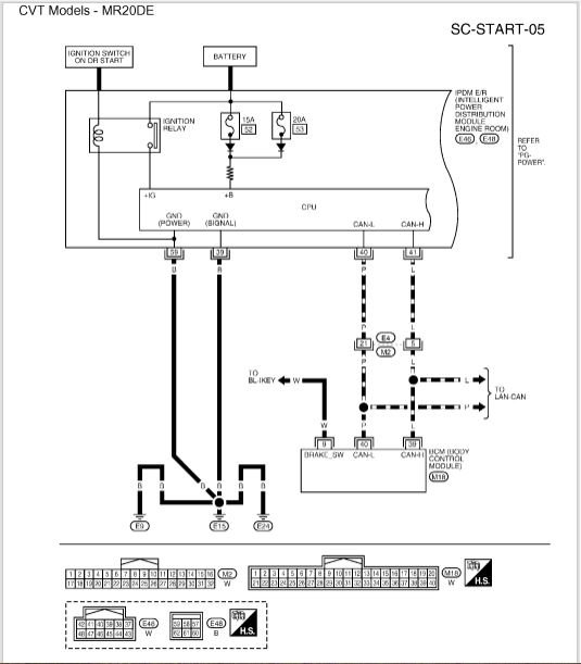
I have put together the diagrams of both the starting and the headlight systems in your car, 2.0l the 2.5l should be the same for these systems. If you have a test light this will be of some help. Note one of the main grounds is located at the left kick panel area be sure to check that out.
Tom
Was this
answer
helpful?
Yes
No
Wednesday, September 2nd, 2020 AT 8:04 PM
Tiny
WHEELERCRYSTAL4
  • MEMBER
  • 5 POSTS
I tried to attach a couple of videos. I did the battery cable test again. Still no change. The wipers did come on by themselves for a couple seconds.
Was this
answer
helpful?
Yes
No
Thursday, September 3rd, 2020 AT 7:38 AM
Tiny
4DRTOM
  • MECHANIC
  • 467 POSTS
Hello,

That first still shot doesn't look like OEM. Is that just because it just not mounted secure like the factory does it and it is original? We must be over looking something. The three main things that would cause this is would be; the the whole switch arm, low voltage or the CAN system. On newer cars even slightly low voltage will confuse the computer. The most common is the switch arm being the piece with all the daily movement. Were these problems occurring on your Mom? Knowing what happened the very first time the symptoms occurred is helpful too. My feeling is that it's the switch arm, getting to the plug connection of it with a test light you should be able to check its outputs using the diagrams posted earlier.
Let me know if they check out as good.
Tom
Was this
answer
helpful?
Yes
No
Thursday, September 3rd, 2020 AT 8:47 PM
Tiny
WHEELERCRYSTAL4
  • MEMBER
  • 5 POSTS
The cruise control, I stated at first it is after market that was installed by previous owner. Everything is a little dangling from me trying to check stuff.
The problem happen simultaneously. If the key is on the light come on (and shouldn't) low beam, unable to brighten or turn off. Wipers might come on with key, might not (just seem possessed) no rhyme or reason to them. Unable to control with stalk. Sometimes when lights or wipers come on the stalks will let me turn them off but not back on or function.
Starting maybe maybe not. I have noticed if I just turn the key to the on leave it for like a minute it is more likely to start. But still unable to control stuff.
I've also noticed if turn the key on the cooling fan comes on, not sure if that's a normal function.
I really appreciate your help. I am going to chase ground wires today. I have a back disability so things take me a touch longer. I'm better at answering specific questions.
Again thanks for struggling with me.
Crystal
Was this
answer
helpful?
Yes
No
Friday, September 4th, 2020 AT 5:11 AM
Tiny
4DRTOM
  • MECHANIC
  • 467 POSTS
Hello,

Sounds good but having a back issue, do please be careful getting under the dash can be hard on the back. One way to isolate which circuit is acting up is to remove the fuse to one of them and see if the car starts better. Seeing that both the wipers and the headlights are effected by this try removing the wiper fuse it should have nothing to do with the starting circuit the check to see if the car starts the way it should. Then do the same with the headlight fuses. The same test can be done to see if its the signal arm, for that, if you can get at the plug to the arm unplug it and see if the car will start normally. All these circuits if not powered up should have no effect on the starting of the car. The car should start fine without them hooked up. Once we isolate which one is effecting the starting of the car we an figure out why and if it is in fact the CAN buss causing the issue.
Let me know,
Tom
Was this
answer
helpful?
Yes
No
Friday, September 4th, 2020 AT 7:22 PM

Please login or register to post a reply.