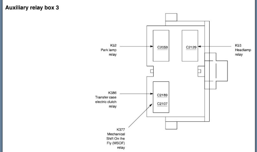
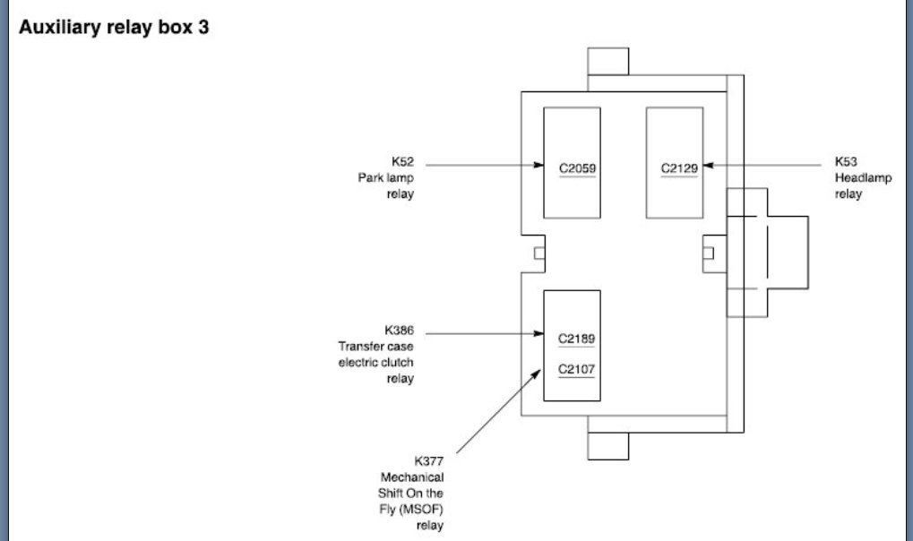
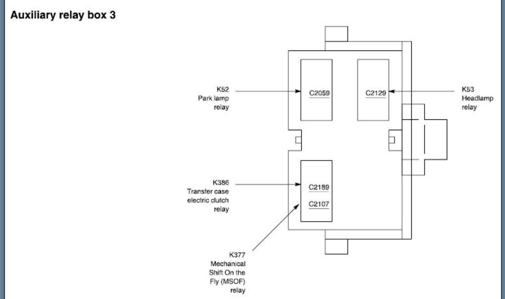
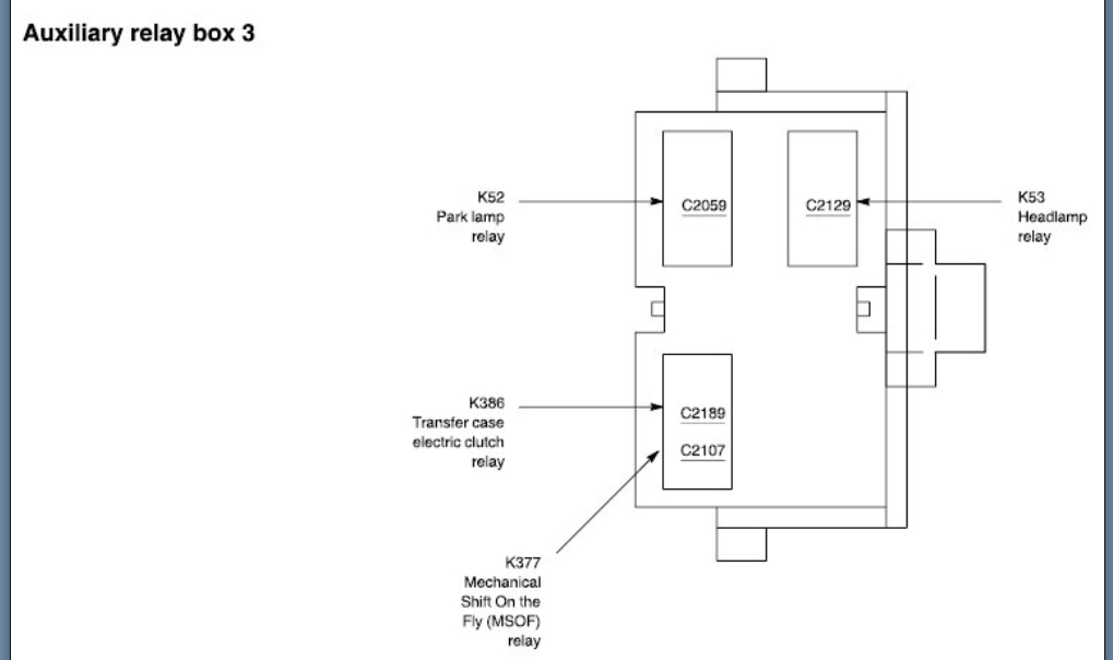
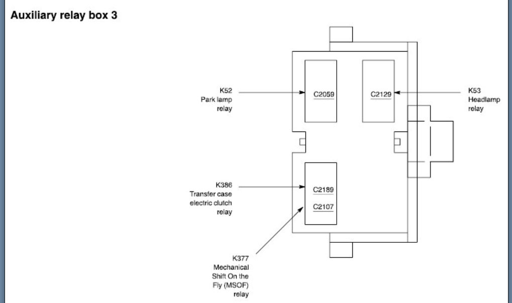
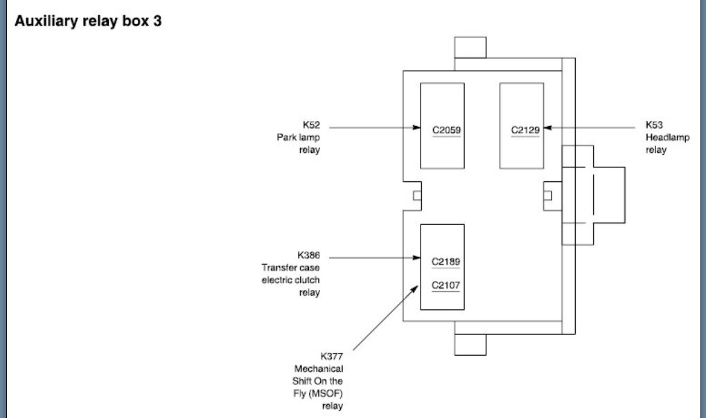
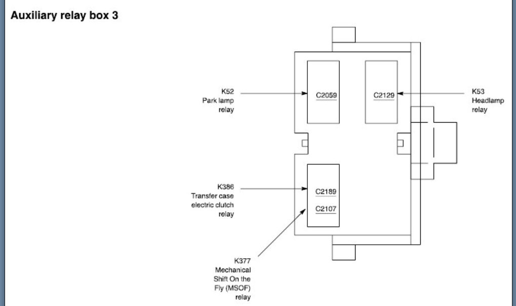
My low beam headlights work fine but when I switch to high beam they don't come on. The high beam indicator light inside doesn't even come on on the dashboard. Where is the location of the headlights relay under the hood
Aug 4, 2021 at 11:40 AM












