Sunday, May 7th, 2023 AT 9:56 PM
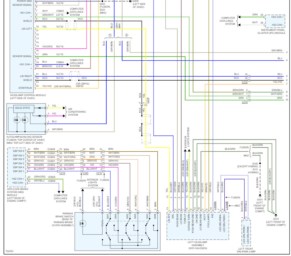
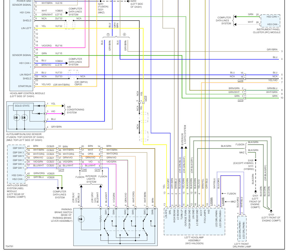
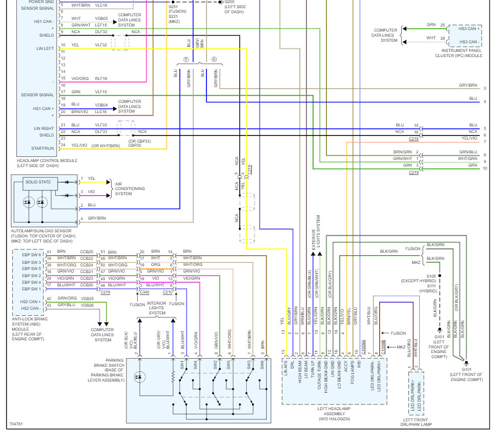
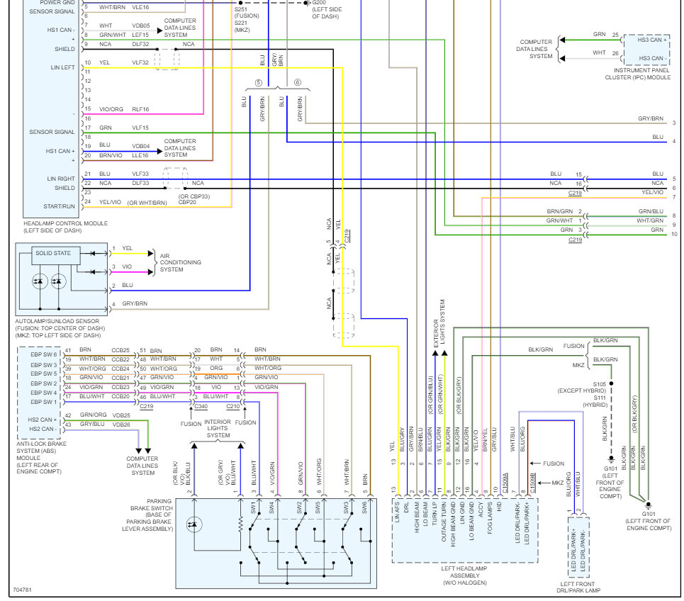
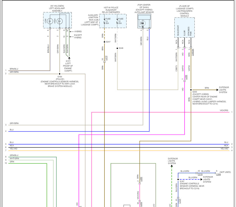
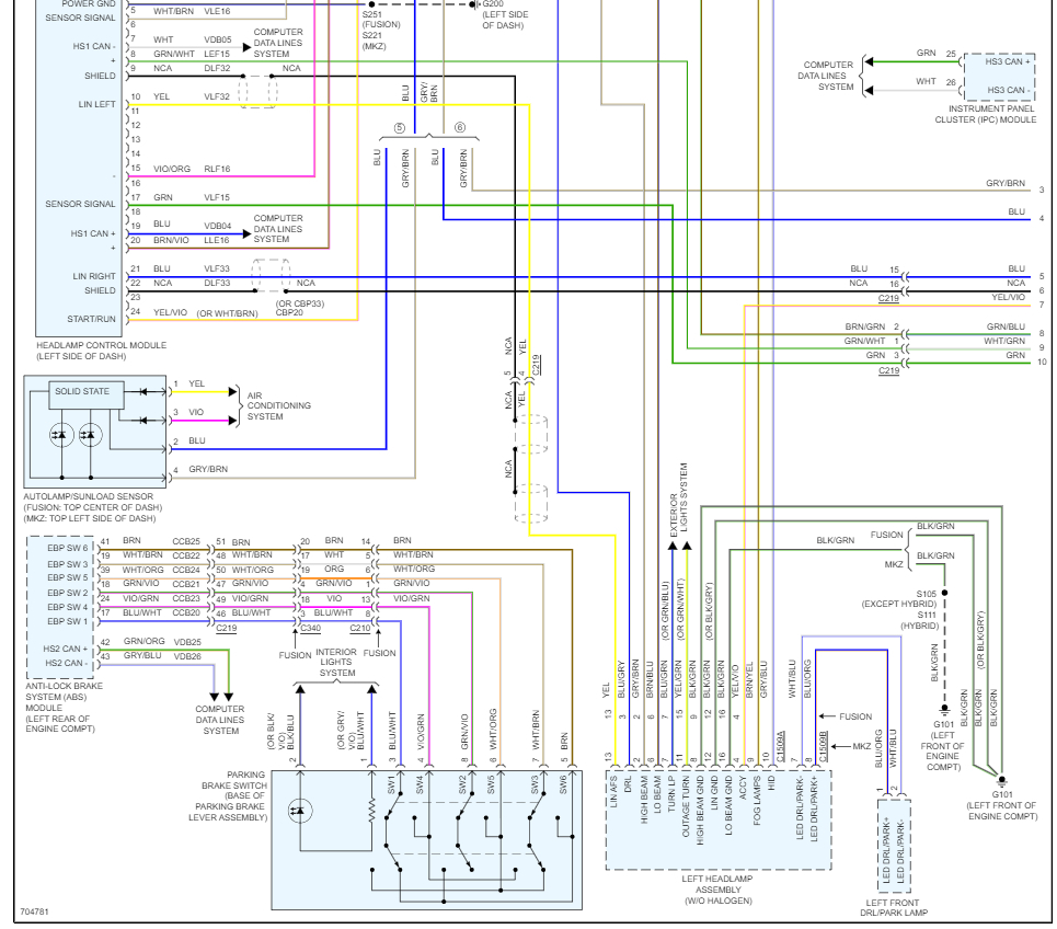
Bought replacement plugs for the low beam headlight and it was with red and black wire. I can't tell what color the old wires are to change it. Is there a wiring diagram for a 2020 headlights diagram?






