Headlights stop working night or day while driving

Tiny
TRUCKWES
  • MEMBER
  • 2004 MERCURY MARQUIS
  • 4.6L
  • 2WD
  • AUTOMATIC
  • 79,000 MILES
Headlights goes out while driving at night. Found fuse blown. Change fuse it did the same thing while driving. It is # 9 fuse in the fuse box. I change lCM 2 years ago by the dealer. It was recall. By the way headlights goes out night or day while driving. What could be the problem?
Saturday, April 10th, 2021 AT 12:39 PM

14 Replies

Tiny
JACOBANDNICKOLAS
  • MECHANIC
  • 110,194 POSTS
Hi,

When the lights go out, is the fuse always blown? If it is, how long does it take for that to happen?

If it happens quickly, chances are there is a short near the headlamps. What I would start with would simply be checking the plug where the wiring connects to the headlamps.

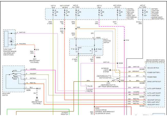
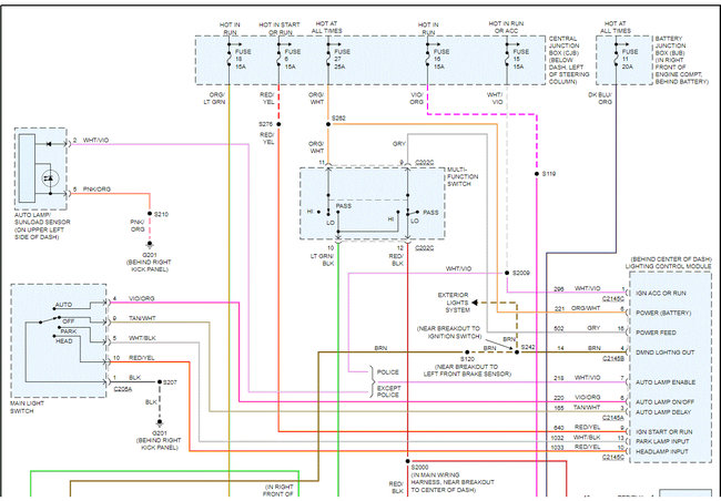
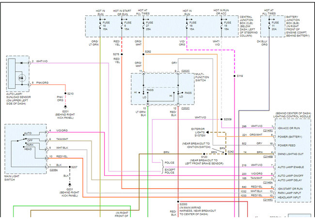
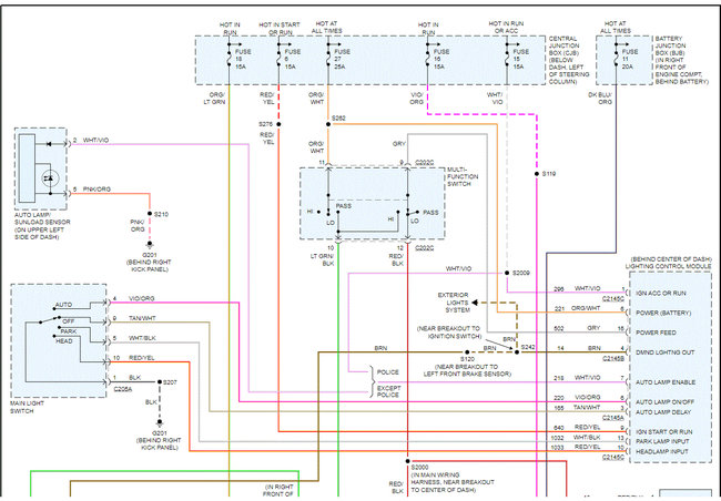
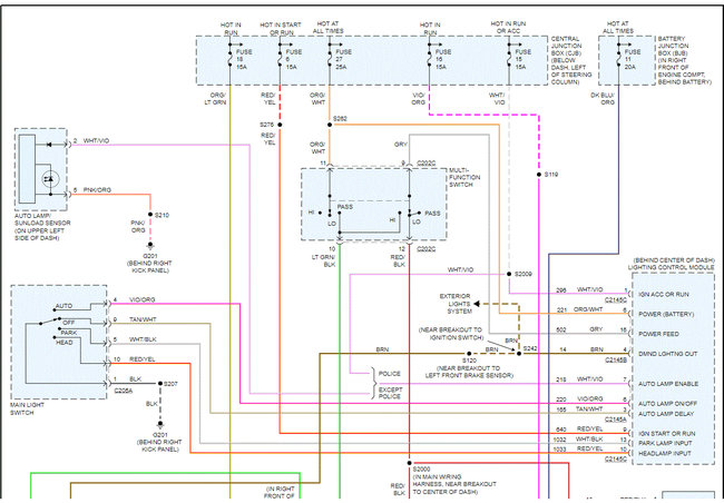
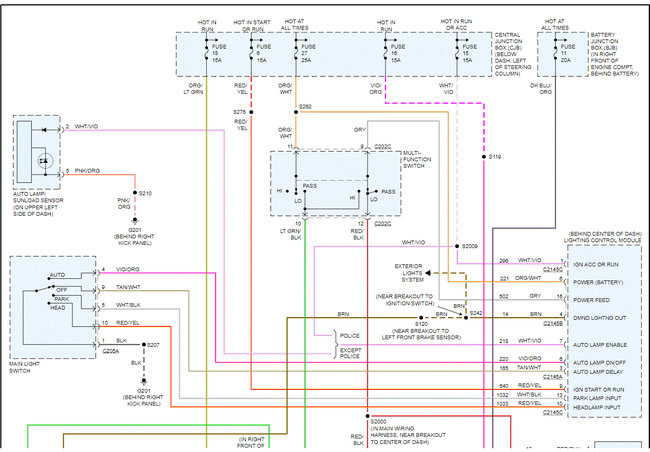
If you look at the two pics below, I included the entire wiring schematic for the headlamp system and DRL. Are you certain that it is fuse 9? I'm seeing a fuse 6 that powers the lighting control module.

If you check the wiring, here is a link you may find helpful:

https://www.2carpros.com/articles/how-to-check-wiring

I have one last question. I just want to confirm this vehicle has daytime running lights. You indicated the problem happens during the day, so I made the assumption. The wiring is for a system with DRL.

Let me know what you find or if you have other questions.

Take care,

Joe

See pics below.

Was this
answer
helpful?
Yes
No
Saturday, April 10th, 2021 AT 9:49 PM
Tiny
TRUCKWES
  • MEMBER
  • 34 POSTS
Hi Joe,

When the headlights goes out #9 fuse is always blown.I drive from 1 to 10 miles with lights on then the fuse is blown. Wires to headlamps okay.#6 fuse is okay.I do not have DRL.I do not know how to read wiring diagrams. Do you think it could in the light switch?
Was this
answer
helpful?
Yes
No
Sunday, April 11th, 2021 AT 5:37 AM
Tiny
TRUCKWES
  • MEMBER
  • 34 POSTS
All other lights works. Like the turn signals parking lights brake lights.
Was this
answer
helpful?
Yes
No
Sunday, April 11th, 2021 AT 5:42 AM
Tiny
TRUCKWES
  • MEMBER
  • 34 POSTS
Does a bad lCM blown fuses?
Was this
answer
helpful?
Yes
No
Sunday, April 11th, 2021 AT 9:07 AM
Tiny
TRUCKWES
  • MEMBER
  • 34 POSTS
I put headlights on when the change gears that when the fuse is blown. I maybe reading the fuse box diagram wrong for #9 fuse. I know it is 25 amp.
Was this
answer
helpful?
Yes
No
Sunday, April 11th, 2021 AT 2:06 PM
Tiny
JACOBANDNICKOLAS
  • MECHANIC
  • 110,194 POSTS
Hi,

ICM stands for ignition control module, so that isn't related. I have to be honest, fuse 9 is a 5 amp fuse for the transmission range sensor. Again, that isn't related.

Where is the fuse that blows? Is it under the dash on the driver's side?

If you look at the two pics below, that is what I am seeing in the manual. Pic 1 is the fuse box under the dash. I highlighted fuse 9. Pic 2 is the legend that indicates that the fuse is for the transmission range sensor.

If you don't turn the lights on, does fuse 9 still blow?

The idea that it blows when you shift gears leads me to believe it could be related to the backup lights. Do they work after the fuse blows?

Also, do both headlamps go out at the same time? Each headlamp assembly (left and right) has its own fuse. See pic 3

Double-check the fuse location and number. We are missing something. Also, see if the backup lights work if the fuse blows.

Let me know.

Joe
Was this
answer
helpful?
Yes
No
Sunday, April 11th, 2021 AT 7:46 PM
Tiny
TRUCKWES
  • MEMBER
  • 34 POSTS
Hi Joe,

I made mistake looking at the fuse. It is #27 fuse. Top left of the fuse box. The headlights goes out the same time. The backup lights work when the fuse is blown.I put the car in drive when car start to roll that is when the fuse blow.
Was this
answer
helpful?
Yes
No
Monday, April 12th, 2021 AT 1:39 PM
Tiny
JACOBANDNICKOLAS
  • MECHANIC
  • 110,194 POSTS
Hi,

That makes more sense. That fuse powers the lighting module (multi-function control module). This makes us have to go in a different direction. Keep in mind, there has to be a short at some point. Since it doesn't blow until you place it in gear, it doesn't sound like it is between the fuse and module, but rather, after. Are you certain this vehicle doesn't have daytime running lights? They would come on automatically day or night. There could be a short at one of the light sockets.

Here is what I would suggest. What needs to be done is the can-bus system needs to be scanned to determine if there are diagnostic trouble codes related to the module in question or if the problem seems to appear to be coming from a different issue. This will require a scanner that can read codes from all modules. CAN stands for controller area network. Basically, all the modules and computers are tied together via a few wires. This type of scan will identify any breakdown in the system. You should find "B" type codes.

Here is a video showing how it is done:

https://youtu.be/InIlnsjOVFA

If you have that done, let me know which code is found. That way, I will know where to check in the system and be able to provide diagnostics related to this specific problem.

Sorry to make this seem more difficult, but this is what needs to be done to narrow down the cause of the problem.

Take care and let me know what you find.

Joe
Was this
answer
helpful?
Yes
No
Monday, April 12th, 2021 AT 7:02 PM
Tiny
TRUCKWES
  • MEMBER
  • 34 POSTS
Hello, I scanned the system with the can-bus. I got dtc b2498. Where do I go from here?
Was this
answer
helpful?
Yes
No
Tuesday, April 13th, 2021 AT 3:58 PM
Tiny
JACOBANDNICKOLAS
  • MECHANIC
  • 110,194 POSTS
Hi,

Based on that code, I suspect the switch is bad. See pic 1 below. It indicates there are multiple inputs are active at the same time.

I attached a pic below showing the definition of the code. See pic 1.

If you decide to replace the switch, pics 2 and 3 provide the directions and pics specific to your vehicle.

If you remove the switch, make sure to inspect the wiring to it as well as the condition of the plugs.

Let me know if this helps or if you have other questions.

Take care,

Joe

See pics below.
Was this
answer
helpful?
Yes
No
+1
Tuesday, April 13th, 2021 AT 6:44 PM
Tiny
TRUCKWES
  • MEMBER
  • 34 POSTS
Thank you for the info. I will replace the switch and see what happen. Get back with you later.
Was this
answer
helpful?
Yes
No
Wednesday, April 14th, 2021 AT 9:46 PM
Tiny
JACOBANDNICKOLAS
  • MECHANIC
  • 110,194 POSTS
Hi,

Sounds like a plan. Let me know if I can help or if you have other questions.

Take care,

Joe
Was this
answer
helpful?
Yes
No
+1
Thursday, April 15th, 2021 AT 4:47 PM
Tiny
TRUCKWES
  • MEMBER
  • 34 POSTS
Hello, the headlight switch worked. Headlight okay. Thank you for the good information.
Was this
answer
helpful?
Yes
No
Wednesday, April 21st, 2021 AT 2:44 PM
Tiny
JACOBANDNICKOLAS
  • MECHANIC
  • 110,194 POSTS
Hi,

You are very welcome. I'm glad to hear it's fixed. You certainly can't be driving around at night with the lights going off. LOL

Regardless, take care of yourself and please feel free to come back anytime in the future if you have questions or need help. You are always welcome.

Joe
Was this
answer
helpful?
Yes
No
+1
Wednesday, April 21st, 2021 AT 6:21 PM

Please login or register to post a reply.