Headlights keep blowing fuses

2004 MERCURY MARQUIS
79,000 MILES • 4.6L • V8 • 2WD • AUTOMATIC
Avatar
TRUCKWES
  • MEMBER
  • 32 POSTS
I change the fuse and keep blowing every 3 days. Do lighting control module be bad?
Apr 6, 2021 at 4:36 AM
Repair Safety Notice: This information is for general instructional purposes only. Vehicle repair can be dangerous. Verify all information, follow manufacturer service procedures, use proper tools and safety equipment, and consult a qualified repair shop when needed.
Advertisement
Avatar
KASEKENNY
  • CAR REPAIR CONTRIBUTOR
  • 18,907 POSTS
In short, yes it can. However we need to know which fuse keeps blowing just to find out what is on that circuit. Then we can narrow it down from there.

https://www.2carpros.com/articles/how-to-check-a-car-fuse

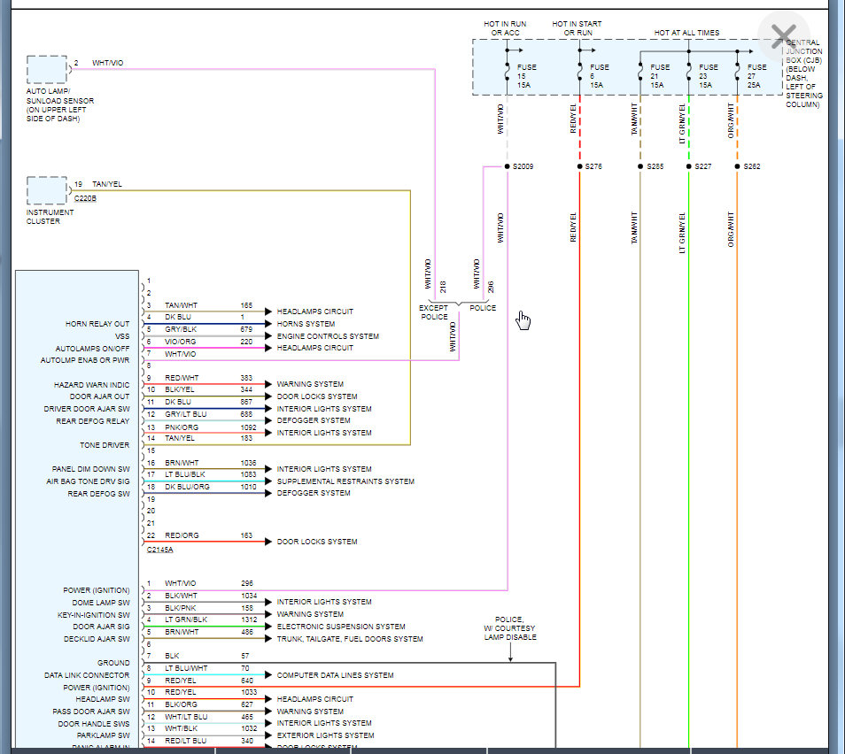
Here is the wiring diagram for the LCM that shows all these fuses but let me know if it something different. Thanks
Apr 7, 2021 at 11:39 AM
Advertisement
Avatar
STRAILER
  • CAR REPAIR CONTRIBUTOR
  • 54,193 POSTS
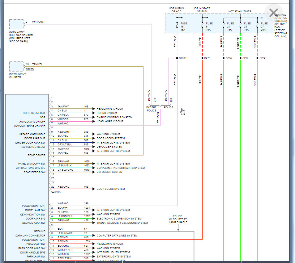
It sounds like you have a lighting control module that is out. with the headlights on (fuse good) see if the module is warm. if so I would replace it. here is the location of the lighting module and the headlight wiring diagrams so you can see how the system works. Check out the diagrams (below). Let us know what happens and please upload pictures or videos of the problem.




Apr 7, 2021 at 11:41 AM