Headlights and running lights are not working?

Tiny
ASHHH7901
  • MEMBER
  • 1996 INFINITI J30
  • 2WD
  • AUTOMATIC
  • 16,000 MILES
Hello, so we only have high beams and no running lights. Any idea what could cause this?
Monday, March 3rd, 2025 AT 2:26 PM

1 Reply

Tiny
KEN L
  • MASTER CERTIFIED MECHANIC
  • 55,486 POSTS
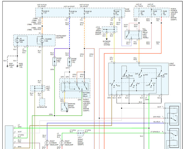
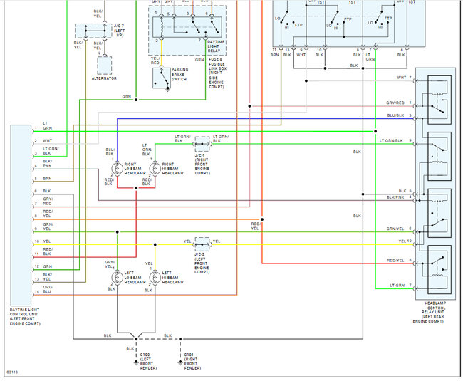
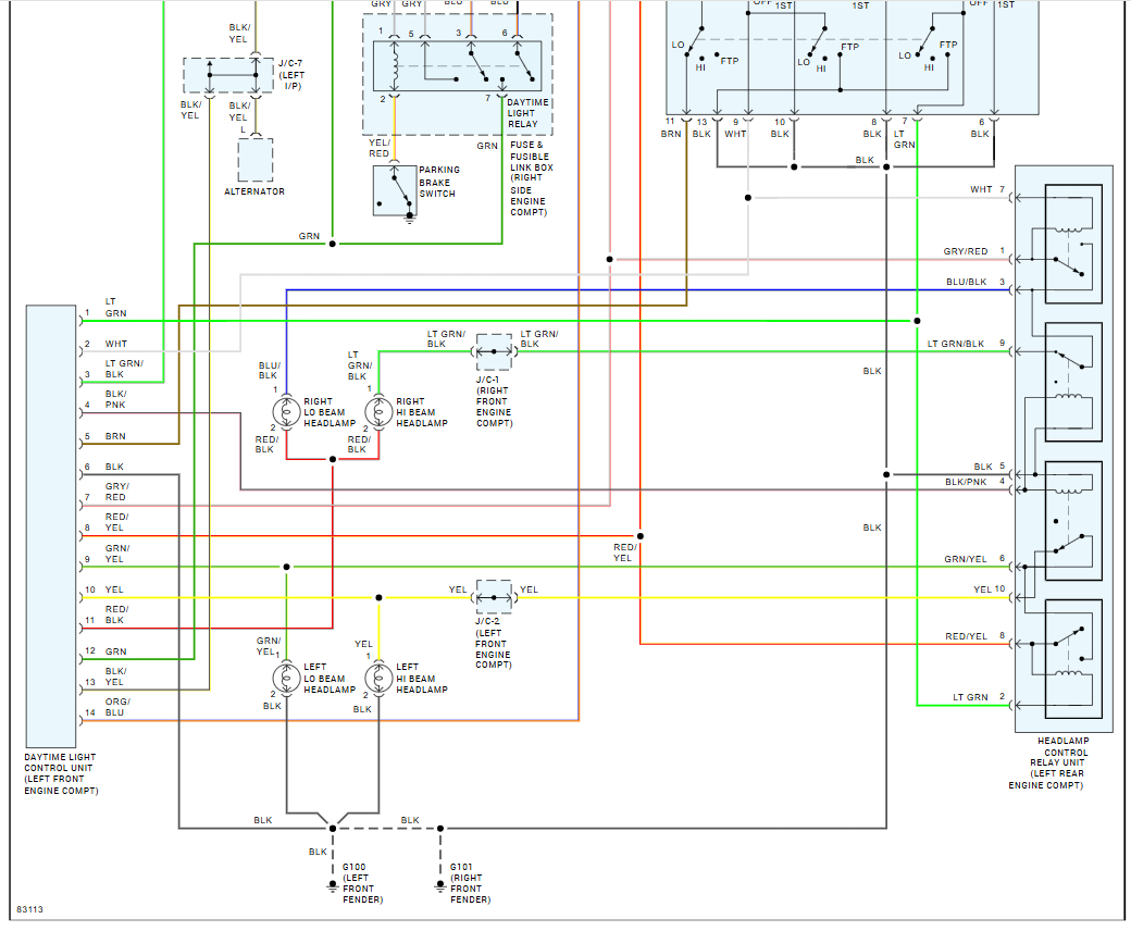
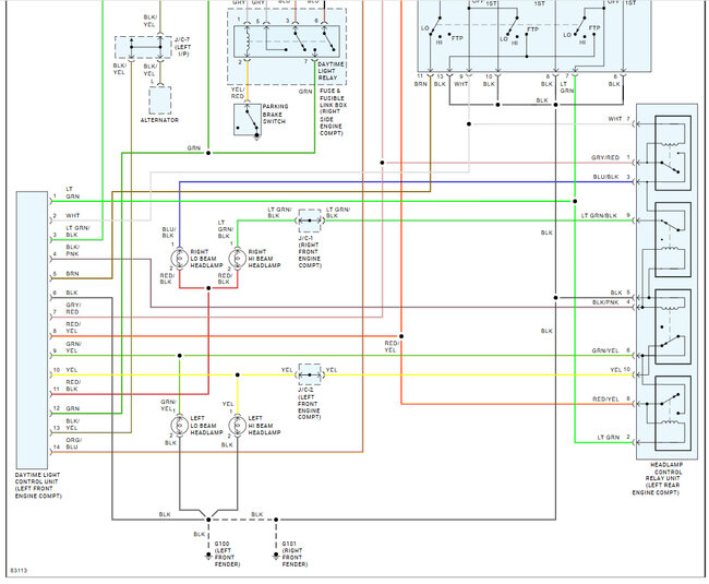
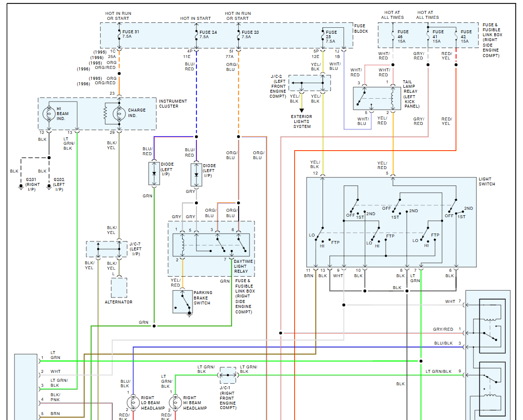
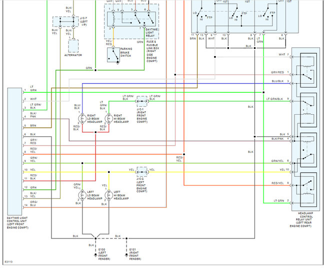
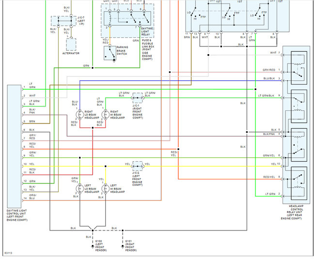
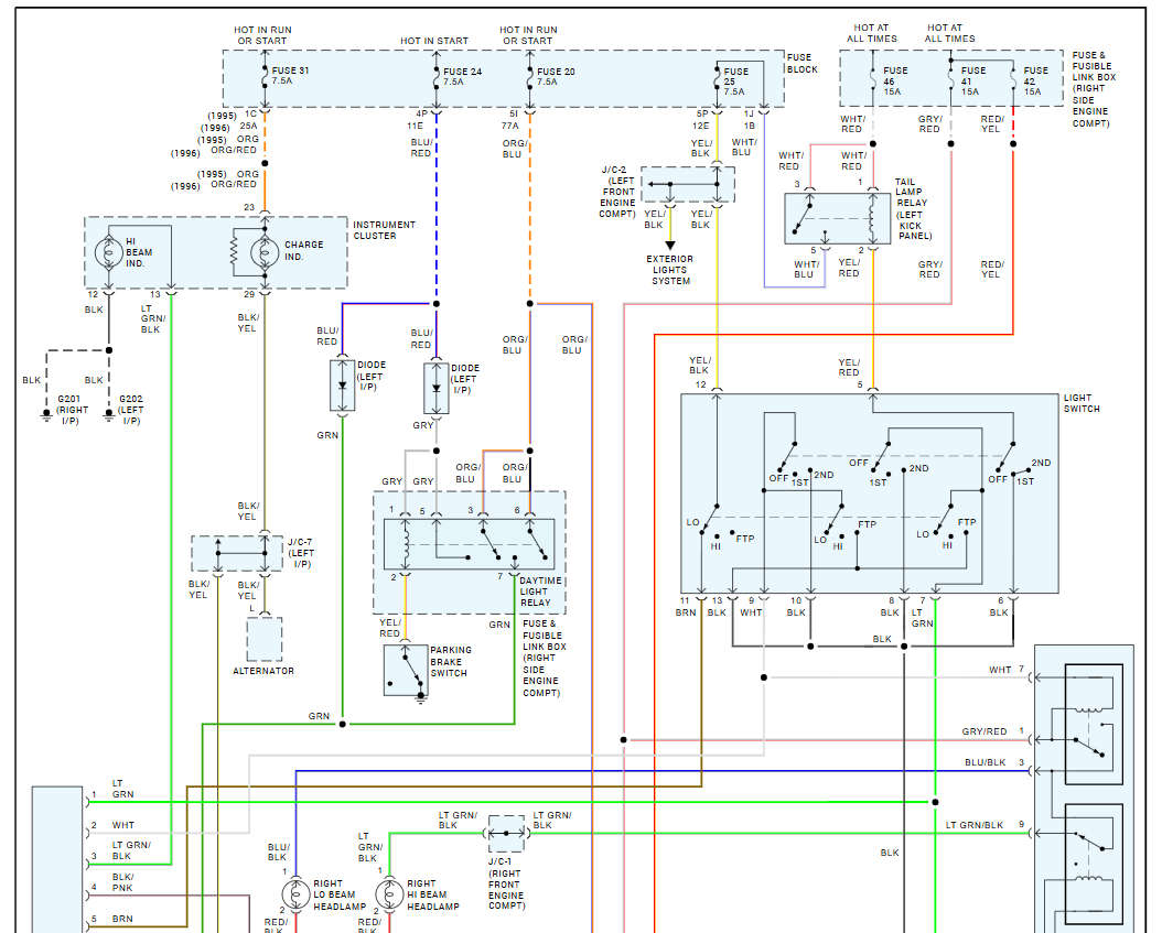
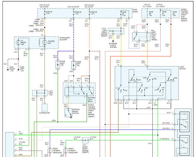
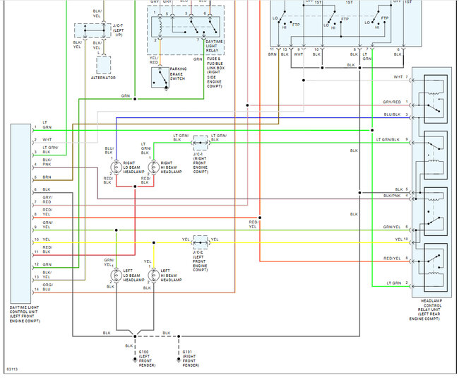
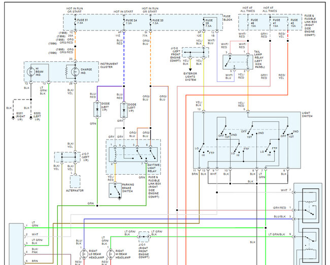
Sure, it can be a couple of different problems but let's start with the easy stuff, please check fuse # 25 7.5 amp and fuse #56. Here is a guide to help and the fuse locations in the image below. If the fuses are okay, I would try swapping out the taillight relay. Here are the wiring diagrams for the switch as well so we can test through it.

https://www.2carpros.com/articles/how-to-check-a-car-fuse

Check out the images (below). Please let us know what happens.
Was this
answer
helpful?
Yes
No
Tuesday, March 4th, 2025 AT 12:01 PM

Please login or register to post a reply.