Headlights not working properly

Tiny
MARIO RICO
  • MEMBER
  • 2001 BUICK LESABRE
  • 3.8L
  • 6 CYL
  • 2WD
  • AUTOMATIC
  • 115,000 MILES
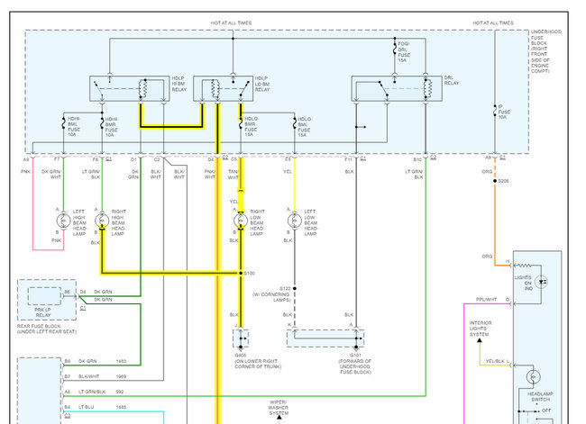
My headlights do not turn on. My high beams will turn on and stay on. All other lights also work fine. Fuses were good. The bulbs were good.
Thursday, December 23rd, 2021 AT 3:23 PM

1 Reply

Tiny
SQM
  • MECHANIC
  • 6,383 POSTS
Hello,

There is a relay for the low beam headlight bulbs. It is located under the hood fuse block.
A bad relay can prevent the headlights from coming on.
Check for any corrosion or burnt pin(s).

Here is a guide on how to test relays:

https://www.2carpros.com/articles/how-to-check-an-electrical-relay-and-wiring-control-circuit

I have attached diagrams below. It is number 28.

If the relay is good and getting power, it could be a wiring issue.

Please let me know what you find with the relay.

Thank you.
Was this
answer
helpful?
Yes
No
Friday, December 24th, 2021 AT 6:11 PM

Please login or register to post a reply.