Automatic headlights not working

Tiny
RWIEPRECHT
  • MEMBER
  • 2000 CHEVROLET IMPALA
  • 1.3L
  • 6 CYL
  • 2WD
  • AUTOMATIC
  • 100,000 MILES
My automatic headlights will not come on. The running lights and turn signals work.
Wednesday, August 15th, 2018 AT 2:55 PM

1 Reply

Tiny
KEN L
  • MASTER CERTIFIED MECHANIC
  • 55,335 POSTS
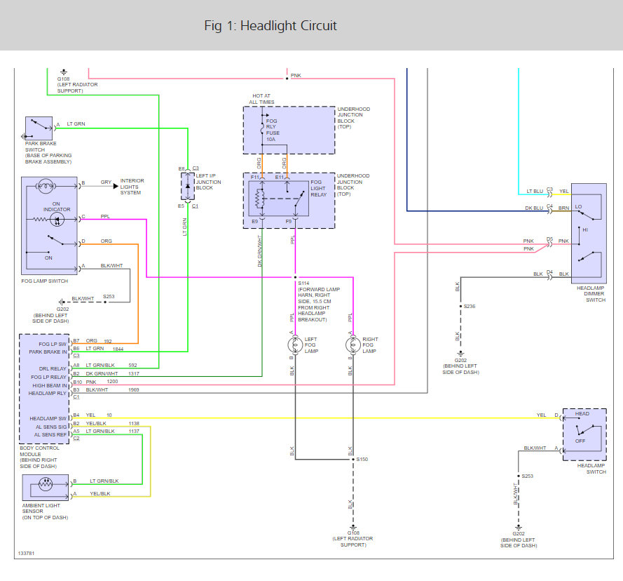
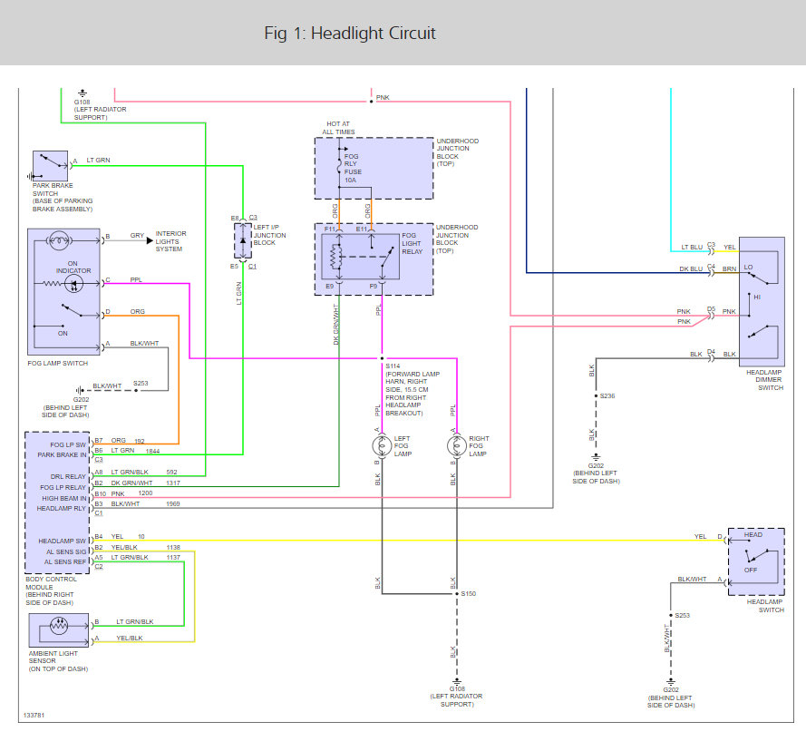
Hello, it sounds like the ambient light sensor has gone out for the headlight system. Here is a wiring diagrams so you can see how the system works and the location of the sensor.

Check out the diagrams (below). Let us know what happens and please upload pictures or videos of the problem.

Cheers, Ken
Was this
answer
helpful?
Yes
No
-1
Friday, August 17th, 2018 AT 11:24 AM

Please login or register to post a reply.