Headlights not working properly?

Tiny
JEFF HERMAN
  • MEMBER
  • 1999 TOYOTA COROLLA
  • 1.8L
  • 4 CYL
  • 2WD
  • AUTOMATIC
  • 136,000 MILES
I just lost all headlights on my car. The low beams will come on only if the car is running and only stay on until the automatic dash lights come on. I don´t remember the car needing to be running to have the headlights lit. If I shut the car off the low beams come on again until the dash lights come on. All other lights work, hazards, turn signals, tail? Brake lights. I haven´t had time to check relays or fuses yet. I will check them tomorrow. Is there an identical relay for the headlights or high beams I can swap to test?
Saturday, January 21st, 2023 AT 7:37 PM

8 Replies

Tiny
JEFF HERMAN
  • MEMBER
  • 486 POSTS
Update, I just checked all fuses, and they are good. No high beams at all. High beam indicator light only when pulled into temporary but if switched on then no indicator light.
Was this
answer
helpful?
Yes
No
Saturday, January 21st, 2023 AT 8:10 PM
Tiny
STEVE W.
  • MECHANIC
  • 15,685 POSTS
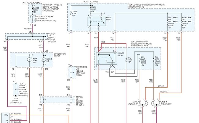
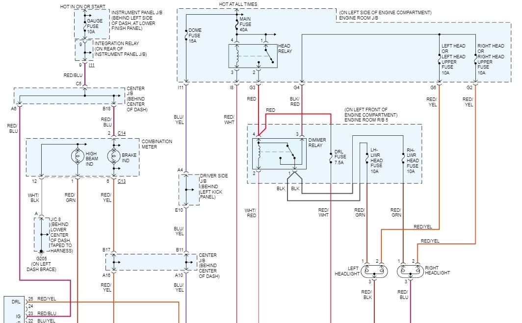
That sounds like the DRL relay has failed or isn't switching properly. It is in the relay box on the radiator support. When it is in the off position it loops the grounds so that the bulbs get effectively half the voltage they need. Then when you switch the lights on the relay moves to on and now you have full power high and low lamps. It is a 4 pin relay with 2 large terminals and 2 smaller ones. To test if it's the relay you could unplug it from the socket then take a piece of wire and on the connector side bridge across the two larger terminals (2 in blue). Try the lights, if they now work on both beams the relay either isn't being controlled or it has failed internally. A test to see if it's the control circuit would be to connect a test light to the two smaller terminals in the connector (orange). Turn the lights on and the light should turn on if the control voltage is working. If the relay is plugged in you can also have someone turn the lights on and off and see if you feel it click. Then try the jumper wire, if the lights now work, replace the relay.
If they are still not working then the next step is to go to the DRL controller behind the dash over the glove box. That is a dealer part though so hopefully the jumper makes it work so you can replace only the relay.
There is also a way to disable the drls and make the system a standard system, that is covered in the TSB- Electrical EL011-00 If you search that TSB it covers the process.
Was this
answer
helpful?
Yes
No
-1
Saturday, January 21st, 2023 AT 10:27 PM
Tiny
JEFF HERMAN
  • MEMBER
  • 486 POSTS
Good news is it was the DRL relay. For future reference can I drive with the DRL relay out and the large terminals jump wired so all the lights work?
Was this
answer
helpful?
Yes
No
Sunday, January 22nd, 2023 AT 1:00 PM
Tiny
STEVE W.
  • MECHANIC
  • 15,685 POSTS
Shouldn't be a problem as it basically just adds the ground. Not sure what it does with the DRLs though.
Was this
answer
helpful?
Yes
No
Sunday, January 22nd, 2023 AT 8:53 PM
Tiny
JEFF HERMAN
  • MEMBER
  • 486 POSTS
I'm sure it's better than driving by the light of your blinking hazards like I did the other night when my relay went out.
Was this
answer
helpful?
Yes
No
Sunday, January 22nd, 2023 AT 10:47 PM
Tiny
STEVE W.
  • MECHANIC
  • 15,685 POSTS
Yeah, it is that. I don't see where it would cause an issue other than the DRLs not working, which if the wiring is correct shouldn't be something that would set a code. You may want to make the wire heavier just to keep the current draw happy but that's about it.
Was this
answer
helpful?
Yes
No
Monday, January 23rd, 2023 AT 12:02 AM
Tiny
JEFF HERMAN
  • MEMBER
  • 486 POSTS
It's all good, I replaced the relay. I'll just know what to do if it happens again. Thank you.
Was this
answer
helpful?
Yes
No
Monday, January 23rd, 2023 AT 8:02 AM
Tiny
STEVE W.
  • MECHANIC
  • 15,685 POSTS
Good to have options. Thank you for using 2CarPros.
Was this
answer
helpful?
Yes
No
Monday, January 23rd, 2023 AT 10:30 AM

Please login or register to post a reply.