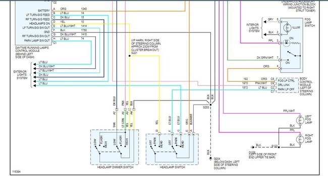
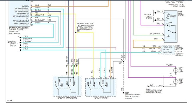
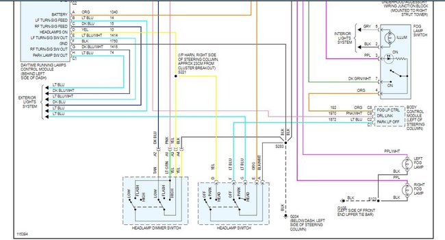
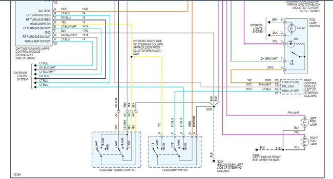
Saturday, February 8th, 2020 AT 11:28 AM
Checked the headlights fuses and they are fine. Checked the headlights themselves and as you can see with the picture below, they are fine. Even tapped them to see if they would go on but to no avail. Don't know what it could be.




