Headlights wont come on

Tiny
VLMIKSCH
  • MEMBER
  • 1999 BUICK REGAL
99 Buick regal headlights wont come on all other lights come on fuses checked light bulbs are new and replaced the dimer part and still wont come on what else could it be?
Sunday, January 2nd, 2011 AT 5:07 AM

19 Replies

Tiny
KEN L
  • MASTER CERTIFIED MECHANIC
  • 55,383 POSTS
Hey VLMIKSCH,

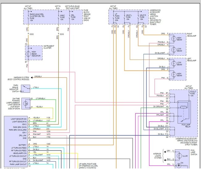
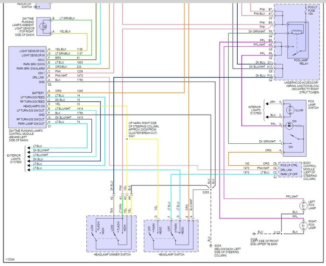
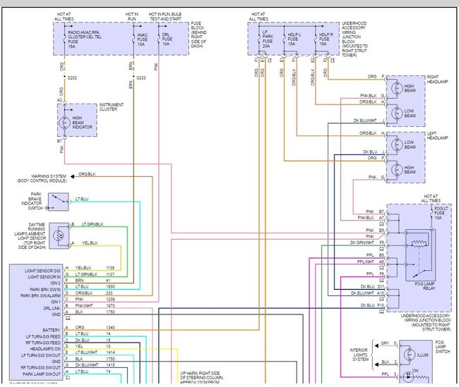
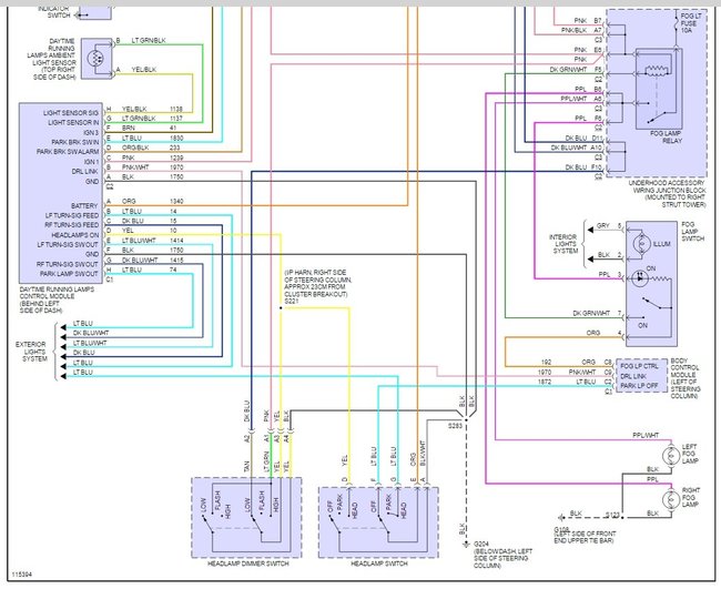
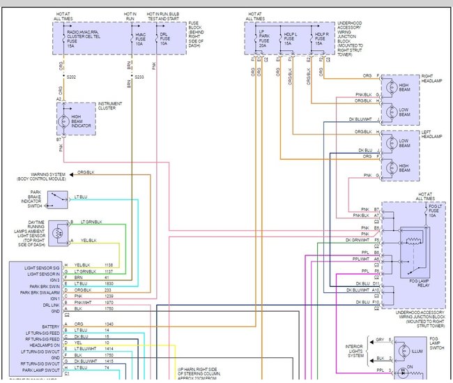
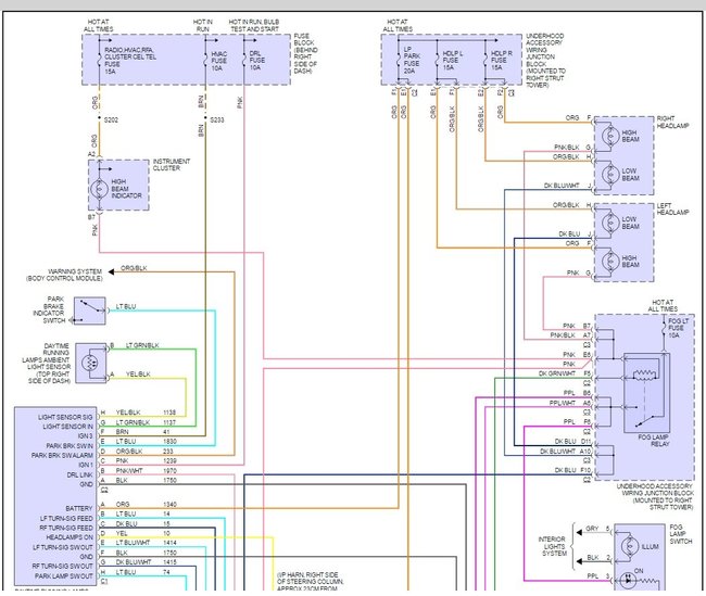
It sounds like the headlight switch or some fuses are out, here is a guide and a wiring diagram for the headlights, please do some testing and get back to me.

https://www.2carpros.com/articles/how-to-use-a-test-light-circuit-tester

Best, Ken
Was this
answer
helpful?
Yes
No
+4
Thursday, February 2nd, 2017 AT 3:15 AM
Tiny
BDAVIS
  • MEMBER
  • 1 POST
  • 1999 BUICK REGAL
  • 6 CYL
  • 2WD
  • AUTOMATIC
  • 145,000 MILES
Electrical problem
1999 Buick Regal 6 cyl Two Wheel Drive Automatic 145000 miles

Headlight don't work. Parking light work until you turn on the headlight then they will dim. Hold on hight beams and you can smell it starting to burn. Fuse are all good.
Was this
answer
helpful?
Yes
No
+2
Thursday, February 2nd, 2017 AT 3:16 AM (Merged)
Tiny
JACOBANDNICKOLAS
  • MECHANIC
  • 110,192 POSTS
Hi:
It sound like there is a short in the steering column or at the switch. I recommend having a auto electric mechanic look at the problem. If you smell something getting that hot, it could catch fire.

Joe
Was this
answer
helpful?
Yes
No
Thursday, February 2nd, 2017 AT 3:16 AM (Merged)
Tiny
CINCIN282
  • MEMBER
  • 1 POST
  • 1999 BUICK REGAL
1999 Buick Regal

I have a 1999 Buick Regal. The headlights won't work.
I have change the bulbs and fuses. I have also had the switch out and don't think that is the problem. My manual said that the headlight wiring is protected by a circuit breaker, but I can't find it. Can you tell me where it is at, how to test it and if I can change it if it is not working?
Was this
answer
helpful?
Yes
No
+2
Thursday, February 2nd, 2017 AT 3:16 AM (Merged)
Tiny
JDL
  • MECHANIC
  • 16,098 POSTS
Welcome to the forum. Voltage to your headlamps is hot all the time. Your headlamps are controlled on the ground circuit. If you haven't already, use a testlite at the left and right headlamp fuse, that circuit should be hot all the time. You can also check for voltage at the headlamp connector, low beam circuit, orange with black tracer, should be hot all the time. The ground is through the dimmer switch.

My info didn't exactly show a circuit breaker. I know on older systems, the breaker is inside the headlamp switch assembly, the breaker itself isn't replaceable as far as I know.
Was this
answer
helpful?
Yes
No
Thursday, February 2nd, 2017 AT 3:16 AM (Merged)
Tiny
DGPROZZO
  • MEMBER
  • 11 POSTS
  • 2011 BUICK REGAL
  • 4 CYL
  • FWD
  • AUTOMATIC
  • 110,000 MILES
About 3 months ago what I thought was a burned out left front low-beam bulb turned out to be a bad socket. The half of the socket was melted and crumbly. Bulb was good; have had no blown fuses. I spliced a new socket in place (solder and shrink wrap). Yesterday the beam went out again. When I checked it out I found that the insulation on the two wires had melted next to the socket and there was a short. Pulled the two wires apart and the bulb came on. When I removed the bulb I found that the inside of the socket was starting to melt again. Just finished replacing the socket for the second time, and the bulb (H1155) too.

Have not had any problems with the bulb on the passenger's side of the car.

Any ideas why this is happening? For what it is worth, I placed a multimeter between the neg battery and the contacts in the socket, got 0.26 volts on one side, 0 on the other. There is a plastic cover on the back of the headlight assembly; I left it off for now, thinking it may be contributing to excess heat buildup.
Was this
answer
helpful?
Yes
No
Wednesday, July 31st, 2019 AT 12:03 PM (Merged)
Tiny
JACOBANDNICKOLAS
  • MECHANIC
  • 110,192 POSTS
Hi:

You only got 0.26v from the light socket? That wouldn't even light the bulb. Please recheck it and check it both with the engine off and the engine running. Also, are the OEM type bulbs you have in the vehicle?
Was this
answer
helpful?
Yes
No
Wednesday, July 31st, 2019 AT 12:03 PM (Merged)
Tiny
DGPROZZO
  • MEMBER
  • 11 POSTS
Using the bulbs that the guys at OReilly's looked up and said to use. H1155. Eiko brand. The voltage is with the engine off. Did this because someone (another customer) said that I might have a "bad ground" and said to check this. I'll check it with the engine running when I have a chance, and reply back.
Was this
answer
helpful?
Yes
No
Wednesday, July 31st, 2019 AT 12:03 PM (Merged)
Tiny
JACOBANDNICKOLAS
  • MECHANIC
  • 110,192 POSTS
Let me know. If I'm correct, that is a bulb that shins blue, correct? You may want to try using a standard H11 bulbs. Also, if one of the bulbs isn't making good contact, it could be arcing in the plug causing heat to build up. You should also try using dielectric grease in the contacts to see if that helps. Also, make sure the pins on the light are making good contact.
Was this
answer
helpful?
Yes
No
Wednesday, July 31st, 2019 AT 12:03 PM (Merged)
Tiny
DGPROZZO
  • MEMBER
  • 11 POSTS
Not a blue bulb. Just a standard OEM type. The Eiko H11 is 55W, 13.2V.

I checked the voltage with the lights switched on, measured 12.4V.

Re: the connection. I just pushed the bulb into the socked until the tab snapped into place.
Was this
answer
helpful?
Yes
No
-1
Wednesday, July 31st, 2019 AT 12:03 PM (Merged)
Tiny
MICHAELSENN
  • MEMBER
  • 2 POSTS
  • 2000 BUICK REGAL
  • 6 CYL
  • 2WD
  • AUTOMATIC
  • 69,000 MILES
I have a 2000 buick regal. My high beams go on when I thit the switch but do not stay on. What do I need to do to fix it?
Was this
answer
helpful?
Yes
No
Wednesday, July 31st, 2019 AT 12:03 PM (Merged)
Tiny
DOCFIXIT
  • MECHANIC
  • 18,828 POSTS
Suspect dimmer switch need to remove steering collum cover
Was this
answer
helpful?
Yes
No
Wednesday, July 31st, 2019 AT 12:03 PM (Merged)
Tiny
BRAD_JENNINGS
  • MEMBER
  • 1 POST
Was this problem ever resolved? Sorry, I know this is an old post, but I'm having the same problem on the passenger side of my 2011 Regal. The insulation on the wires at the socket is even burnt off in mine. Dealership said that I would need to change the headlamp assembly. I just found a used one on eBay last night and ordered. I would really like to know what causes this though, to ensure I don't have the same problem again.
Was this
answer
helpful?
Yes
No
Wednesday, July 31st, 2019 AT 12:03 PM (Merged)
Tiny
MICHAELSENN
  • MEMBER
  • 2 POSTS
Is this difficult? Can I do it myself or do I have to have a mechanic do it?
Was this
answer
helpful?
Yes
No
Wednesday, July 31st, 2019 AT 12:03 PM (Merged)
Tiny
DGPROZZO
  • MEMBER
  • 11 POSTS
Dealer told me the same thing. Ended up buying a plug at an auto parts store, cut off the old one, then soldered the new one in place. Used shrink wrap to insulate the solder joint. Not easy, not a lot of room and not a lot of wire to work with on the vehicle side. Don't know if this was a permanent fix, ie was there some underlying problem that will cause the new socket to overheat, because we have traded the car.
Was this
answer
helpful?
Yes
No
Wednesday, July 31st, 2019 AT 12:03 PM (Merged)
Tiny
DOCFIXIT
  • MECHANIC
  • 18,828 POSTS
It is part of turn signal switch/multifunstion switch. Need to remove air bag and steering wheel. Need special tool for that. So not knowing your skills and access to tools can't say if you can do this
Was this
answer
helpful?
Yes
No
Wednesday, July 31st, 2019 AT 12:03 PM (Merged)
Tiny
KELLIE WILSON
  • MEMBER
  • 1 POST
I'm having the exact same issue with my 2011 Buick regal is anyone familiar with the process of informing GM to get them to consider recalling the defective part.
Was this
answer
helpful?
Yes
No
Wednesday, July 31st, 2019 AT 12:03 PM (Merged)
Tiny
02BUICKREGALLS
  • MEMBER
  • 9 POSTS
I have removed a turn signal/highbeam switch without removing airbag or steering wheel, not really a hard thing to do. Use a short right angled phillips screwdriver for the one screw.
Was this
answer
helpful?
Yes
No
+1
Wednesday, July 31st, 2019 AT 12:03 PM (Merged)
Tiny
JACOBANDNICKOLAS
  • MECHANIC
  • 110,192 POSTS
Hi everyone:

As far as contacting the manufacturer, in the rear of the owner's manual is a listing of numbers to contact them. They usually have it broken down into zones for different areas. I would contact them with your concerns. As far as the light sockets, once the connection no longer has a good contact, power can arc. When that happens, it causes more heat to develop. I have a feeling that is what is happening with these causing the problem.

With that in mind, I feel the prior post, the replacement of the socket, is the cheapest way to try and resolve the issue.

Joe
Was this
answer
helpful?
Yes
No
Wednesday, July 31st, 2019 AT 12:03 PM (Merged)

Please login or register to post a reply.