Friday, March 4th, 2022 AT 11:57 AM
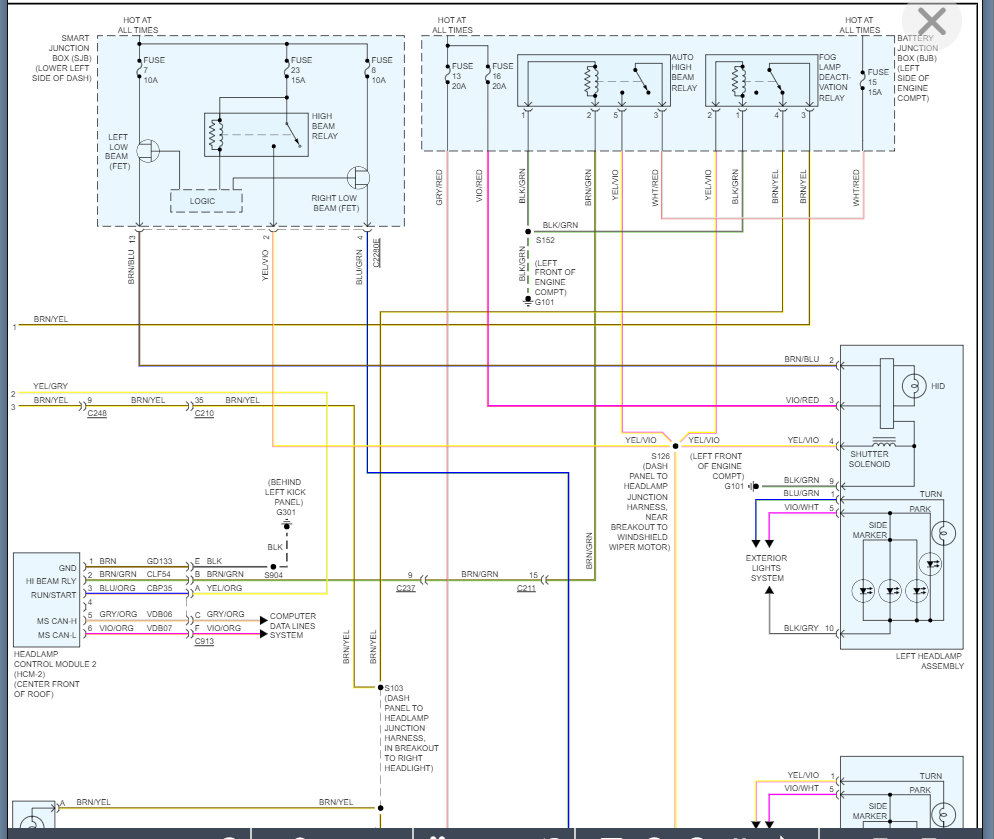
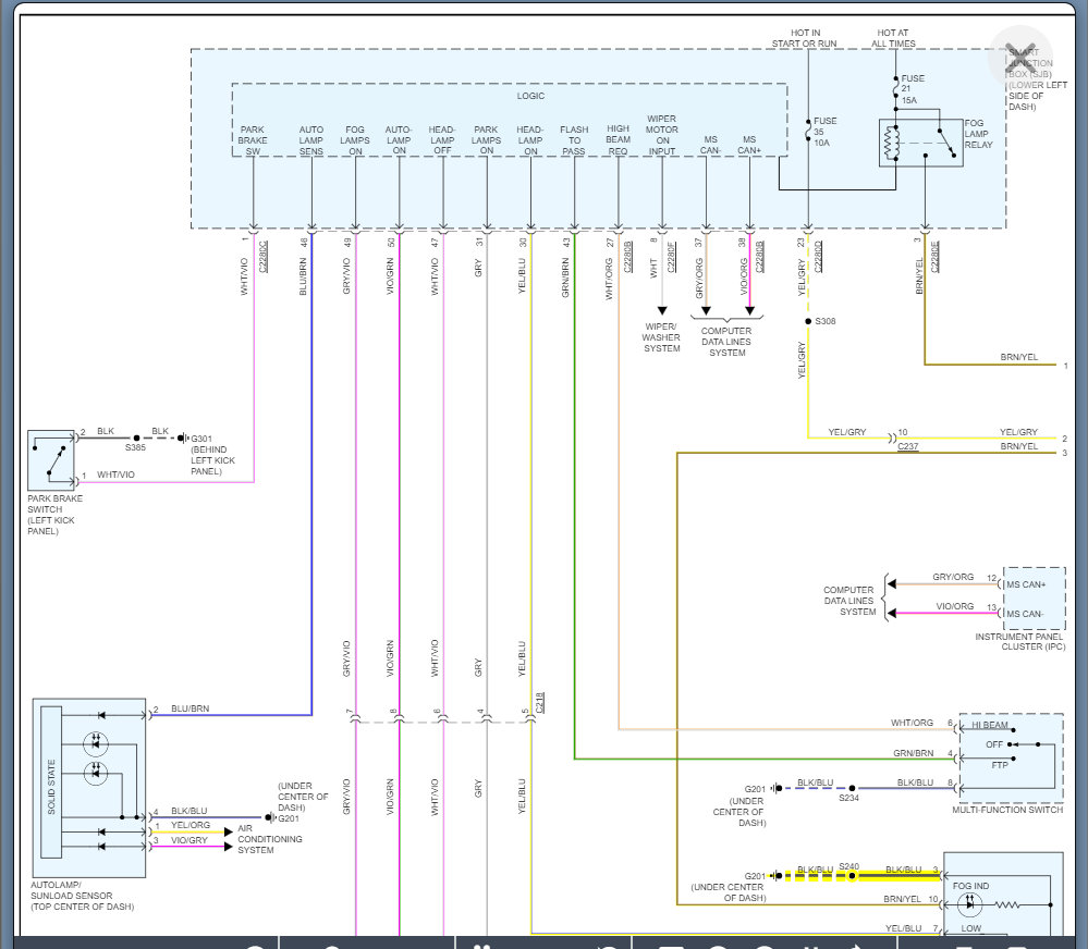
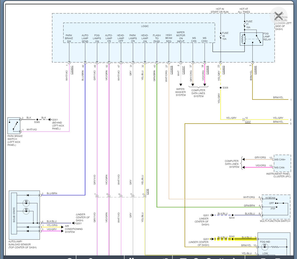
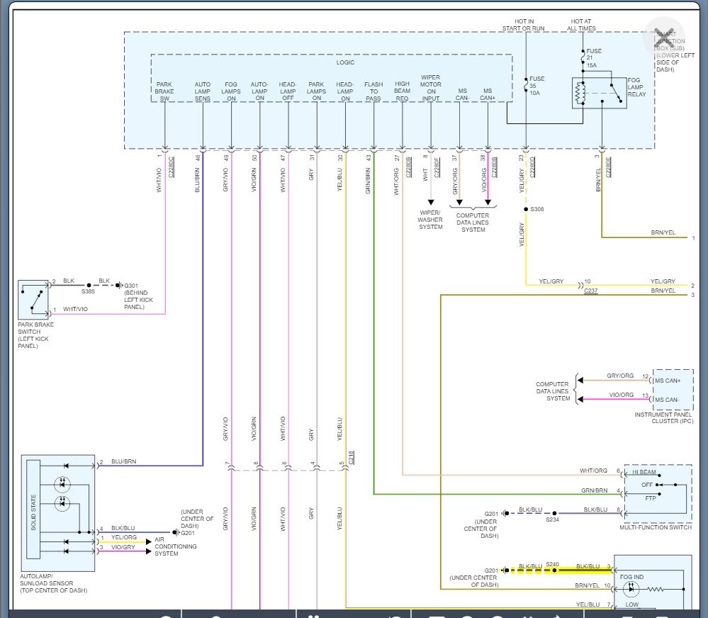
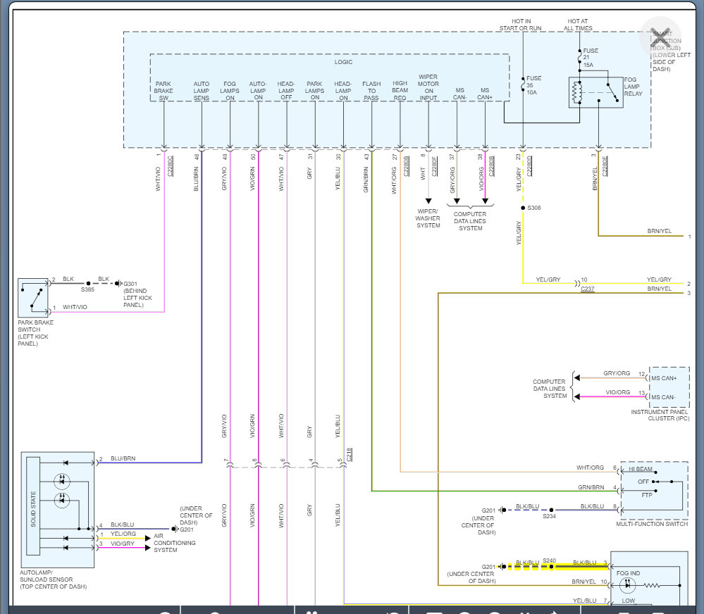
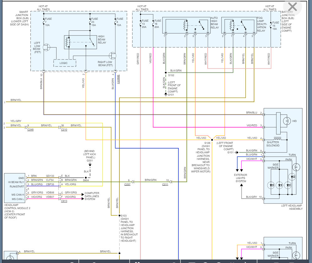
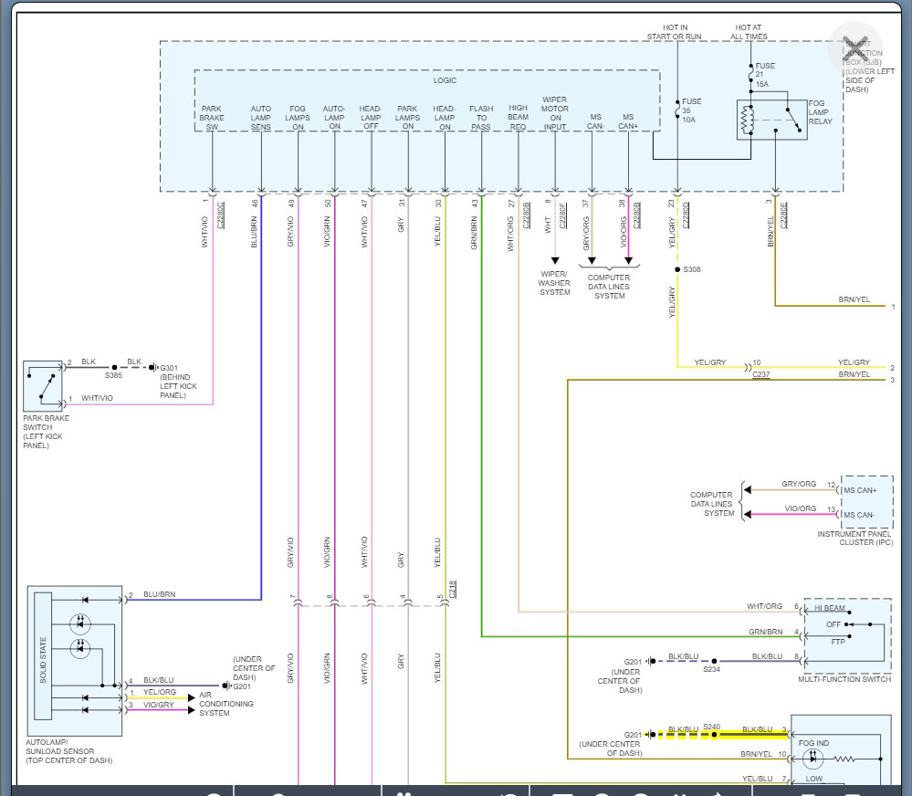
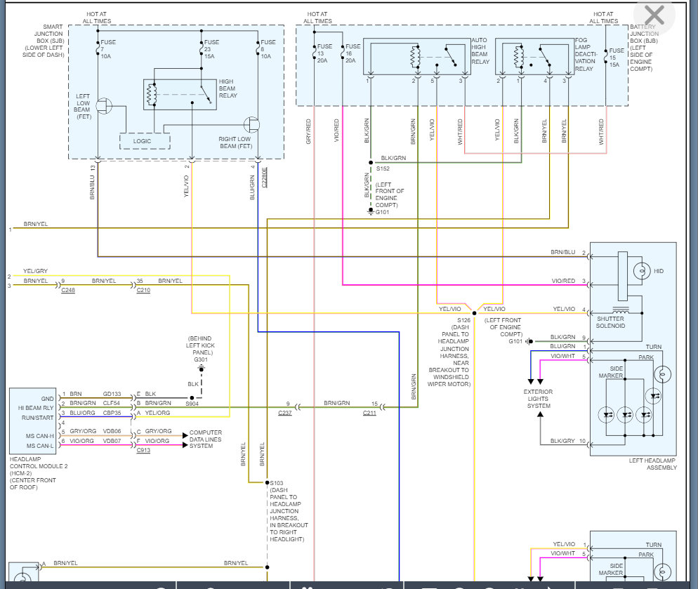
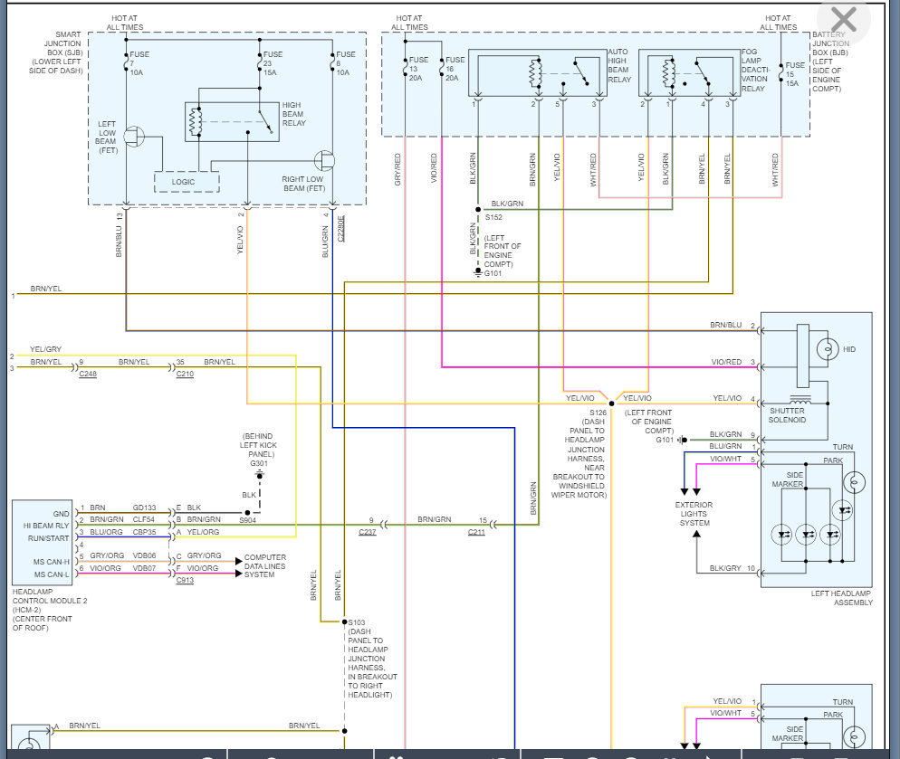
I have a problem with my headlights going out randomly. Sometimes the left and sometimes the right and at times both. If I turn them off with the switch and back on, they will work until I hit the brake or accelerate too fast.

