Thursday, April 4th, 2019 AT 12:03 AM
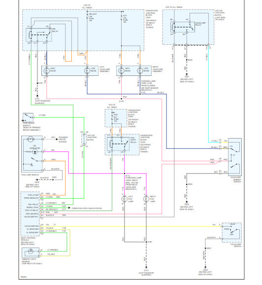
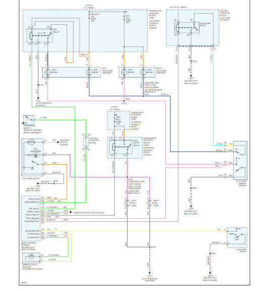
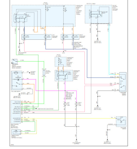
I checked the relay fuses they were not corroded or blown so I don't know if the switch on steering wheel where you turn the brights on is bad, it doesn't click anymore. I have parking lights. If it is that switch in what is an estimated amount for the new one?



