Headlight wiring diagrams

Tiny
GREEN4391
  • MEMBER
  • 2001 CHEVROLET BLAZER
  • 133,000 MILES
Headlights not working only when you hold dimmer switch on.
Thursday, June 13th, 2019 AT 9:58 AM

4 Replies

Tiny
KEN L
  • MASTER CERTIFIED MECHANIC
  • 55,538 POSTS
Hello,

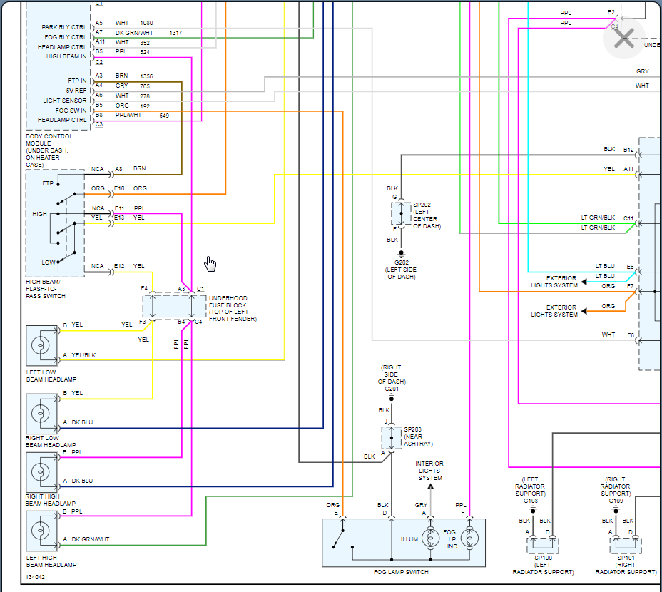
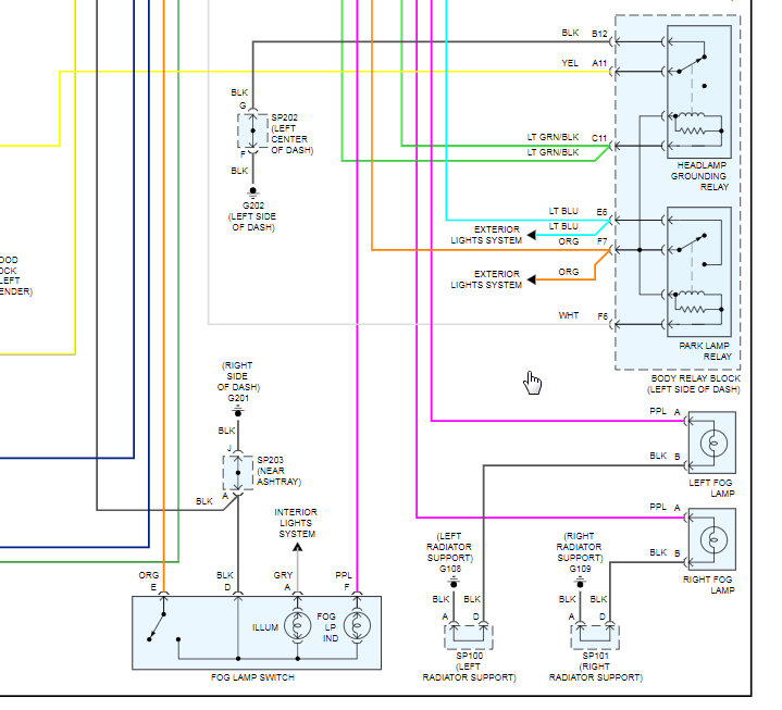
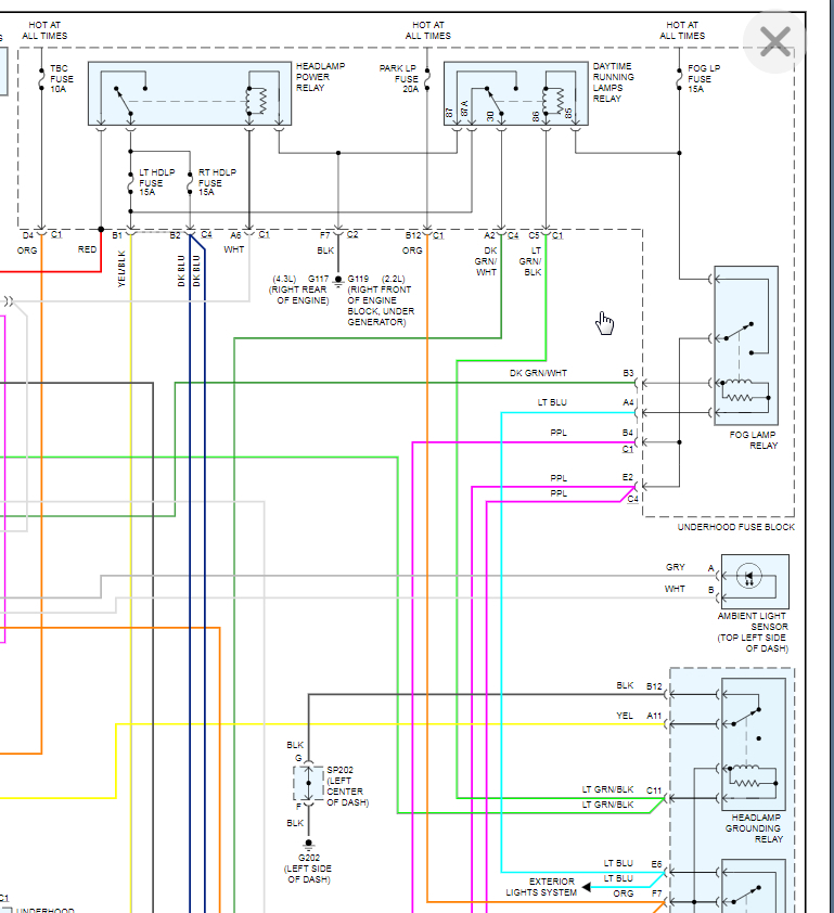
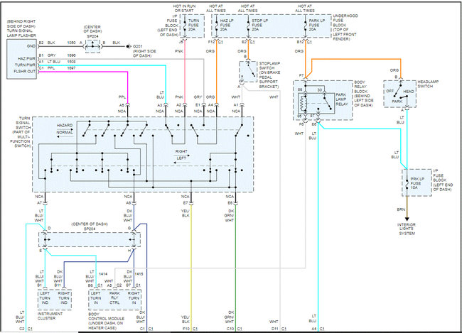
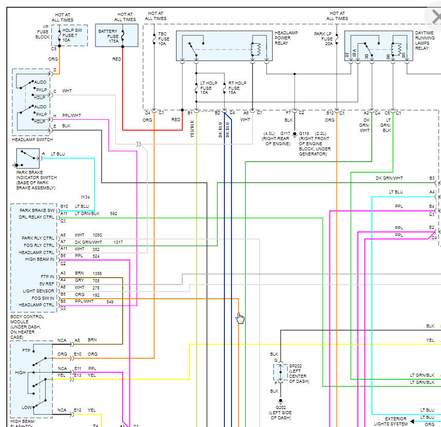
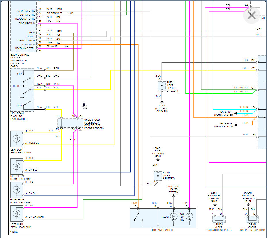
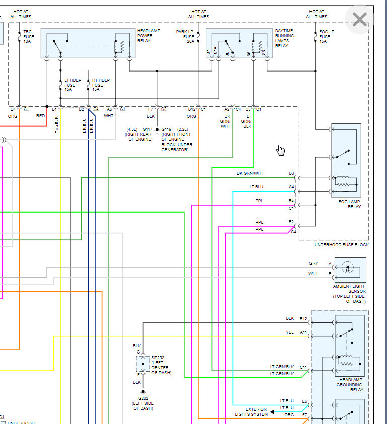
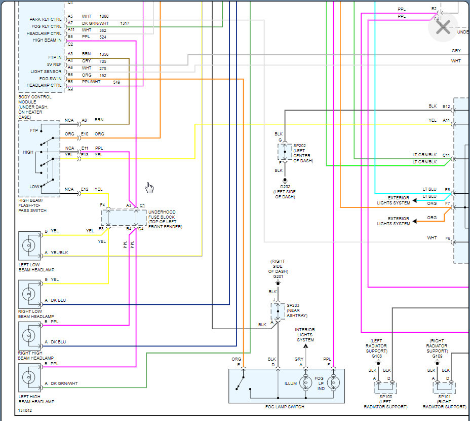
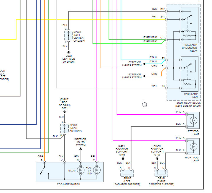
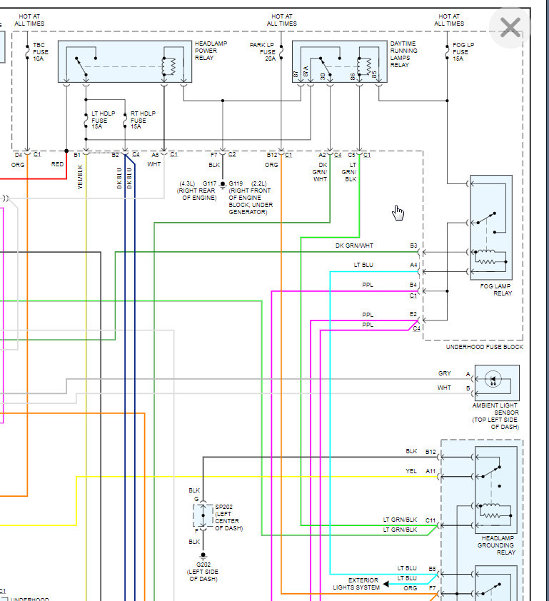
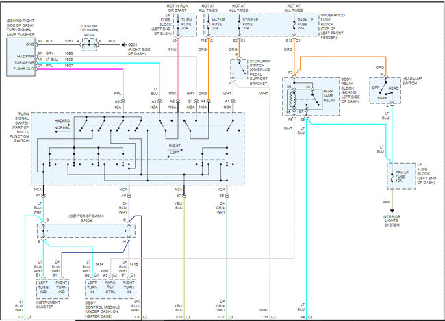
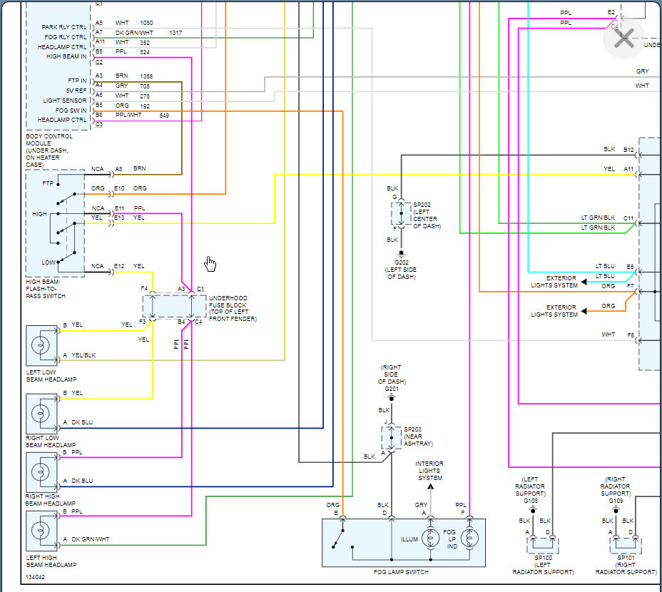
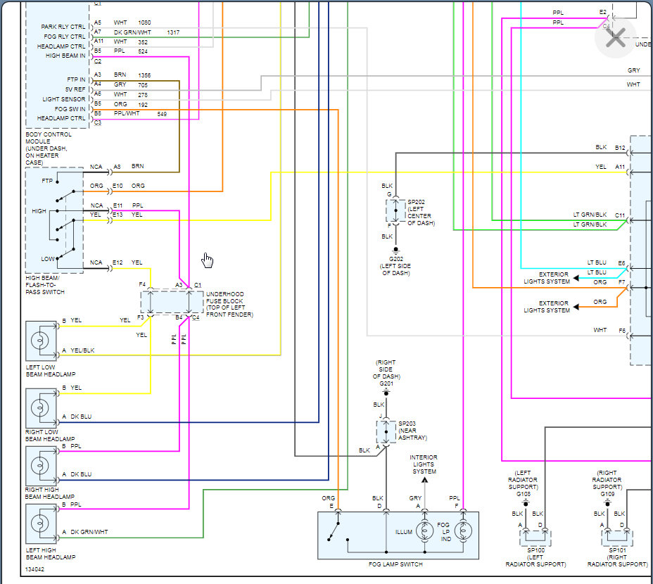
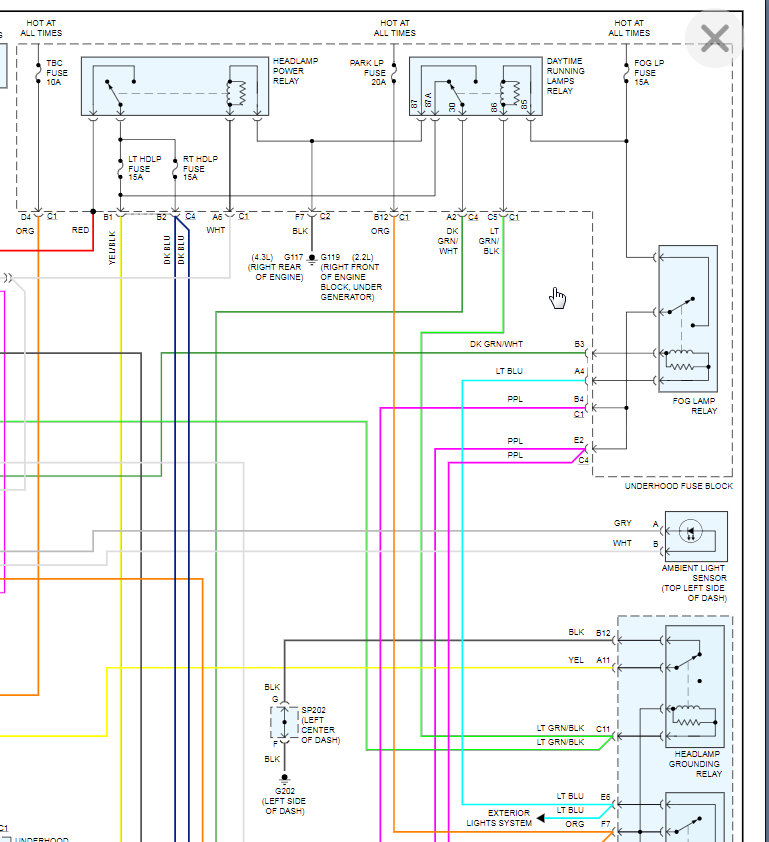
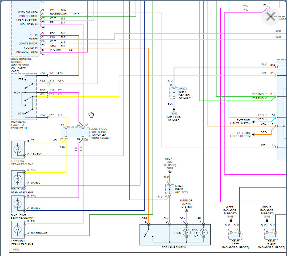
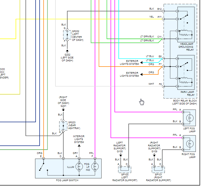
It sounds like the headlight power relay or the switch is no good. but to be sure lets use a test light to see where you are losing power. here are the headlight wiring diagrams so you can see how the system works:

https://www.2carpros.com/articles/how-to-use-a-test-light-circuit-tester

and

https://www.2carpros.com/articles/how-to-check-an-electrical-relay-and-wiring-control-circuit

Here is the relay location as well. Check out the diagrams (below). Please let us know what you find. We are interested to see what it is.
Was this
answer
helpful?
Yes
No
Monday, June 17th, 2019 AT 1:09 PM
Tiny
NATPOIRIER84
  • MEMBER
  • 1 POST
  • 2001 CHEVROLET BLAZER
  • 200,000 MILES
I am currently trying to wire in everything that is on the replacement front clip I got for the vehicle listed above with a 1997 Chevrolet Blazer core-support only thing is there 's a lot of things different. I still have factory 2001 harness but have it cut off at the fuse relay block attached to inner fender well. What are my options? Here everything else works but the 1997 harness is pretty different, colors don't match up there 's a lot. Any help would be appreciated.
Was this
answer
helpful?
Yes
No
Wednesday, July 28th, 2021 AT 1:37 PM (Merged)
Tiny
JACOBANDNICKOLAS
  • MECHANIC
  • 110,194 POSTS
Hi,

The only thing I can suggest is to take both sets of wiring schematics and compare them. This isn't going to be very easy to do, but you need to determine what each wire is for and then join the ones that are the same.

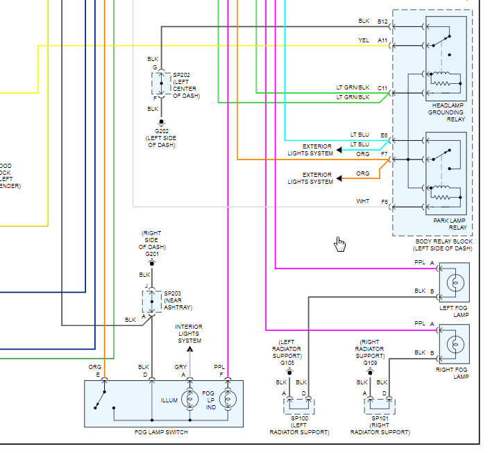
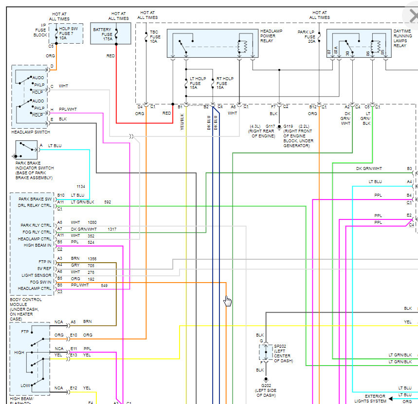
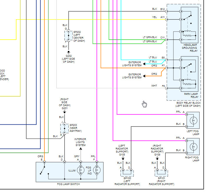
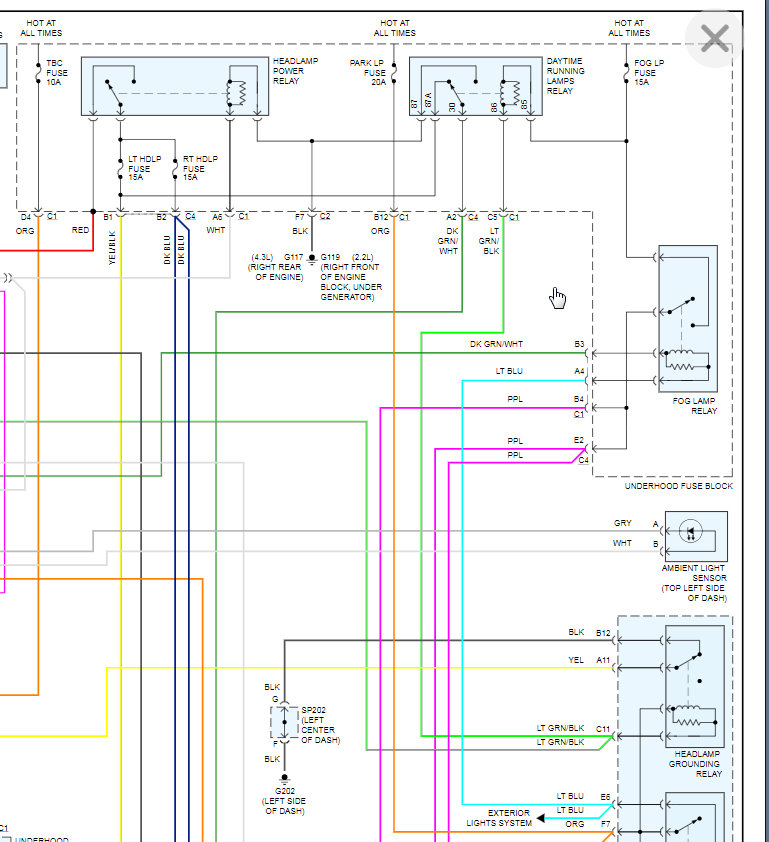
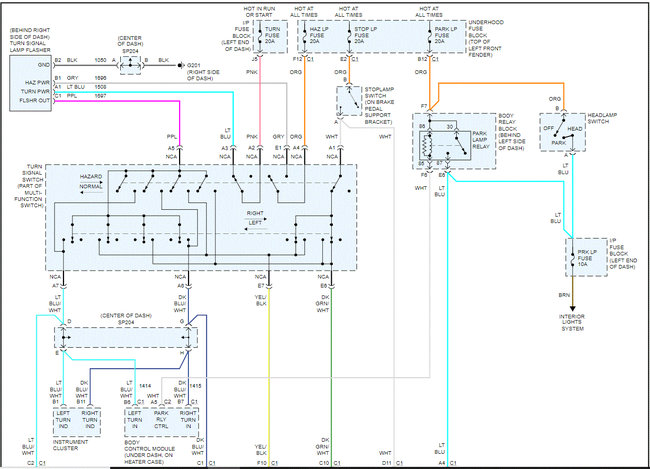
Let's start with the lighting. The first two pics below are for the 2001. Pics 3 and 4 are for a 1997.

Start with this and let me know what you need next.

Take care,
Joe
Was this
answer
helpful?
Yes
No
Wednesday, July 28th, 2021 AT 1:37 PM (Merged)
Tiny
KASEKENNY
  • MECHANIC
  • 18,907 POSTS
You can't worry about wire color because as you have found they are not the same. So what you are going to need to do is trace where they are coming from on the 1997 harness and match that to the 2001 wiring diagram that I posted.

Let me know if you need other info and we can go from there. Thanks
Was this
answer
helpful?
Yes
No
Wednesday, July 28th, 2021 AT 1:37 PM (Merged)

Please login or register to post a reply.