Saturday, December 9th, 2023 AT 11:00 PM
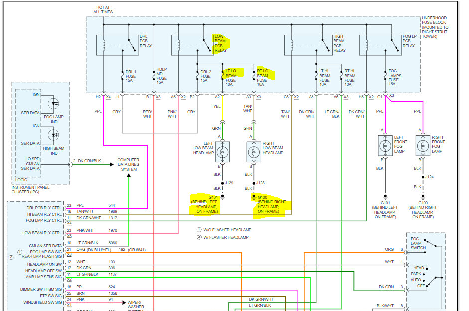
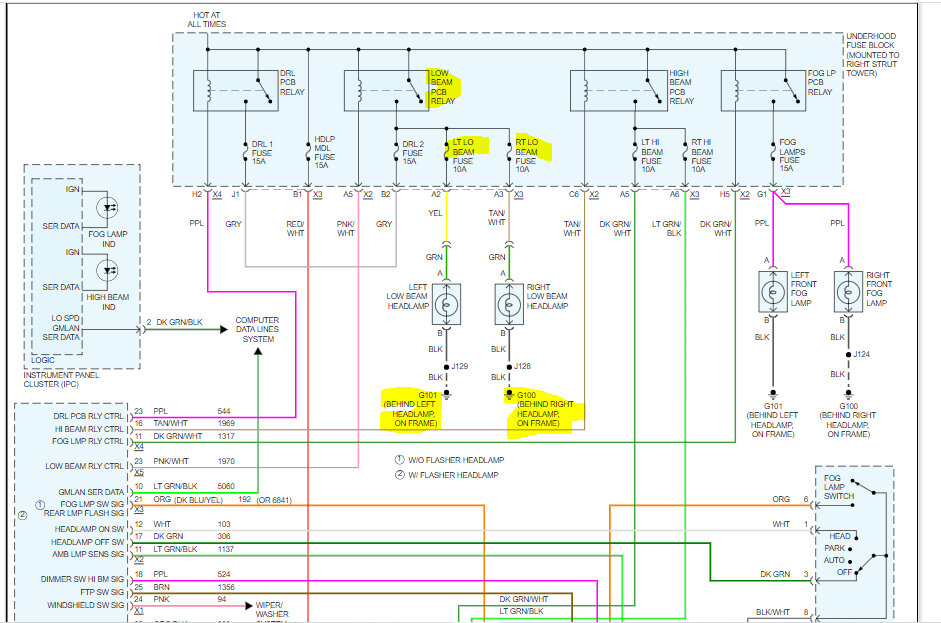
Bulbs are good. Fuses are good. Daytime running lights and fog lights work. Removed headlight assembly to test power and ground. I have power on both pins on both sides. Could this possibly be a grounding issue? If so, where do I find the ground for headlights?



