Headlights, tallights and DRLs not working properly

Tiny
ZHILL93
  • MEMBER
  • 1999 CHEVROLET PRIZM
  • 1.8L
  • 4 CYL
  • 2WD
  • AUTOMATIC
  • 108,800 MILES
For some reason I can’t turn my daytime running lights on and for some reason my headlights and taillights cut on automatically at night even when I have switched them off. I can’t turn them off for some reason.
Sunday, April 17th, 2022 AT 6:59 PM

1 Reply

Tiny
KASEKENNY
  • MECHANIC
  • 18,907 POSTS
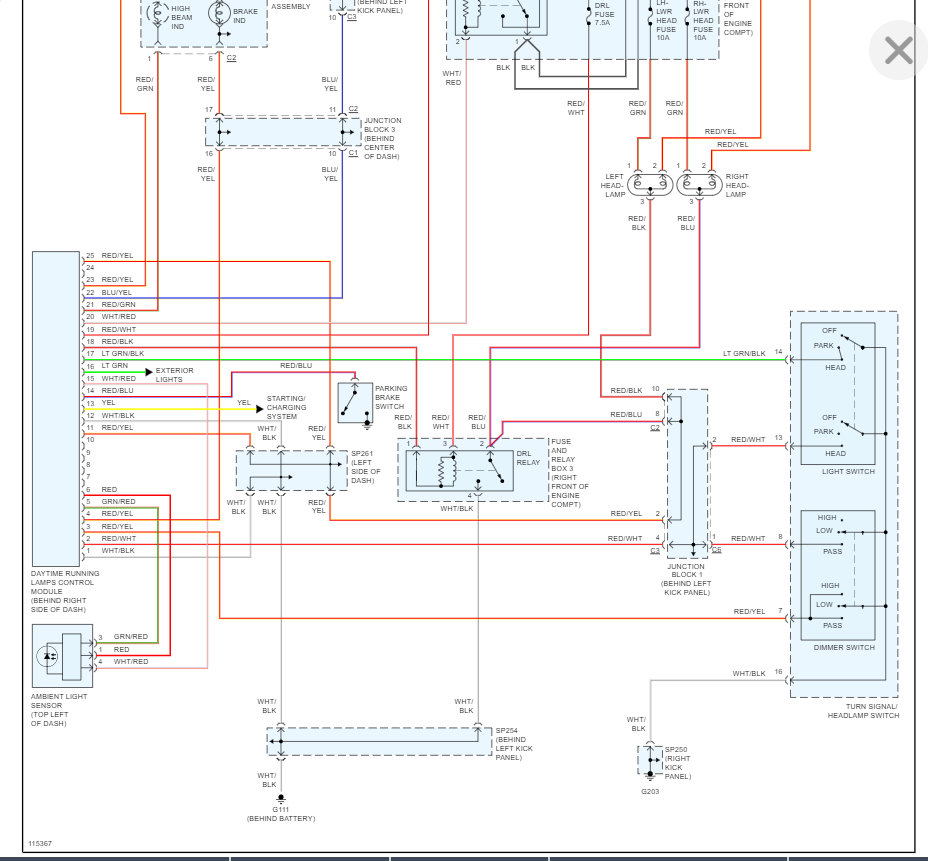
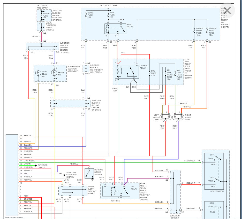
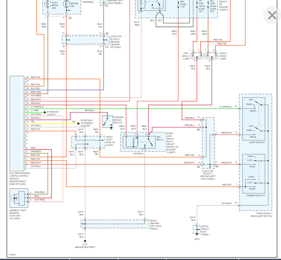
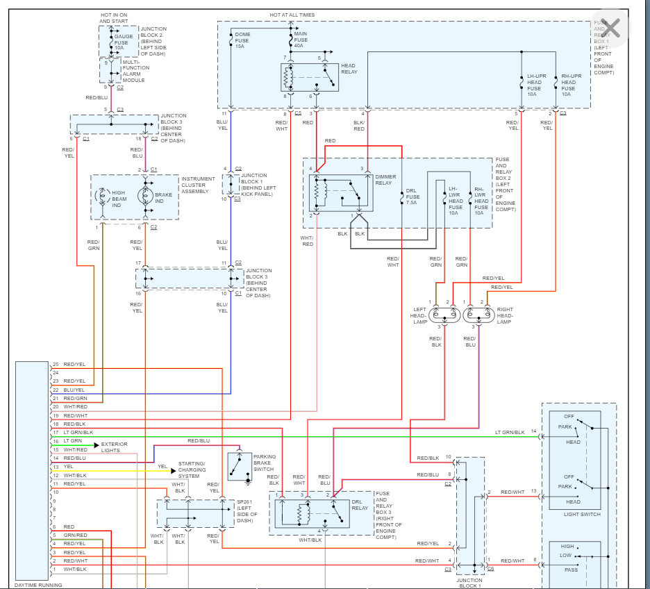
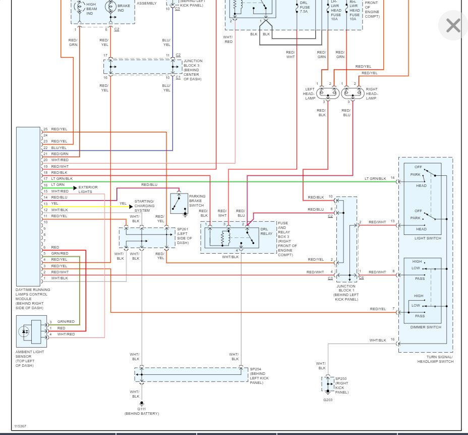
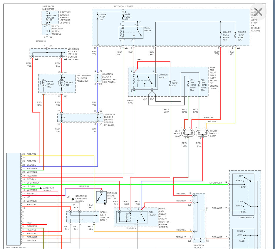
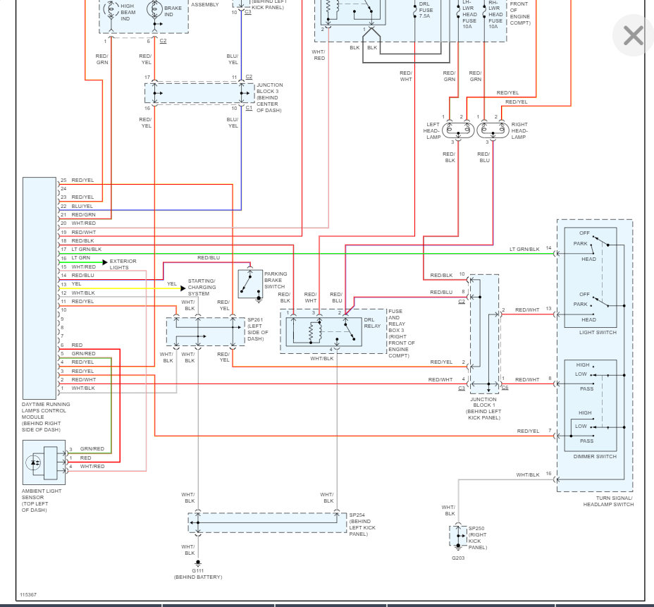
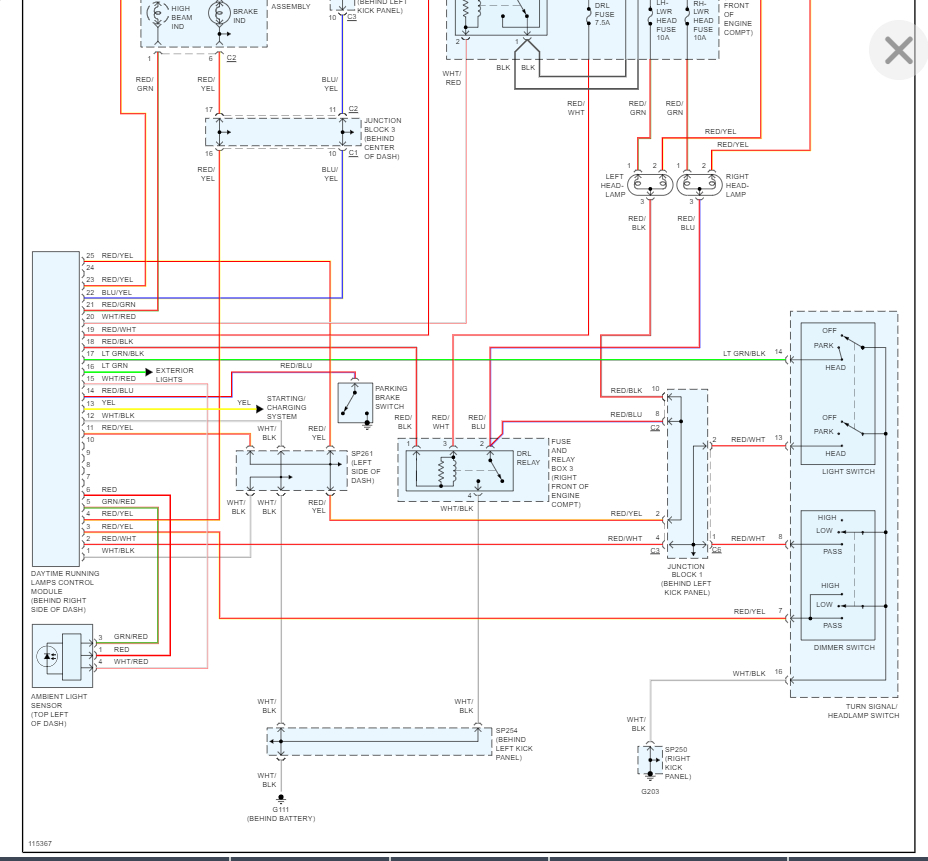
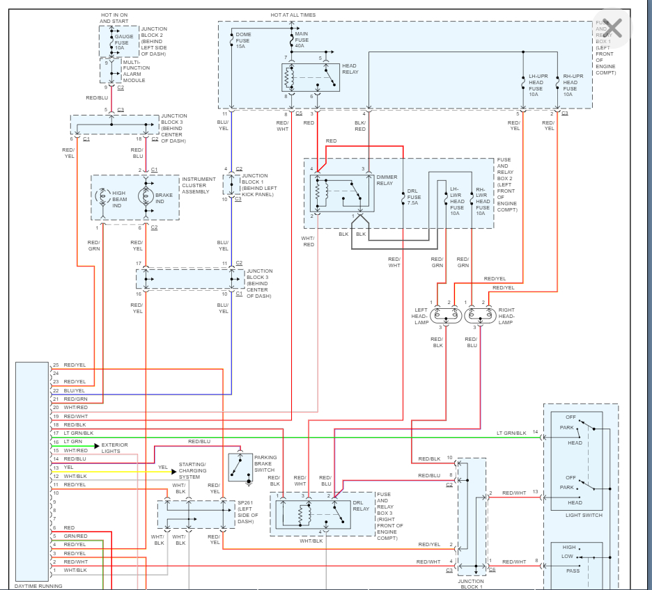
If both the DRL and head lamps are acting up, then the likely cause of this is a switch issue. The reason is, each of these have separate relays and even a DRL module.

So, we need to prove this out by checking the voltage when the headlights are off coming from the switch and the dimmer relay.

I assume you will have voltage on the dimmer relay, so we need to check and find out if the DRL module is grounding this relay on the white and red wire.

https://www.2carpros.com/articles/how-to-check-wiring

I am attaching the wiring diagram below but if we do then the issue is the DRL module has failed and is causing both these issues.

Let me know if you have questions. Thanks
Was this
answer
helpful?
Yes
No
Monday, April 18th, 2022 AT 5:02 PM

Please login or register to post a reply.