HOME
ASK A QUESTION
REPAIR GUIDES
BECOME A MEMBER
LOG IN
Login with Facebook
OR
Remember me
NOT A MEMBER?
FORGOT PASSWORD?
CONTACT US
PRIVACY POLICY
TERMS AND CONDITIONS
☰
Home
Nissan
Altima
Exterior Light
Headlight
Wiring
Headlights wiring diagrams?
KRIEGL
MEMBER
1998 NISSAN ALTIMA
200,000 MILES
Headlights not working only high beams.
Sunday, February 25th, 2018 AT 7:48 AM
1 Reply
PATENTED_REPAIR_PRO
MECHANIC
1,853 POSTS
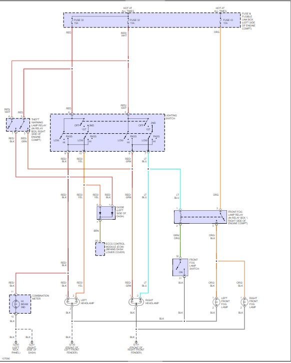
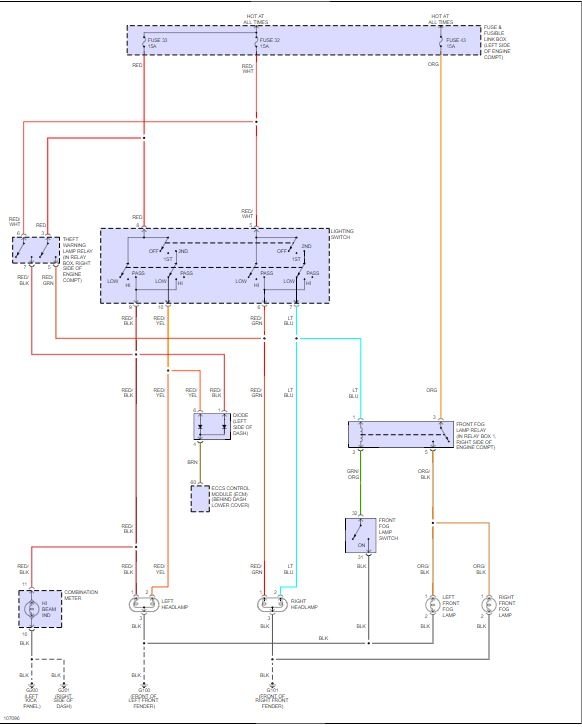
About the only thing that I see can from looking at the wiring diagram is a faulty lighting switch. Check out the diagrams (Below). Please let us know if you need anything else to get the problem fixed.
Image (Click to make bigger)
Was this
answer
helpful?
Yes
No
Sunday, February 25th, 2018 AT 8:14 AM
Please
login
or
register
to post a reply.
Related Headlight Wiring Content
Headlight Wiring Diagrams Please?
The Headlights On My Altima Have Started Going On And Off And Do Not Stop. What Is Causing This And How Do I Fix It? Thanks
Asked by
streetservant
·
10 ANSWERS
2 IMAGES
2002
NISSAN ALTIMA
1998 Nissan Altima Headlight Problem
Electrical Problem 1998 Nissan Altima 4 Cyl Front Wheel Drive Automatic I Have A 1998 Nissan Altima. Low Beams, Turn Signals, Corner...
Asked by
kevinnc43
·
3 ANSWERS
4 IMAGES
1998
NISSAN ALTIMA
Headlight Not Working
Four Cylinder Front Wheel Drive Automatic 60,000 Miles. My Low Beam Driver Side Headlight Is Out. I Replaced The Bulb But The Headlight...
Asked by
foamy909
·
11 ANSWERS
13 IMAGES
2006
NISSAN ALTIMA
Low Beam Not Working?
I Uninstalled My Stock Headlight Bulbs And Installed Aftermarket Hids. They Worked But Now They Don't. So, I Switched Back To The...
Asked by
charger12
·
1 ANSWER
2 IMAGES
2005
NISSAN ALTIMA
2009 Nissan Altima My Headlight Is Going Out
I Bought The Car And The Previous Owner Had Been Hit On The Right Side. They Got It Fixed In All Before I Got The Car. But When I Got The...
Asked by
JacobDale4
·
3 ANSWERS
2009
NISSAN ALTIMA
VIEW MORE
Ask a Car Question. It's Free!
Have a Dim Headlight? - Try Replacing This!
Headlight Dim or Dull
Turn Signals Blink Fast