Headlight turns off after disengaging the park brake

2004 VOLKSWAGEN BEETLE
188,000 MILES • 1.8L • 4 CYL • TURBO • 2WD
Avatar
JUDYREDUMIS
  • MEMBER
  • 2 POSTS
Headlight comes on, then clicks, then goes out. Noticed that when I put the park brake on and then disengage , the headlight comes back on, then flickers again and goes out. Any suggestions?
Aug 26, 2021 at 5:54 AM
Repair Safety Notice: This information is for general instructional purposes only. Vehicle repair can be dangerous. Verify all information, follow manufacturer service procedures, use proper tools and safety equipment, and consult a qualified repair shop when needed.
Advertisement
Avatar
MASTER ASE TECH
  • CAR REPAIR CONTRIBUTOR
  • 82 POSTS
Hi, I'm Dan.

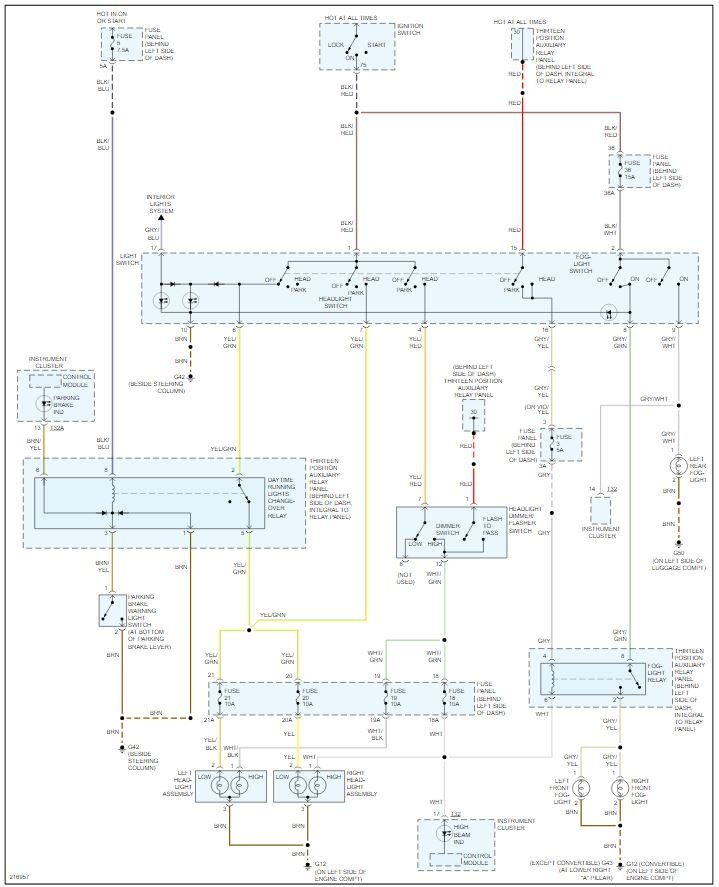
Do you have the HID headlamps or regular headlamps? Also, is it the headlights that don't work or the daytime running lights? DTRL are shut off when you pull the park brake.
Also check to see if all the lights go out, or just the headlights. Also is it both lights? What about the taillights?
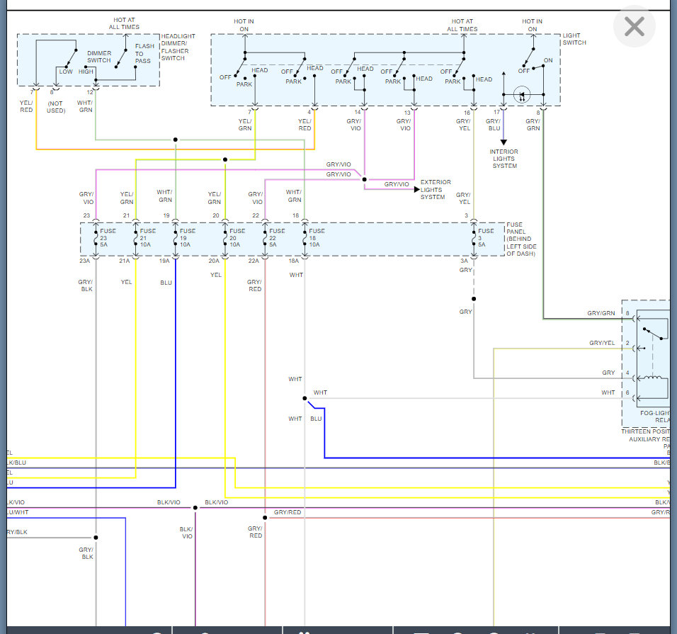
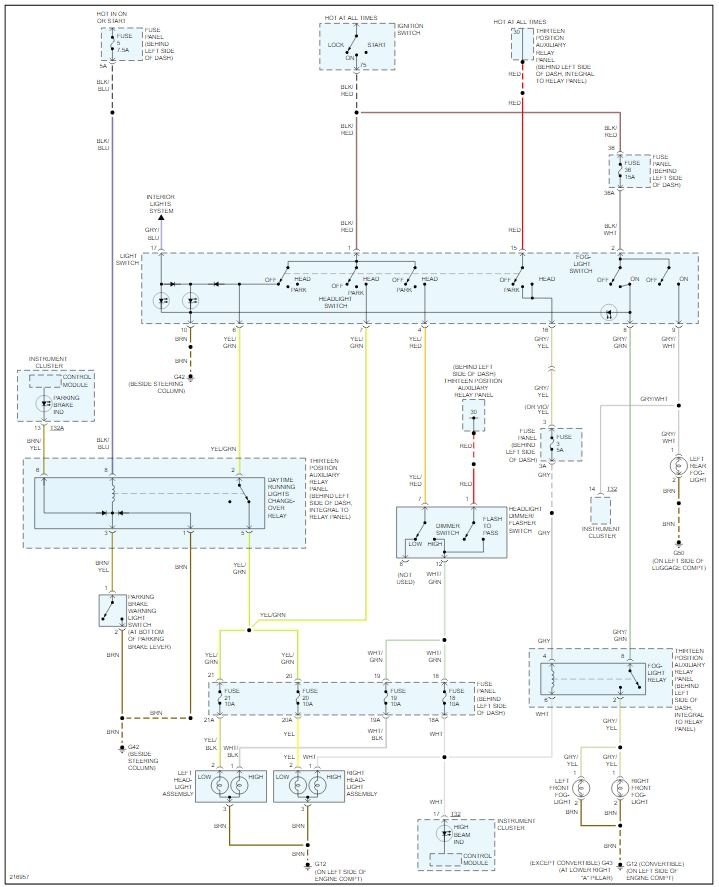
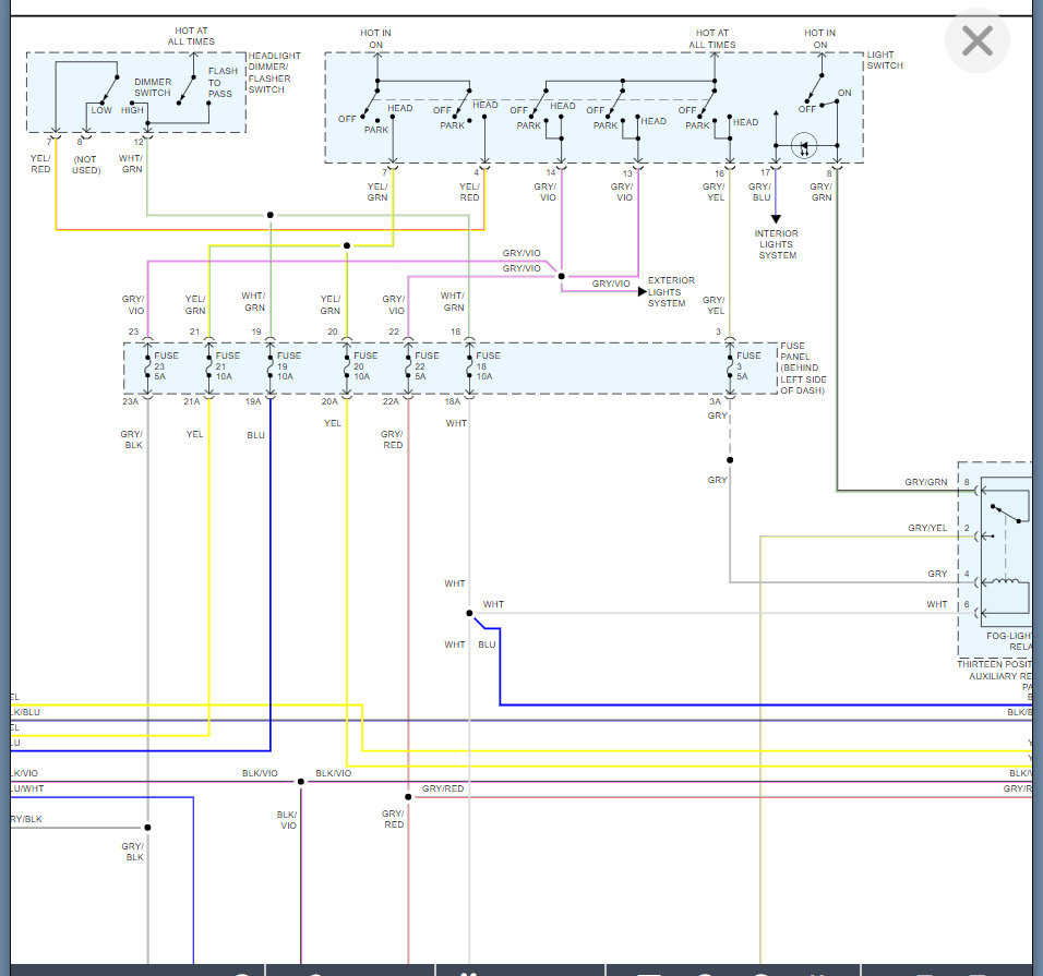
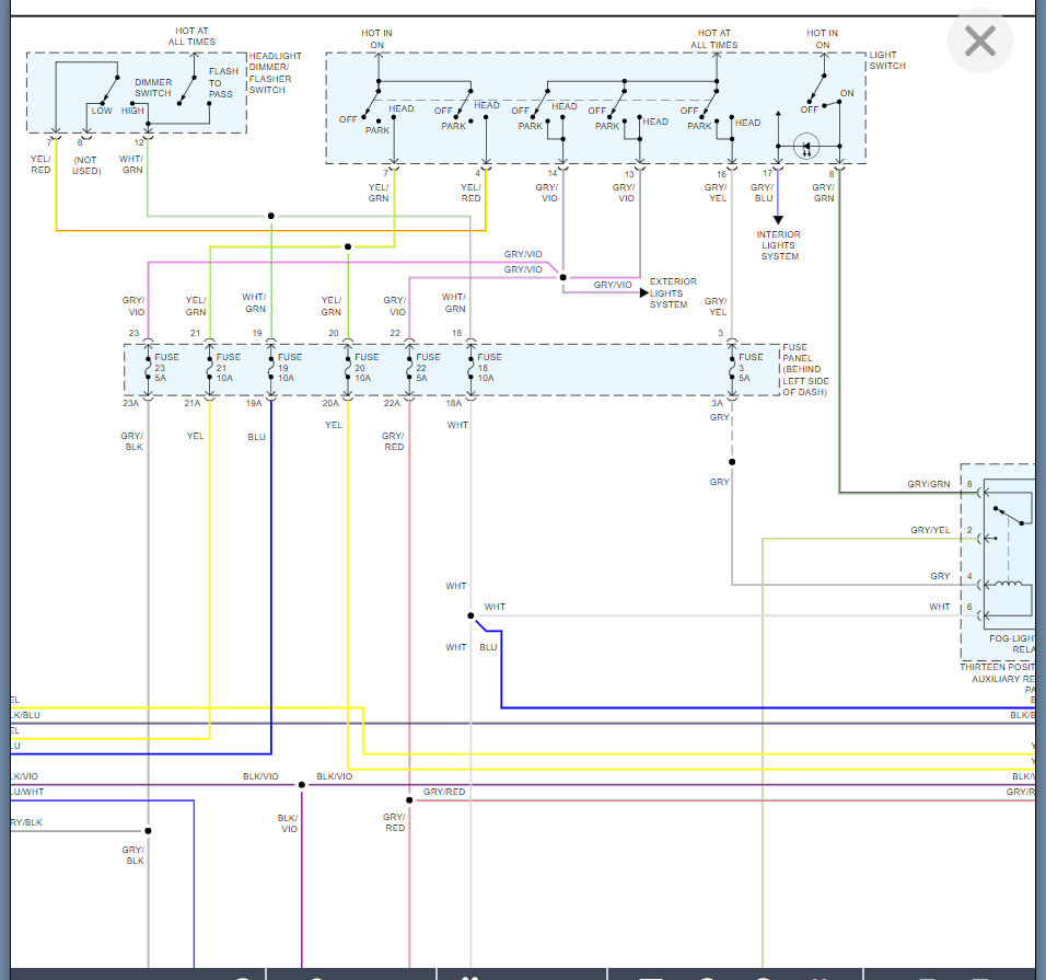
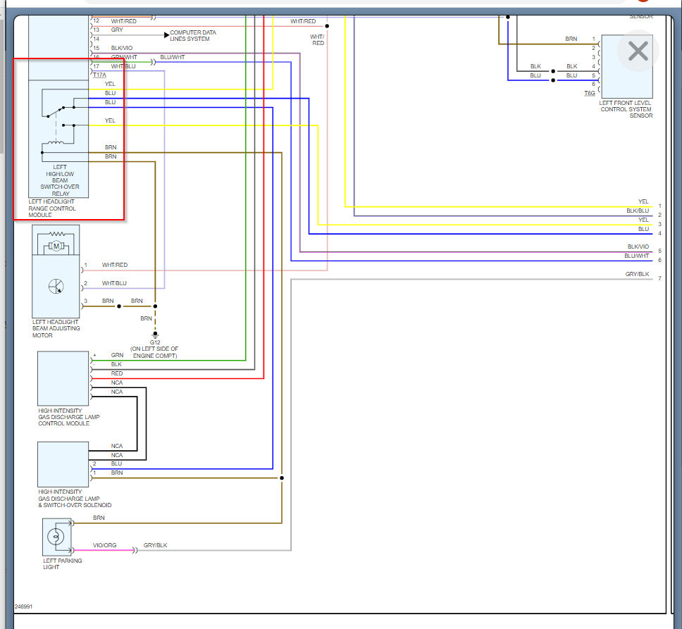
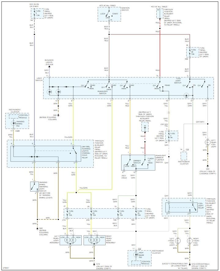
I've attached a wiring diagram, be sure to check the fuses and for any loose connections.

https://www.2carpros.com/articles/one-headlight-is-dim-or-dull

Aug 26, 2021 at 11:04 AM
Advertisement
Avatar
JUDYREDUMIS
  • MEMBER
  • 2 POSTS
Hey, thank you! The drivers side headlight is the one . It’s xenon gas/hid. All lights are working. Park brake engaged DRLs are off. What about relay? Does it control both or single headlight?
Aug 27, 2021 at 11:09 AM
Avatar
KASEKENNY
  • CAR REPAIR CONTRIBUTOR
  • 18,907 POSTS
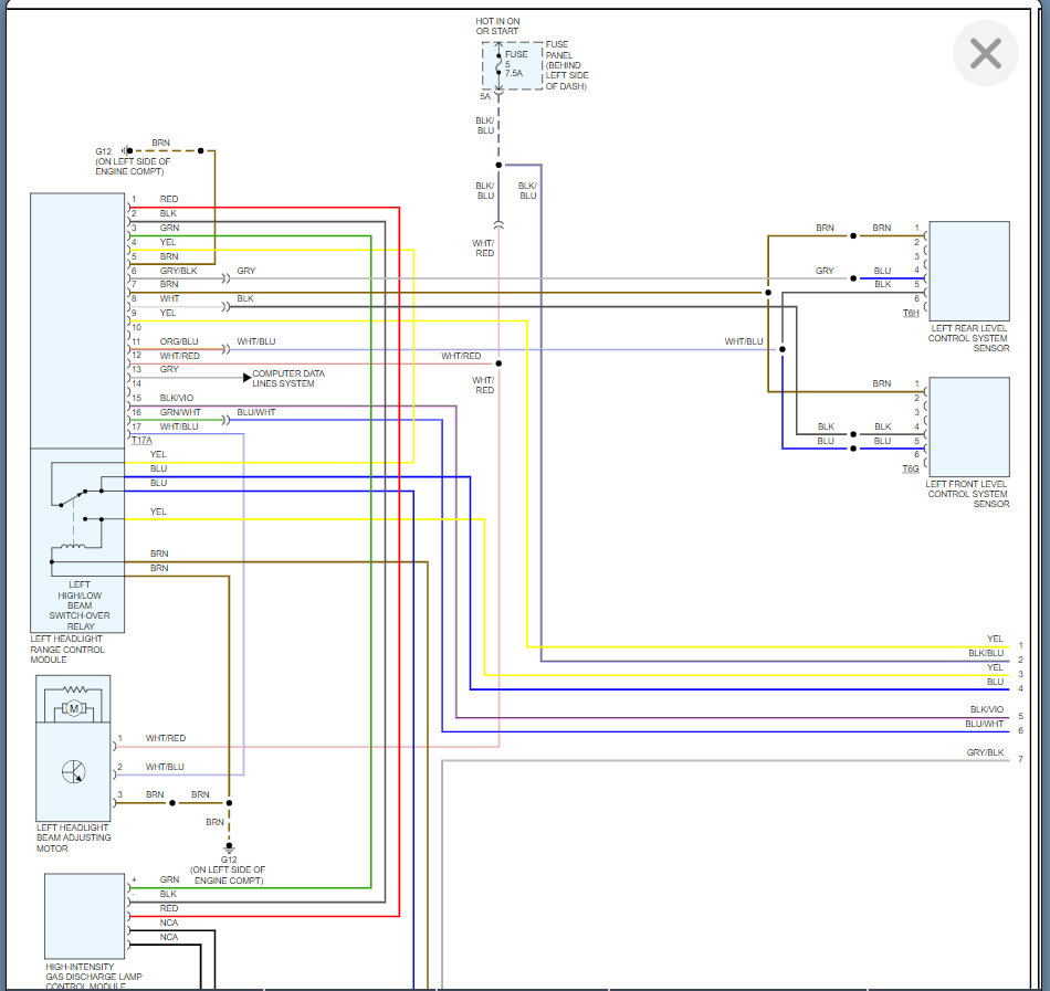
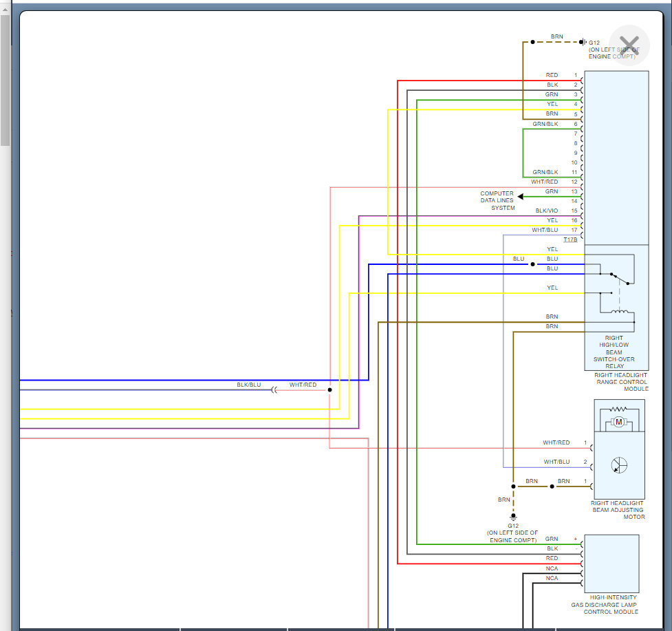
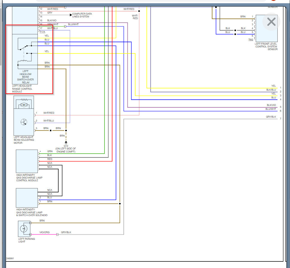
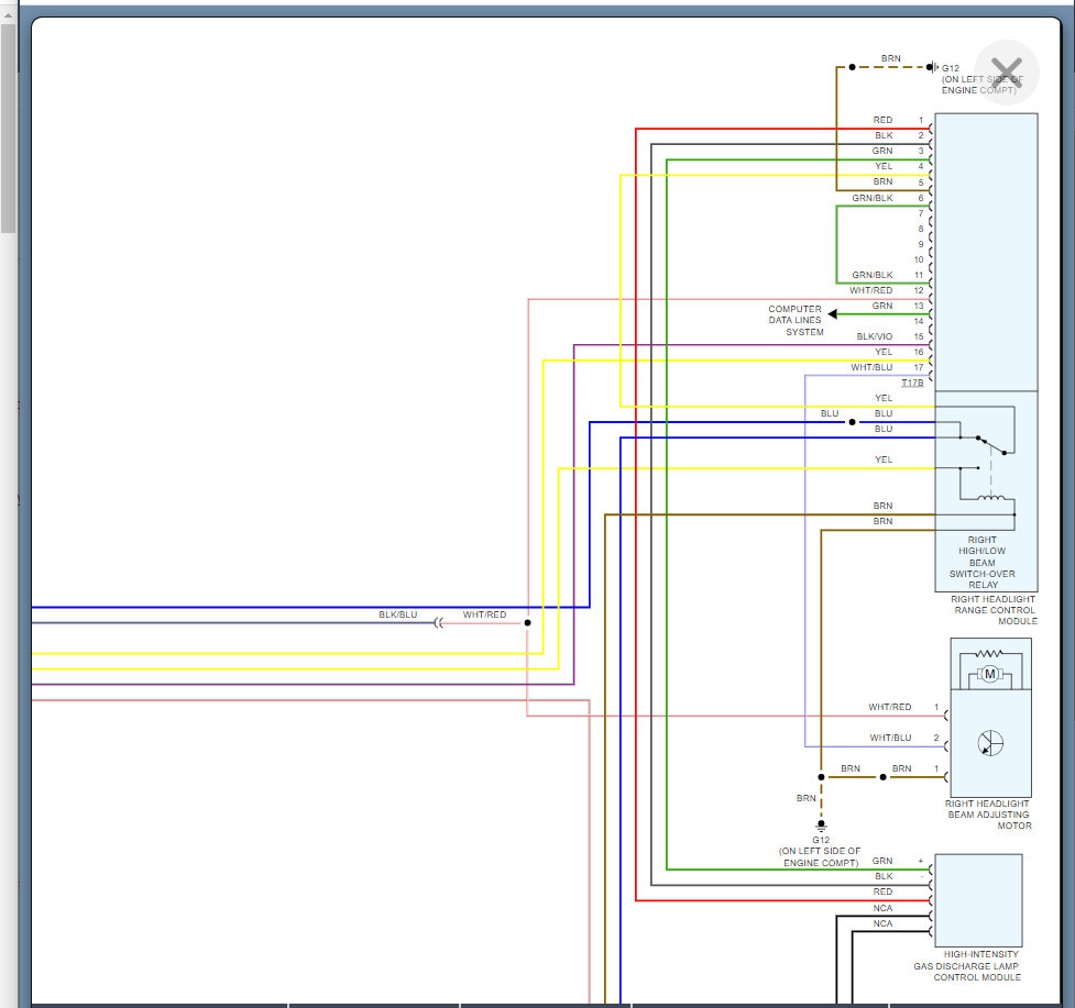
Just to jump in on this, sorry for the delay. Yes, since you have HID lamps you have a relay that is part of the control module that is most likely the issue.

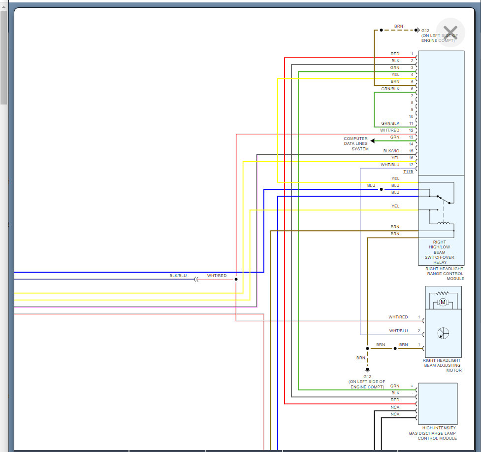
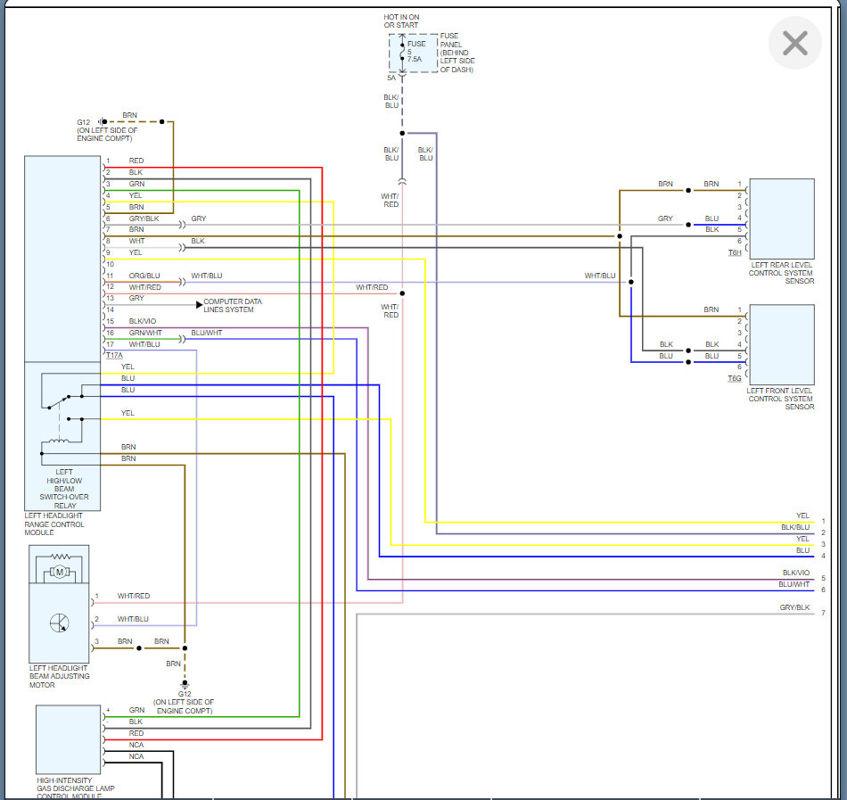
Unfortunately I do not show this relay as being serviced separate.

So I am attached the process below on the assembly and the wiring diagram that shows each individual light that has its own control system including relay.

If it were me I would check the voltage coming out of the relay to the lamp on the brown wire and see if there is 12 volts when they are turned on but this lamp is out.

https://www.2carpros.com/articles/how-to-check-wiring

If there is no voltage then that relay is open and most likely is the issue.

Please let us know if you have other questions or how you make out with this.
Aug 30, 2021 at 4:24 PM